💥💥💞💞欢迎来到本博客❤️❤️💥💥
🏆博主优势:🌞🌞🌞博客内容尽量做到思维缜密,逻辑清晰,为了方便读者。
⛳️座右铭:行百里者,半于九十。
📋📋📋本文目录如下:🎁🎁🎁
目录
💥1 概述
本文介绍了太阳能仿真技术及其各个组成部分。太阳能仿真技术包括太阳能电池板、太阳能逆变器以及安装、布线和其他电气附件。太阳能电池板通过吸收阳光将其转换为电能,而太阳能逆变器则将直流电流转换为交流电。为了提高系统的整体性能,太阳能仿真技术还可以使用太阳能跟踪系统,并且可以集成电池解决方案来存储电能,预计随着存储设备价格的下降,集成电池解决方案将变得更加普遍。
需要明确的是,太阳能电池阵列仅包括太阳能电池板的集合,即光伏系统的可见部分,不包括其他硬件,这些硬件通常被总结为系统平衡(BOS)。此外,太阳能仿真技术将光能直接转化为电能,与其他技术(如用于加热和冷却的聚光太阳能或太阳能热能)是有区别的。
未来,随着太阳能技术的不断发展,太阳能仿真技术将变得更加高效和可靠。太阳能电池板的效率将不断提升,能够更有效地吸收和转化阳光能量。太阳能逆变器的转换效率也将不断提高,使得太阳能电能更适用于各种家庭和工业应用。同时,太阳能跟踪系统的智能化程度将提高,能够根据太阳位置和天气条件自动调整太阳能电池板的角度,以最大限度地吸收阳光能量。
此外,集成电池解决方案的发展将使得太阳能系统更加独立和可靠。随着存储设备价格的下降,太阳能系统将能够存储多余的电能,并在夜间或天气不好时继续供电。这将为用户提供更大的能源自主权,并减少对传统电网的依赖。
总之,太阳能仿真技术是一种可持续发展的能源解决方案,它利用太阳能将其转化为电能,并通过各种技术和设备来优化系统的性能和可靠性。随着技术的不断进步,太阳能仿真技术将在未来发挥更重要的作用,并为人类提供清洁、可再生的能源。
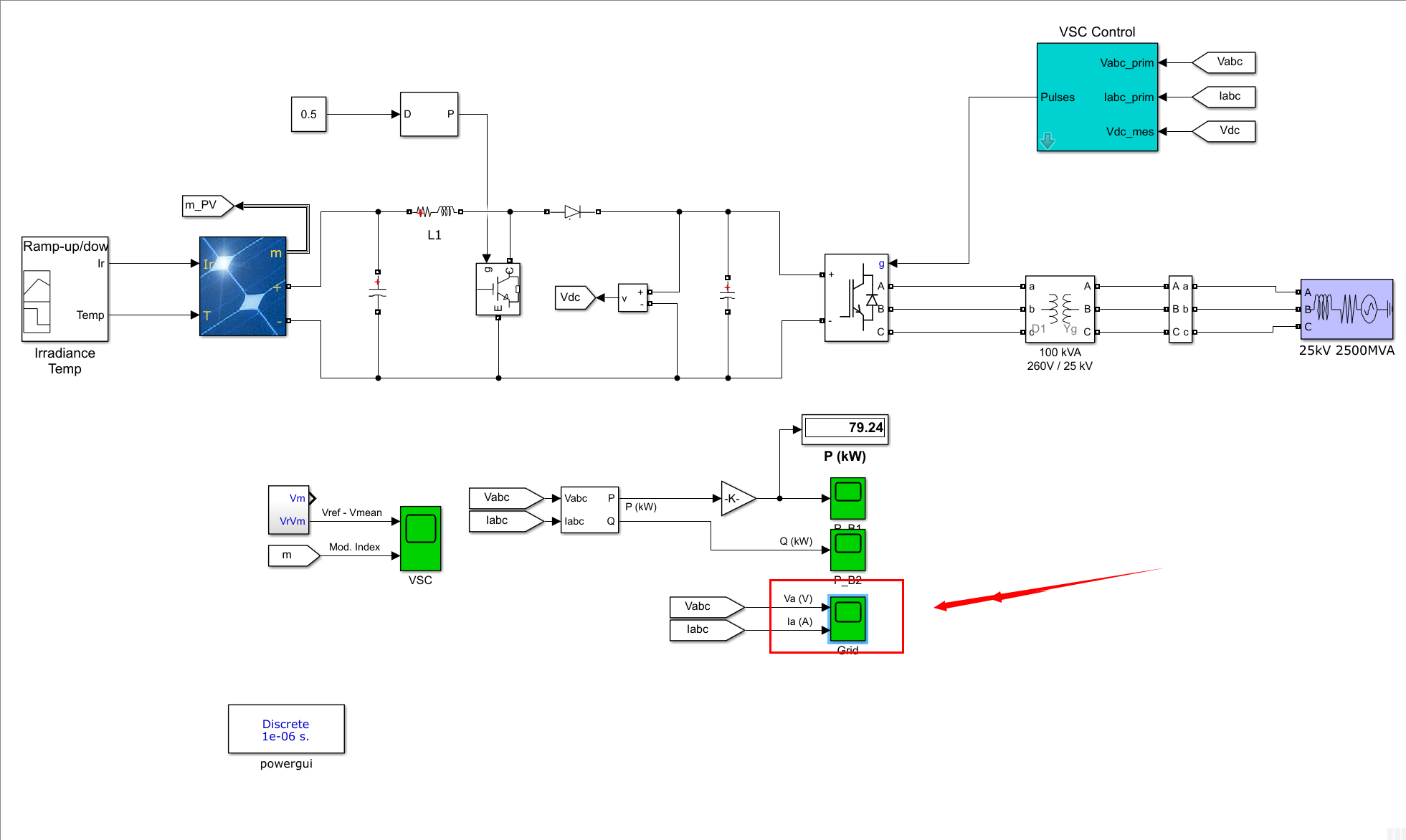
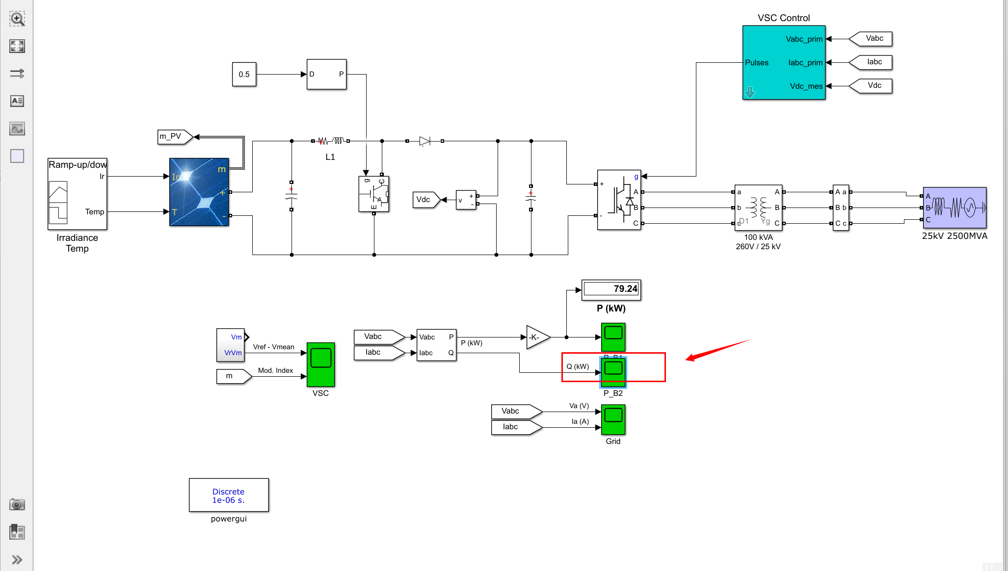
📚2 运行结果






🎉3 参考文献
文章中一些内容引自网络,会注明出处或引用为参考文献,难免有未尽之处,如有不妥,请随时联系删除。
[1]郑世松.太阳能光伏并网逆变器及孤岛检测技术的研究[D].山东大学[2023-09-03].
[2]陈明勋.光伏并网系统新型升压电路及其最大功率跟踪的研究[D].华北电力大学,2015.DOI:10.7666/d.Y2878223.
[3]孙秋影.单相并网型太阳能微型逆变系统的仿真及控制研究[D].华北电力大学,2013.
494

被折叠的 条评论
为什么被折叠?



