STM32简介
•STM32是ST公司基于ARM Cortex-M内核开发的32位微控制器
•STM32常应用在嵌入式领域,如智能车、无人机、机器人、无线通信、物联网、工业控制、娱乐电子产品等
•STM32功能强大、性能优异、片上资源丰富、功耗低,是一款经典的嵌入式微控制器
ARM介绍
•ARM既指ARM公司,也指ARM处理器内核
•ARM公司是全球领先的半导体知识产权(IP)提供商,全世界超过95%的智能手机和平板电脑都采用ARM架构
•ARM公司设计ARM内核,半导体厂商完善内核周边电路并生产芯片
STM32F103C8T6
•系列:主流系列STM32F1
•内核:ARMCortex-M3
•主频:72MHz
•RAM:20K(SRAM)
•ROM:64K(Flash)
•供电:2.0~3.6V(标准3.3V)
•封装:LQFP48
片上资源/外设
命名规则
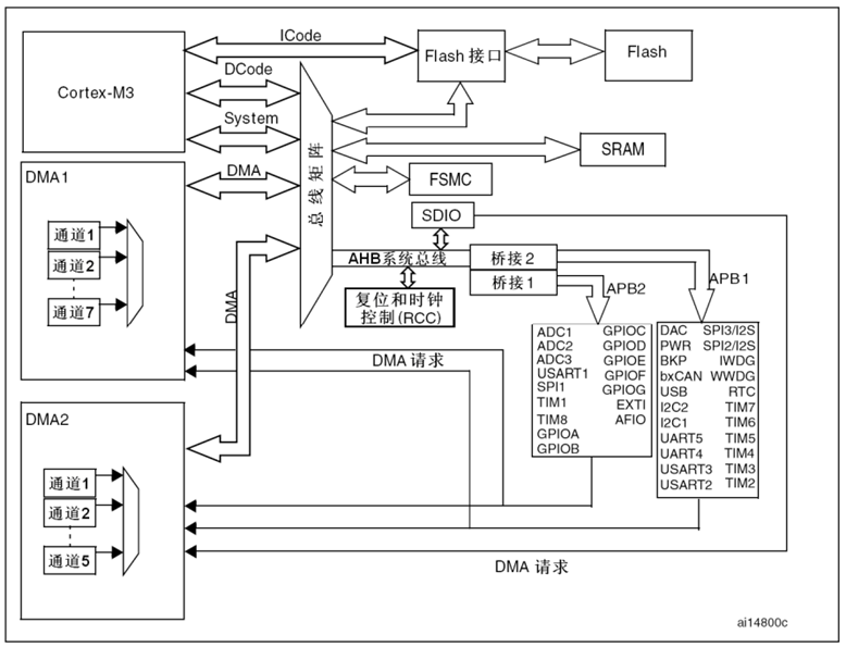
STM32F103C8T6系统结构
引脚定义
启动配置
最小系统电路
软件对应配置
•建立工程文件夹,Keil中新建工程,选择型号
•工程文件夹里建立Start、Library、User等文件夹,复制固件库里面的文件到工程文件夹
•工程里对应建立Start、Library、User等同名称的分组,然后将文件夹内的文件添加到工程分组里
•工程选项,C/C++,IncludePaths内声明所有包含头文件的文件夹
•工程选项,C/C++,Define内定义USE_STDPERIPH_DRIVER
型号分类
工程架构
固件库资源
https://download.csdn.net/download/2301_76540867/87484956?spm=1001.2014.3001.5503
STM32是由ST公司基于ARMCortex-M内核开发的32位微控制器,广泛应用在嵌入式系统如智能车、无人机等。STM32F103C8T6作为主流系列,具有72MHz主频、20KSRAM和64KFlash。在软件配置中,通常使用Keil创建工程,结合固件库进行开发。ARM公司则专注于提供半导体IP,其ARM架构广泛应用于移动设备。
791

被折叠的 条评论
为什么被折叠?



