微❤关注“电气仔推送”获得资料
逆变器控制方式采用虚拟同步发电机控制(VSG),为逆变系统提供惯量、阻尼支撑;
本模型采用LADRC自抗扰控制,增加系统鲁邦性;
并网采用预同步控制,减小冲击电流的影响。
整体控制框图:

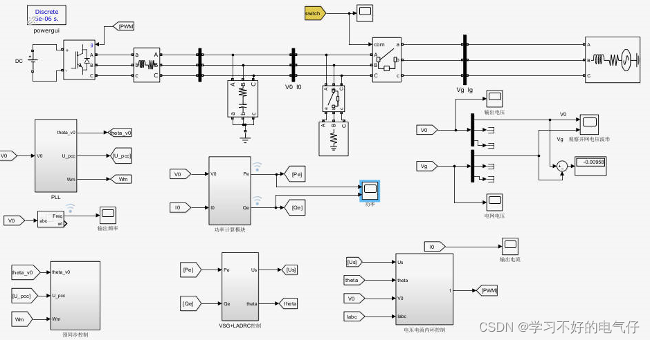
主体仿真模型:
功率计算模块、锁相环模块、虚拟同步机控制模块、自抗扰控制模块、电压电流环控制模块(三相准PR控制)、PWM模块。

主体控
微❤关注“电气仔推送”获得资料
逆变器控制方式采用虚拟同步发电机控制(VSG),为逆变系统提供惯量、阻尼支撑;
本模型采用LADRC自抗扰控制,增加系统鲁邦性;
并网采用预同步控制,减小冲击电流的影响。
整体控制框图:

主体仿真模型:
功率计算模块、锁相环模块、虚拟同步机控制模块、自抗扰控制模块、电压电流环控制模块(三相准PR控制)、PWM模块。

主体控

被折叠的 条评论
为什么被折叠?