分析
(1)74161
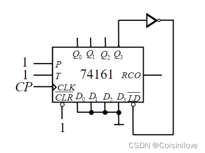
4位同步(cp相同)二进制,模16(2的4次方)
逻辑符号

端口
D0,D1,D2,D3为输入信号
Q0,Q1,Q2,Q3为输出信号
RCO输出进位标志:记满16个数后,输出1
P,T 控制输入端
CLR非:异步清零端,即一旦为0,输出全为零
LD非:同步置数端,为0时,输出等于输入(同时要求有cp上升沿)
功能

(2)74160
与74161唯一的区别是:74160位十进制计数器,模10
(3)74163
与74161相似,74161是异步清零,74163是同步清零
集成计数器的应用
例题
(1)
三位二进制加法计数器,从初始状态 000 开始计数(即第一个时钟脉冲到来后为 001 ),经过100
个时钟脉冲后的状态为:
答:三位二进制:模8
100 = 12 * 8 + 4 所以是100
(2)
分析电路,说明功能

答:
![]()
LD非无效。
根据功能表对电路进行分析

当为111x时,即

此时异步清零,其余状态正常计数
全部的:

由于状态1110持续时间极短,所以可以相当于不存在,是一个过渡态,即1101->0000

所以功能为:可以自启动,模14
总结:P=T=1,LD非=1,CLR非接逻辑门输出的时候,计数初值一定为0,计数终值为使CLR非为
0的最小Q值再减去1
整个过程也称为异步清零法
(3)
分析电路,说明功能(分析题)

答:
P=T=1,CLR非=1(无效),输入0000,LD非=Q3的非

当 Q3Q2Q1Q0= 1xxx 时,同步预置
其余状态 加1计数

功能:可以自启动,模9
总结: P=T=1,CLR非=1(无效),LD非接逻辑门输出的时候,计数初值为D3D2D1D0,
计数终值为令LD非为零的最小Q值。
整个过程叫做同步置数法
做题时先判断是同步置数还是异步清零,然后找初值和终值,再判断模值
(4)
计数器 74161 构成13 进制计数器,并画出相应的状态图。(设计题)
答:
方法一:同步置数法
13进制有效状态图即:

初值0000,终值1100得出LD非的表达式

完整的状态转移图:

总结:同步置数法
计数初值为D3D2D1D0
计数终值为D3D2D1D0加上模值再减一
LD非接与非门输出
方法二:异步清零法
13进制有效状态图

由于异步清零法存在一个过渡态即1101,所以

1101时,异步清零,此时CLR非=0
故:Q3Q2Q1Q0=11x1时,CLR非为0

完整状态转移图为:

总结:异步清零法
计数初值为0
终值为模值
CLR非接与非门输出
(5)
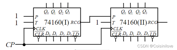
试用两片 74160 和一片与非门接成计数长度为 63 的加法计数器,采用同步级联。
答:
现将74160级联为模100的计数器,同步级联(cp相同)

由RCO(1)接入P(2),所以当74160(1)输出十位时,74160(2)才进一位
所以74160(1)为个位, 74160(2)为十位
采用同步置数法:
初值0,终值62得出(1)终值2(0010),(2)终值6(0110)

(6)
试用两片74161和与非门接成计数长度为130的加法计数器,采用异步级联方式。
答:
两片先异步级联

逢16进一:第一片为16进制的低位,第二片为16进制的高位
采用异步清零法:
初值0,终值130,(16进制中的82),(1)终值2(0010),(2)终值8(1000)

2172

被折叠的 条评论
为什么被折叠?



