1. 找到该元件的数据手册
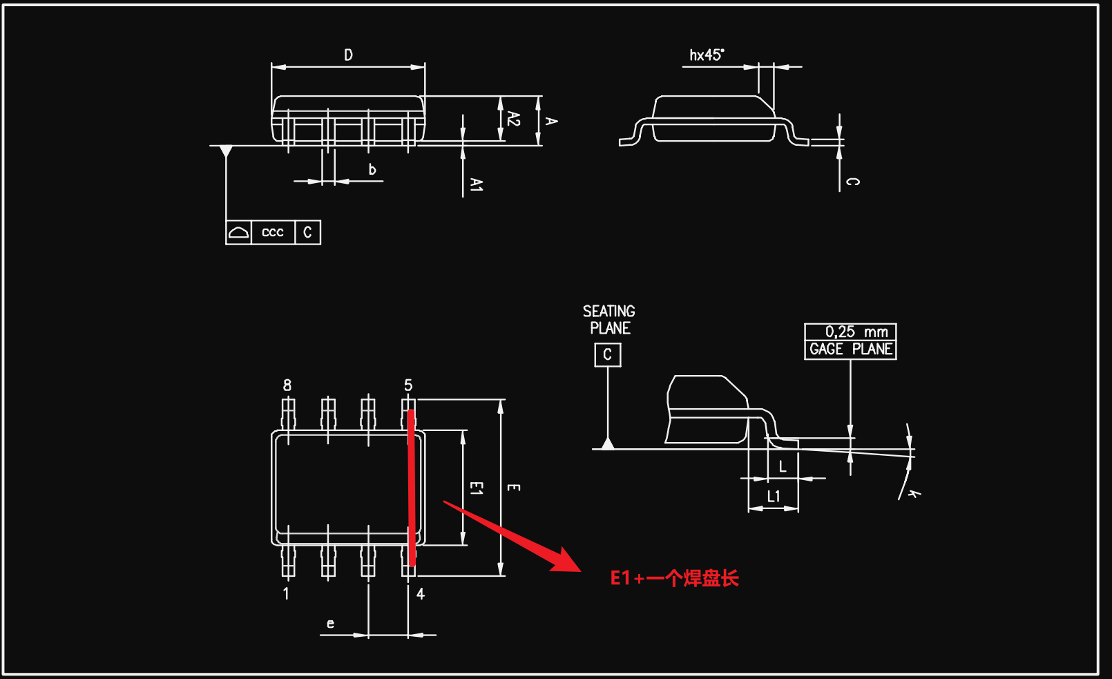
2. 在数据手册中找到官方给的关于封装的信息

3. 打开立创EDA 点击新建封装

4. 在中心绘制焊盘 将此焊盘修改至顶层 根据数据手册尺寸修改长宽 长宽稍微大一点

5. 复制若干个焊盘 并修改编号

6. 修改上下两排焊盘间距

7. 绘制丝印 标注正方向(半圆弧) 以及 1号引脚位置(小圆圈)

8.将元件与封装关联(右击元器件 关联封装)


注:本人正在学习expert实验室的pcb设计课程,此博客目的为记录学习,上述PPT均出自expert实验室。—— 2025.9.9
1514

被折叠的 条评论
为什么被折叠?



