
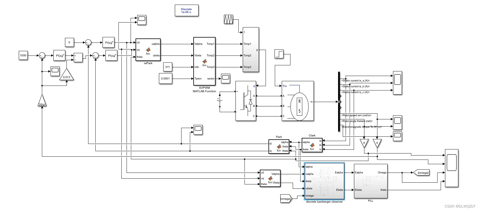
龙伯格 luenberger观测器,永磁同步电机无位置传感器控制
因此,在实际应用中,基于龙伯格观测器的永磁同步电机无位置传感器控制方法具有广泛的应用价值。文章整体饱满丰富,从介绍龙伯格观测器的原理和永磁同步电机控制的问题出发,逐步展开对基于龙伯格观测器的无位置传感器控制方法的介绍。在无位置传感器控制中,通过使用PLL锁定电路,可以实现对电机位置的准确估计和控制。针对这个问题,研究人员提出了一种基于龙伯格观测器的控制方法,用于实现对永磁同步电机的无位置传感器控制。在永磁同步电机控制中,龙伯格观测器可以用于估计电机的转子位置,从而实现无位置传感器控制。














