学习记录
概述
核心:XC7Z020-1CLG400C(速度等级为-1,数字越大越好)
存储器:512MB DDR3,16MB Quad-SPI Flash
架构
ARM Cortex-A9处理系统和集成的现场可编程门阵列FPGA架构

PS部分

PL部分

编程模式

SD:引导镜像
QSPI:实现程序掉电不丢失
JTAG:FPGA开发或嵌入式开发
Basic I/O
Two tri-color LEDs, 2 switches, 4 push buttons, and 4 individual LEDs are connected to the Zynq PL
按键默认状态为低电平

To light up the tri-color LED, the corresponding signals need to be driven high. Ensuring that none of the tri-color signals are driven with more than a 50% duty cycle.
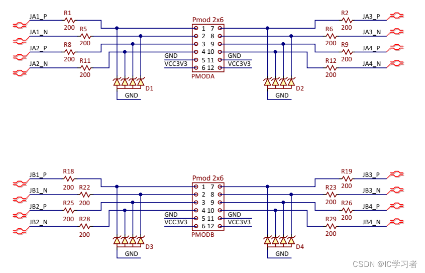
PMOD

Pmod ports are 2×6, right-angle, 100-mil spaced female connectors
The VCC and Ground pins can deliver up to 1A of current
both of Pmod ports are the high-speed type.


clock
The PYNQ-Z1 provides a 50 MHz clock to the Zynq PS_CLK input
The 50 MHz input allows the processor to operate at a maximum frequency of 650 MHz and
the DDR3 memory controller to operate at a maximum of 525 MHz (1050 Mbps)
Additionally, the PYNQ-Z1 provides an external
125 MHz reference clock directly to pin H16 of the PL

复位资源
- 上电复位POR
- PL复位
button PROG

- 处理器子系统复位
PS复位(PL也复位)不会重新采样引导模式
button SRST

参考文献
- PYNQ-Z1 Board Reference Manual
都看到这儿了,点个赞吧!
5495

被折叠的 条评论
为什么被折叠?



