
三相离网逆变器接阻感负载仿真模型模型文件中包含开环和闭环控制
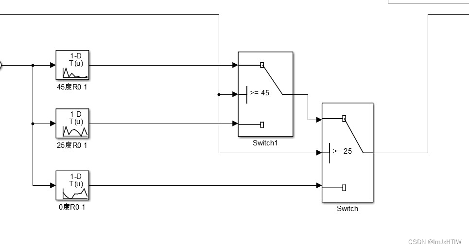
Simulink是Matlab的一个工具箱,提供了丰富的模块和库,可以用来构建和仿真动态系统。三相离网逆变器是其中一种常见的类型,它能够将直流能源转换为交流能源,并将其输入到电网中,同时能够接受电网的交流能源作为输入来供应电网以外的设备。近年来,离网逆变器在可再生能源发展的推动下得到了广泛的应用。接着,我们将介绍ab坐标和dq坐标下的闭环控制算法,并使用Plecs、Matlab和Simulink进行仿真验证。通过模型的开发和仿真,可以更好地理解逆变器的工作原理和系统性能,为真实系统的设计和优化提供依据。














