南邮密码学实验:转轮密码机
题目
现代密码学教程第2版[谷利泽,郑世慧,杨义先编著]2015年版
3.2.3(P53~55)



解释
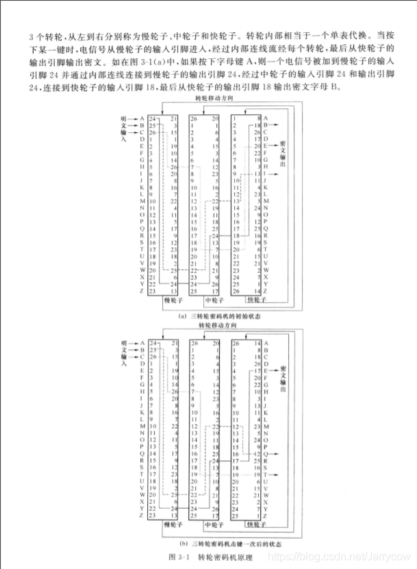
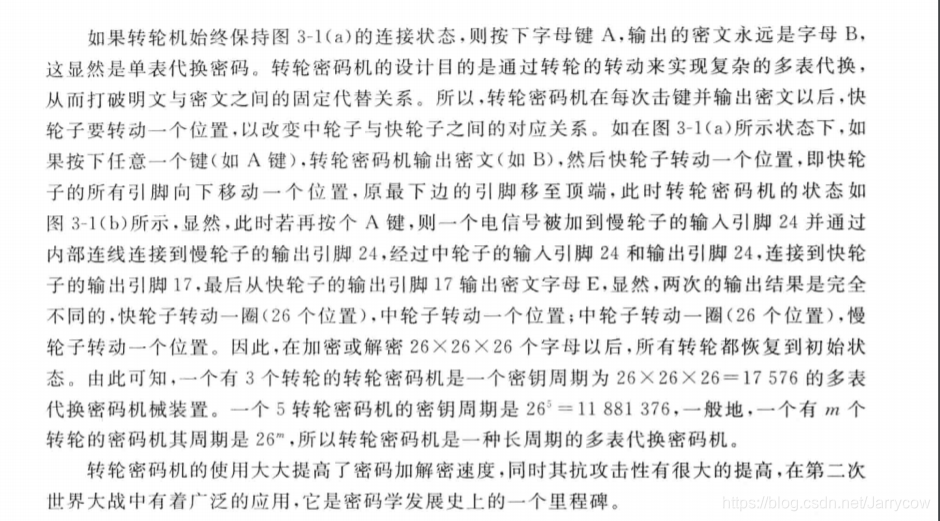
输入一个字母
根据对应的慢轮子、中轮子、快轮子的对应的变换,
输出另一个字母
每输入一个,慢轮子下转一格,
慢轮子转一圈之后,中轮子下转一格,
中轮子下转一圈,快轮子下转一格
想法
1、对于这个轮子来说,他的属性是固定的,也就是输入、输出,行为也是固定的,就左右数字匹配、旋转
所以觉得用面向对象方便些
这题面向编程的写法我朋友写了,看上去有点麻烦:
2、然后我稍微加了点,确保稳定性:若读取小写字母,变为大写字母,若读取非字母,直接输出
3、当然这题用Python应该更好写一点,不过C++都写出来了,Python重构下应该也不费事(
代码(C++)
#inclu

这篇博客介绍了南邮密码学实验中的转轮密码机,涉及现代密码学教程第2版的一个练习。博主通过解释题目要求,提出使用面向对象编程的思想来解决该问题。代码部分展示了C++实现的转轮密码机,确保输入的字母能正确转换,并且在遇到非字母字符时保持原样输出。
最低0.47元/天 解锁文章
5553

被折叠的 条评论
为什么被折叠?



