用户在使用NB&Cat.1模组标准AT通信时,模组与外设MCU会出现串口电压不匹配的情况(如MCU电压3.6V,模组UART串口电压1.8V),为了避免产生漏电流及对串口引脚产生损伤,此时需要通过串口电平转换电路来实现模组与MCU之间的数据通信。本文给出了NB-IoT&Cat.1的串口电平转换推荐电路,同时针对该电路的性能做相关分析,便于用户快速、可靠的完成相应的电路设计与开发。
1、串口电平转换电路
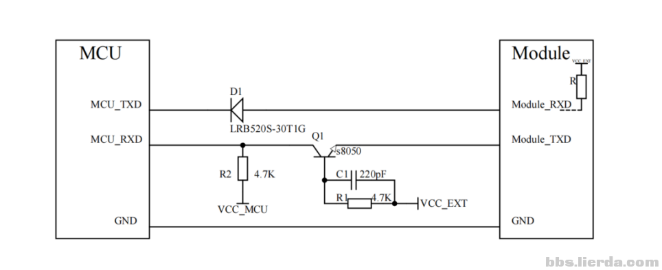
1.1 参考电路

图1.1 电平转换电路
注:
1、二极管电路中需特别关注二极管方向。
2、如果模组内部无上拉,则二极管转换电路需要外部上拉,上拉电阻建议不低于10k。
3、本文档中MCU_TXD电平默认输出3V,VCC_EXT电平默认1.8V,后续不再赘述。
4、模组VCC_EXT电平具体数值参考模组硬件设计手册。
1.2 功能说明
二极管转换电路导通与截止说明

三极管转换电路导通与截止说明

最低0.47元/天 解锁文章
268

被折叠的 条评论
为什么被折叠?



