集成运算放大器电阻电路
[!] 以下笔记内容可能会出现部分错误的地方,恳请各位师生批评指正,谢谢!
主要内容
- 集成运算放大器
- 集成运放的基本运算电路
运算放大器
1 介绍
- 运算放大器简称集成运放或运放,是一种集成芯片,在早期主要是用来模拟信号的运算如加减乘除、微积分等。1
- 集成运放的内部电路是由半导体晶体管或场效应管组成的多级放大电路。它在线性区的电压传输特性为2
U
o
u
t
=
A
u
o
(
U
+
−
U
−
)
(1-1-1)
U_{out}=A_{uo}(U_+-U_-)\tag{1-1-1}
Uout=Auo(U+−U−)(1-1-1)其中
A
A
A为集成运放的开环放大倍数,
U
+
U_+
U+称为同相输入电压,
U
−
U_-
U−称为反相输入电压。
- 由(1-1-1)可以看出,集成运放在非线性区是一个对输入电压之差为自变量的线性放大元件,其斜率等于它的开环放大倍数。
- 容易得到集成运放输入端与输出端之间并不满足能量守恒定律,故需要外加外部的直流工作电源之后才能进行放大处理,因此集成运放使一个有源器件。3
2 主要参数
2.1 开环电压放大倍数 A u o A_{uo} Auo
- 开环电压放大倍数 A u o A_{uo} Auo指集成运放的输出端和输入端之间,在没有外接元件的情况下,集成运放工作在线性区时,在输入端加小电压信号时所测出的电压放大倍数。、
- 实际中一般的集成运放的开环电压放大倍数都会很大,所以能近似的认为是理想集成运算放大器。
2.2 最大输出电压 U o m U_{om} Uom
- 集成运放在空载的时候,能使输出电压和输入电压保持不失真关系的最大输出电压, U o m U_{om} Uom一般会略低于工作电源所提供的电压。
2.3 输入电阻 R i d R_{id} Rid
- 指的是集成运放输入电压与输入电流之比。
2.4 输出电阻 R o R_{o} Ro
- 指的是集成运放输出端的等效电阻。
3 理想集成运算放大器
在此只讨论理想集成运放工作在线性区的时候
3.1 特点
- 开环电压放大倍数 A u o → ∞ A_{uo}\rightarrow\infin Auo→∞
- 输入电阻 R i d → ∞ R_{id}\rightarrow\infin Rid→∞
- 输出电阻 R 0 → 0 R_0\rightarrow 0 R0→0
3.2 输入端“虚短”
- 由于输出电压 U o u t U_{out} Uout为有限值,因此对于开环电压放大倍数 A u o → ∞ A_{uo}\rightarrow\infin Auo→∞,有 U + − U − = U o u t A u o ≈ 0 U_+-U_-=\frac{U_{out}}{A_{uo}}≈0 U+−U−=AuoUout≈0即 U + ≈ U − (1-3-1) U_+ ≈ U_-\tag{1-3-1} U+≈U−(1-3-1)
- (1-3-1)表明,理想运放工作在线性区时,其同相输入端和反相输入端的电位是相同的,即理想运放的输入端之间相当于短路。
- 但实际上理想运放的开环电压放大倍数 A u o ≠ ∞ A_{uo}\neq\infin Auo=∞,因此输入端之间只是近似于短路,故称为“虚短”。
- 若将理想运放输入端任意一端接地,则会使得两个输入端的电压趋于零,这种称为“虚地”。
3.3 输入端“虚断”
- 由于输入电阻 R i d → ∞ R_{id}\rightarrow\infin Rid→∞,而输入电压 U + − U − U_+-U_- U+−U−是有限值,因此对于输入电流 I I I有 I = I + = I − = U + − U − R i d ≈ 0 (1-3-2) I=I_+=I_-=\frac{U_+-U_-}{R_{id}}≈0\tag{1-3-2} I=I+=I−=RidU+−U−≈0(1-3-2)
- 由(1-3-2)可得,理想运放工作在线性区时,其同相输入端和反相输入端电流为零,即理想运放的输入端之间相当于断路。
- 但实际上理想运放的输入电阻为有限值,因此输入端电流只是近似于断路,因此称为“虚断”。
集成运放的基本运算电路
实际的集成运放在电路分析中能够当作理想集成运放来进行处理,运用虚短和虚断并结合电路的分析方法就能够分析集成运放的基本运算电路。
1 反相比例运算电路
[外链图片转存失败,源站可能有防盗链机制,建议将图片保存下来直接上传(img-ftZHs0Cz-1592828817740)(https://upload.wikimedia.org/wikipedia/commons/2/2d/Opampinverting.svg)]
1.1 推导
- 由于同相输入端接地,因此有 U − = U + = 0 U_-=U_+=0 U−=U+=0
- 同时由虚断,有 I − = I + = 0 I_-=I_+=0 I−=I+=0
- 对电路使用结点电压法,有 1 R i n ( U i n − U − ) + I − = 1 R f ( U − − U o u t ) \frac{1}{R_{in}}(U_{in}-U_-)+I_-=\frac{1}{R_f}(U_--U_{out}) Rin1(Uin−U−)+I−=Rf1(U−−Uout) U i n R i n = − U o u t R f \frac{U_{in}}{R_{in}}=-\frac{U_{out}}{R_f} RinUin=−RfUout即有 U o u t = − R f R i n U i n (2-1-1) U_{out}=-\frac{R_f}{R_{in}}U_{in}\tag{2-1-1} Uout=−RinRfUin(2-1-1)
1.2 性质
- 由(2-1-1)可以看出,反向比例运算电路中输入电压与输出电压之间成比例运算关系,这个比例系数也称为闭环电压放大倍数,即 A u f = − R f R i n = U o u t U i n A_{uf}=-\frac{R_f}{R_{in}}=\frac{U_{out}}{U_{in}} Auf=−RinRf=UinUout因为输出电压和输入电压的极性相反,故称为反相比例运算电路。
- 可以看出闭环电压放大倍数和集成运放内部的各项参数无关,仅仅只有电阻 R i n R_{in} Rin和 R f R_f Rf来决定。
- 当 R i n = R f R_{in}=R_f Rin=Rf时,则有 U i n = U o u t U_{in}=U_{out} Uin=Uout,此时电路称为反相器。
- 为了使电路平衡,因此我们会在同相输入端中串联平衡电阻 R 2 = R 1 / / R f R_2=R_1//R_f R2=R1//Rf(即 R 1 R_1 R1和 R F R_F RF的并联)(图中未画出)
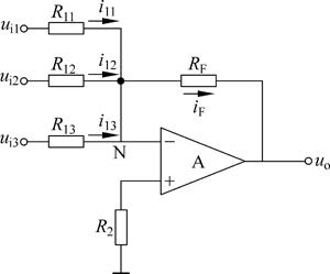
1.3 反相求和运算电路
- 使用电路的叠加定理,可以使用反相比例运算电路制作出加法器。4
- 在叠加定理下,可以将该电路分解为若干个反相比例运算电路的叠加,即 u o = − R F R 11 u i 1 − R F R 12 u i 2 − R F R 13 u i 3 u_{o}=-\frac{R_F}{R_{11}}u_{i1}-\frac{R_F}{R_{12}}u_{i2}-\frac{R_F}{R_{13}}u_{i3} uo=−R11RFui1−R12RFui2−R13RFui3整理后,有 u o = − ( R F R 11 u i 1 + R F R 12 u i 2 + R F R 13 u i 3 ) u_{o}=-(\frac{R_F}{R_{11}}u_{i1}+\frac{R_F}{R_{12}}u_{i2}+\frac{R_F}{R_{13}}u_{i3}) uo=−(R11RFui1+R12RFui2+R13RFui3)
- 在该电路中,平衡电阻 R 2 = R 11 / / R 12 / / R 13 / / R F R_2=R_{11}//R_{12}//R_{13}//R_F R2=R11//R12//R13//RF
- 该电路中输出电压与输入电压极性相反,若要得到同极性的输出电压,可以在后面再接入一个反相器。
1952

被折叠的 条评论
为什么被折叠?



