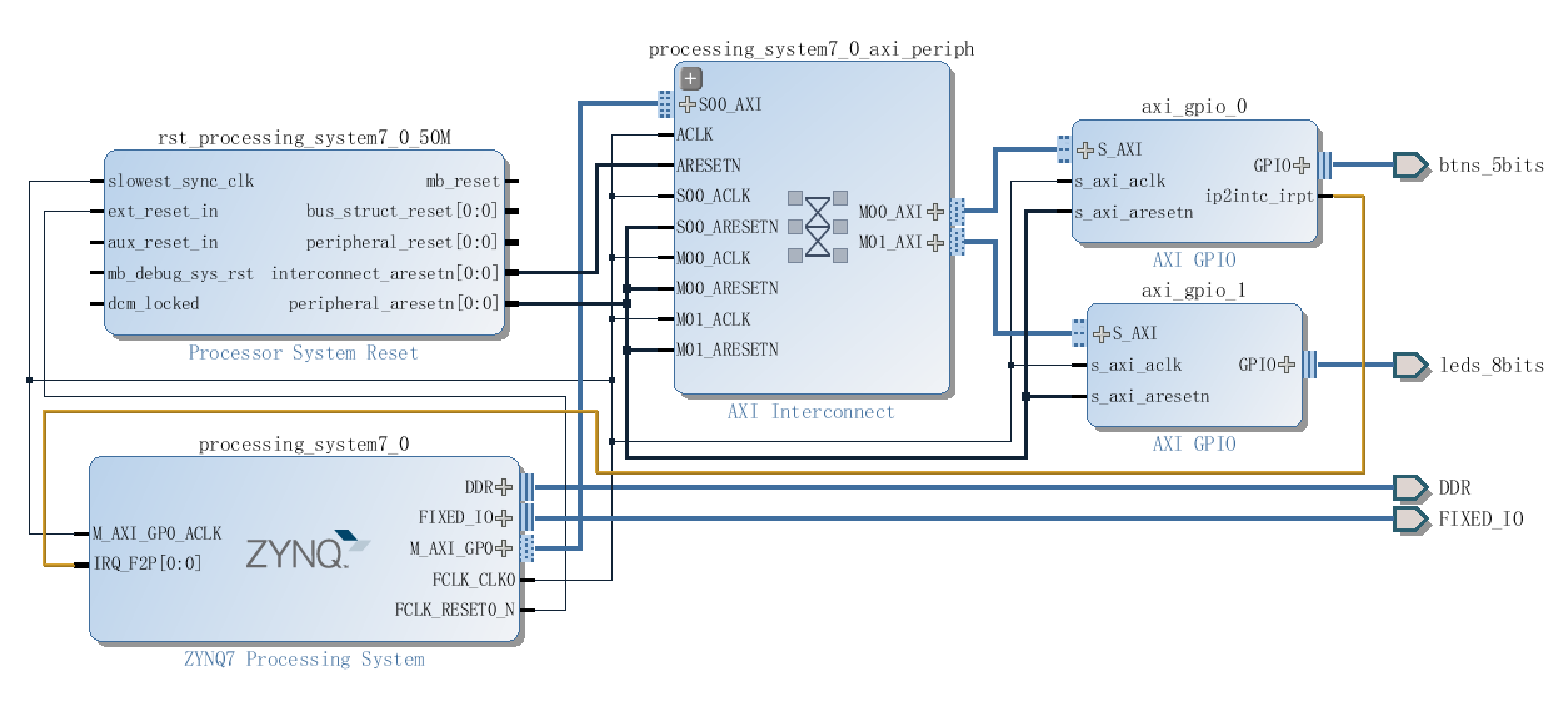
本篇文章主要介绍外设(PL)产生的中断请求,在PS端进行处理。
在PL端通过按键产生中断,PS接受到之后点亮相应的LED.
本文所使用的开发板是Miz702(兼容zedboard)
PC 开发环境版本:Vivado 2015.2 Xilinx SDK 2015.2
本篇博客详细介绍了如何在ZYNQ-7000平台上,从硬件工程角度设置中断,包括使能ZYNQ IP的IRQ_P2P,配置GPIO IP中断,连接到IRQ_F2P,直至生成BitStream。接着在软件工程中创建Hello World项目,实现按键触发中断点亮LED的功能。
本篇文章主要介绍外设(PL)产生的中断请求,在PS端进行处理。
在PL端通过按键产生中断,PS接受到之后点亮相应的LED.
本文所使用的开发板是Miz702(兼容zedboard)
PC 开发环境版本:Vivado 2015.2 Xilinx SDK 2015.2
7014

被折叠的 条评论
为什么被折叠?