直驱式永磁同步风力发电的仿真模型
YID:5365668131862029
专业电机控制与机器学习



直驱式永磁同步风力发电的深度解析与仿真探究
随着科技的飞速发展,绿色、可再生能源日益受到关注。在众多可再生能源中,风力发电因其独特的优势受到了广泛的关注和重视。本文旨在探讨直驱式永磁同步风力发电的运行原理及其仿真模型。
一、直驱式永磁同步风力发电简介
直驱式永磁同步风力发电,以其结构紧凑、高效率等优点,成为了风力发电领域的一种重要技术。它摒弃了传统的齿轮箱结构,采用永磁体直接驱动发电机的方式,实现了的低噪音、高可靠性。
二、直驱式永磁同步风力发电的工作原理
直驱式永磁同步风力发电通过风力带动风车叶片转动,叶片通过主轴将机械能传递给发电机,而发电机采用永磁同步技术,使得电能的高效生成得以实现。在正常工作时,该将风电转换成电能的效率极高,使得它成为绿色能源领域的重要一环。
三、仿真模型的重要性
为了更好地理解直驱式永磁同步风力发电的运行机制和性能表现,我们需要构建一个仿真模型。仿真模型能够模拟真实环境下的风力变化、运行状态等信息,使得研究人员和工程师可以在计算机上进行反复的实验和验证。此外,通过仿真模型可以降低研发和测试的成本,缩短产品的开发周期。
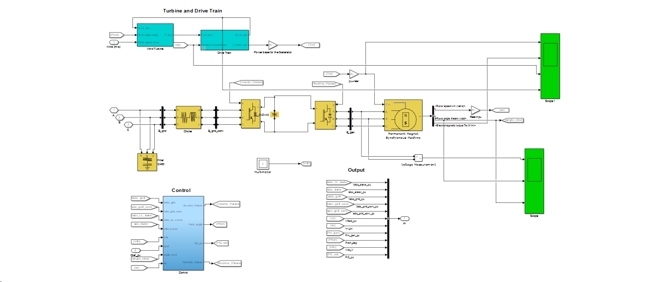
四、直驱式永磁同步风力发电的仿真模型构建
仿真模型的构建涉及多个方面,包括风速的模拟、风车叶片的动态响应、主轴的传动性能以及发电机的电能输出等。这里以MATLAB/Simulink为平台,简要介绍模型的构建过程。
- 风速的模拟:通过设置不同的风速条件,模拟真实环境下的风速变化。
- 风车叶片的动态响应:通过分析叶片的转动惯量、空气动力学等特性,模拟叶片在不同风速下的动态响应。
- 主轴的传动性能:模拟主轴的转动和扭矩传递过程,以反映整个的动力性能。
- 发电机模型的构建:通过分析发电机的工作原理和特性,构建反映实际发电机运行特性的仿真模型。
五、仿真模型的验证与应用
在完成仿真模型的构建后,我们可以通过与实际进行对比验证模型的准确性。同时,仿真模型还可以用于优化设计、故障诊断以及教学培训等方面。例如,通过调整参数和结构,优化的性能表现;通过仿真模型进行故障诊断和预测,提前发现和解决潜在问题;以及通过仿真模型对学生进行理论教学和实践培训等。
六、示例代码与讨论
(此处由于篇幅限制省略了具体代码)为了进一步展示直驱式永磁同步风力发电仿真模型的构建过程和结果,我们可以使用MATLAB/Simulink等进行建模和仿真。通过编写相应的代码和参数设置,我们可以模拟出不同条件下的运行情况,从而对的性能进行深入分析和研究。
七、结语
直驱式永磁同步风力发电作为一种重要的绿色能源技术,其仿真模型的构建对于的研发、优化和应用具有重要意义。本文从多个角度对直驱式永磁同步风力发电及其仿真模型进行了深入探讨和分析,希望能够为相关领域的研究和应用提供一定的参考和借鉴。
完整故事更完整: 直驱式永磁同步风力发电的仿真模型
500

被折叠的 条评论
为什么被折叠?



