一、基本定义与功能
1.1定义
低压差稳压器(Low Drop-Out Regulator,LDO)是一种电压稳压器,属于电源管理类电路。
LDO只能降压不能升压。
1.2功能
在一定输入电压变化范围内和负载变化范围内保证稳定的输出电压,给需要精准稳定供电的其他芯片供电。

电压变化范围就引出的定义:输入最小电压和稳定输出电压的压差。当输入电压大于芯片规定的该值,就可以使用这个芯片来输出。
二、基本结构与原理
2.1基本结构
1.分压取样电路
2.基准电压
3.误差放大电路
4.晶体管调整电路
2.2原理
图中调整管为PMOS管(负反馈)。
LDO工作原理就一句话:通过运放调节P-MOS的输出。
2.2.1过程分析1:从负载变化的角度
负载减小等导致的
减小→负载上电流增加→经PMOS管流到
,
的电流变小→
两端电压下降→反馈电压
下降→误差放大器正相输入端降低→p管栅极电压变低(P管
电压不变,进而使得
的压差增大)→
输出电流增加→
输出电流增加;经PMOS管流到
,
的电流重新变大(不再反馈)→
变大,回到正常电位,完成一次反馈控制。
2.2.2过程分析2:从
变化的角度
当变大→误差放大器负相输入端→误差放大器输出减小→p管栅极电压变低→p电阻减小→p管电流变大(负反馈)→
,
上电流变大→
,
电压上升→反馈电压
上升→误差放大器正相输入端增加→抵消误差放大器向下的趋势。
误差放大器给调整管的输入稳定之后,最关心的的变化,如下:
得到
其中开环增益A:指包含误差放大器和调整管整体的增益。
当A足够大时:
故
在调整管和反馈网络正常工作时,输出电压由反馈网络和决定,只要这两者稳定则输出电压稳定。
所以p管除了到反馈网络的另一条支路:p管电流变大(负反馈)→变大
达到随
变化而变化的目标。
2.2.3特别说明
(1)误差放大器
当小于
时,G点的电位就会减小。
通俗点理解1,运算放大器总是倾向于使得正(+)负(-)输入端的电压相等,因此,运放就会减小输出。
通俗点理解2,回归和
的本质,
是反馈跟着
跑,G点的电位必须减小,才能使反馈
达到标准
。
(2)PMOS管
G电位下降后,为什么就上升呢?

这就涉及到PMOS工作状态,下图是PMOS的输出特性曲线,或者叫做伏安特性曲线,是PMOS本身的一个特性,根据G、D、S电压不同,MOS会工作在不同的区域,即可变电阻区,饱和区(恒流区),截至区。
LDO中的MOS是工作在恒流区的。
顺着下图绿色箭头指示方向逐渐上升,
跟着
上升而上升,而这段区域内不管
怎么变换
基本不变。换句话说,恒流区内,
只受
控制,这就是PMOS LDO工作原理的核心部分。
三、主要参数
3.1输入输出压差
(1)定义
正常工作时输入电压与输出电压之间的最小差值。
(2)公式
,其中
是PMOS管导通电阻。
3.2电源转换效率
(1)定义
输出功率与输入功率之比,最大理想值为。
(2)公式
,
其中,是电路正常工作时的静态电流,详情见3.7。
可见当输出电压和输入电压相差很大(降压)时,效率就很低了。
3.3线性调整率
(1)定义
当输入电压变化时,输出电压维持在标称值上的能力。
(2)公式
3.4负载调整率
(1)定义
当输出电流变化时,输出电压维持在标称值上的能力。
(2)公式
3.5电源抑制比PSRR
(1)定义
LDO的 PSRR数据是用来量化LDO对不同频率的输入电源纹波的抑制能力的,它反映了LDO不受噪声和电压波动、保持输出电压稳定的能力。在特定频段内,PSRR越大越好。
100K到1MHz内的PSRR非常重要,这个是DCDC的噪声频率范围,LDO经常作为DCDC的下一级,要有能力滤除来自DCDC的大量噪声。
在ADC,DAC,Camera的AVDD供电上,我们要选择PSRR大于80dB(@100Hz)的LDO。
LDO的环路控制往往是确定电源抑制性能的主要因素,同时大容量,低ESR的电容对电源一直也非常有用,建议选择陶瓷电容。
PSRR与频率有关,LDO的规格书一般会给出几个频点的PSRR值。

3.6噪声
(1)定义
不同于PSRR,噪声是指LDO自身产生的噪声信号,低噪声的LDO稳压芯片可以很好的降低LDO产生的额外噪声,输出的电压更纯净,噪声一般计算出的值是有效值(rms),也可以用peak to peak来分析。
如下是某LDO的噪声水平,通常在uV级别。
![]()
LDO输出噪声的另一种表示方式是噪声频谱密度。只有高精度,低噪声电路上才需要关注这个参数。
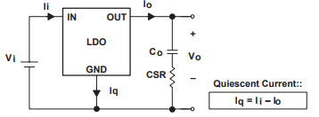
3.7静态电流
(1)定义
静态电流是外部负载电流为0时,LDO内部电路供电所需的电流。内部电路包括带隙基准电压源、误差放大器、输出分压器以及过流和过温检测电路。
这个电流经过从LDO的GND流出。

在一些电池供电低功耗场景下,要考虑LDO本身自身消耗的静态电流。休眠阶段的电源消耗成为影响电池寿命的关键因素。
要想最大限度地降低睡眠期间的功率消耗,需要选择具有极低静态电流的器件。
一般LDO芯片的静态电流的大小与芯片的其他性能成反关系,如低噪声,高电源电压抑制比,动态性能好的LDO静态电流都偏大一些。低的LDO做的好的话<100nA。
四、稳定性分析
这部分尽量理解即可,知识点比较深入,目前入门阶段不做要求。
4.1调节输出电容改善稳定性


系统中存在两个左半平面的极点和一个左半平面的零点,大小分别为:
,
,
在输出节点上,电容为输出电容
,电阻是图中从
看进去的电阻。
在误差放大器的输出端上,电容
为该电容连接在该点的集成电容,主要由两部分构成:
1误差放大器的输出端贡献一部分电容;2调整管栅极的电容。
电阻是图中从看进去的电阻,也就是误差放大器的输出阻抗。
其中输出电容比较大,在微法量级,可以存储大量电压,作用是稳定输出电压。
所以这个值非常的小,为主极点。
为次极点,频率高一点,但是也不是太多,因为
比较大(增益主要由误差放大器贡献,所以其输出阻抗非常的大),其次调整管为功率管,过大电流大电压,宽长比比较大,
也比较大。虽然
为次极点但是频率也是比较低的。
为零点,主要由于输出电容(也叫外接分立电容)上有等效串联电阻
,其中
虽大,
很小,总体来说
的位置和电容的选择有关。

(1)偏大
比较小,处在
和
之间,由于零点的存在,会降低幅度衰减的速度,将GBM推远,当GBW超过
,显然系统很难稳定。
(2)偏小
比较大,将
推远,意味着
对系统稳定性的影响很微弱,可以不考虑
。
和
离得比较近,GBW介于
和
之间,不会有很好的相位裕度,也很难稳定。
(3)适中
使得和
几乎重合,这样用零点抵消次级点,只剩下
,变成单极点系统,稳定性好。
这种方式不推荐,对电容的选择太苛刻。
4.2使用缓冲器改善稳定性

五、DCDC与LDO的区别
| DC-DC | LDO |
| 外围器件多,电路复杂,成本高 | 外围器件少,电路简单,成本低,通常只需要一两个旁路电容 |
| 负载响应比LDO慢,输出纹波大 | 负载响应快,输出纹波小 |
| 效率高,输入电压范围宽泛 | 效率低,输入输出压差不能太大 |
| 支持降压和升压 | 只能降压 |
| 输出电流高,功率大 | 输出电流有限,最高可能就几A,且达到最高输出和输入输出电压都有关系 |
| 静态电流都小,根据具体的芯片来看 | |
| 开关噪声大,为了提高开关DC-DC的精度,很多应用会在DC-DC后端接LDO | 噪声小 |
| 一般都是可调型,通过FB反馈电阻调节 | 分为可调和固定型 |
六、应用电路
6.1AC-DC电路
最常见的AC-DC电源,交流电源电压经变压器后,变换成所需要的电压,该电压经整流后变为直流电压。
在该电路中,LDO的作用是:在交流电源电压或负载变化时稳定输出电压,抑制纹波电压,消除电源产生的交流噪声。

6.2蓄电池电路
各种蓄电池的工作电压都在一定范围内变化,为了保证蓄电池组输出恒定电压,通常都应当在电池组输出端接入LDO。
LDO的功率较低,因此可以延长蓄电池的使用寿命,同时,由于LDO的输出电压与输入电压接近,因此在蓄电池接近放电完毕时,仍可保证输出电压稳定。

6.3 开关性稳压电源电路
开关性稳压电源的效率很高,但输出纹波电压较高,噪声较大,电压调整率等性能也较差,特别是对模拟电路供电时,将产生较大的影响。
在开关性稳压器输出端接入LDO,就可以实现有源滤波,而且也可大大提高输出电压的稳压精度,同时电源系统的效率也不会明显降低。

6.4 共电池电路
在某些应用中,比如无线电通信设备通常只有一足电池供电,但各部分电路常常采用互相隔离的不同电压,因此必须由多只稳压器供电。
为了节省共电池的电量,通常设备不工作时,都希望LDO工作于睡眠状态,为此,要求线性稳压器具有使能控制端。
有单组蓄电池供电的多路输出且具有通断控制功能的供电系统。

6.5 附加功能
- 通/断控制功能,允许使用机械开关、门电路或单片机来关断LDO的输出,使之进入低功耗的待机模式(亦称备用模式)。
- 输入电压反极性保护功能用来防止当输入电压极性接反时损坏LDO。
- 故障标记输出功能,当输出电压(或输入电压)低于规定阈值电压时,LDO能输出故障标记信号,微处理器在接收到此信号后,可及时完成数据存储等项工作。
- 瞬变电压保护功能,将LDO用于汽车电子设备时,需要对负载的瞬态变化(如突然卸载)进行保护,一旦输出端出现瞬变电压,立即将输出关断,等瞬变电压过去之后,又迅速恢复正常工作。
- 跟踪能力某些多路输出式LDO需要具有跟踪能力,其中一路或几路辅助输出电压能自动跟踪主输出电压的变化,并及时调整自己的输出电压值,以减小各路输出之间的相对变化量。
- 排序,所谓排序,就是在多个稳压电源构成的电源系统中,使每个稳压电源的输出都能按照规定的顺序接通或关断。
6.6LDO在STM32中的应用(H冠名)

在STM32中,某个GPIO口(12位)用于接受LDO输出的电压,REF用于设置基准电压。
当LDO输出的电压(模电信号)传入该GPIO口时,该GPIO口根据代码变换12位(0和1)的数值来转换成数电信号进行下一步的利用,如下:
| LDO输出 | GPIO口 |
| 3.3v(max) | |
| 0v(min) | 0(12位均是0) |
中间的电压值可以调节成12位中某几位变化,后续可以根据该GPIO口的值来变化。
基准电压REF可以用STM32写入数据来调节。
七、选取原则
电压类型:确定电路需要的电压类型是正电压还是负电压。正电压的器件较多,负电压的器件可以考虑LM2991(较多大公司使用)。
输入电压:稳压器输入端可以输入的电压范围(注意输入电压需要降额80%考虑)。
输出电压:稳压器输出端的输出电压值,不要选有ADJ(ADJ可调电压引脚)功能的,这样节省器件,降低干扰。
输出电流:稳压器输出端的最大输出电流值(至少留25%裕量)。
压差:确定压差是否合适,一定要查看规格书上,对应最大电流的最小压差要求。
封装:单板PCB、结构尺寸和生产线对封装形式的要求。
线性调整率:稳压器输入变化对输出的影响,即在负载一定的情况下,输出电压变化量和输入电压变化量之比。线性调整率越小越好。
负载调整率:是指在给定负载变化下的输出电压的变化,这里的负载变化通常是从无负载到满负载。负载调整率越小越好。
电源纹波抑制比(PSRR):表示稳压器抑制由输入电压造成的输出电压波动的能力。线性调整率只有在直流电时才需要考虑,但是电源抑制比必须在宽频率范围上考虑。PSRR是一个用来描述输出信号受电源影响的参量,PSRR越大,输出信号受到电源的影响越小。如果用在低噪声场合,一定要选择高PSRR(80dB以上)的LDO,建议在80dB以上。
瞬态响应:表示负载电流突变时引起的输出电压的最大变化,它是输出电容及其等效串联电阻和旁路电容的函数。其中输出电容的作用是提高负载瞬态响应的能力,也起到了高频旁路的作用。
静态电流(Iq):又叫接地电流,是通路元件的偏流和驱动电流的组合,通常保持尽可能低的水平。静态电流越大,稳压器的效率越低。如果是电池供电,对续航要求很高,一定要选择Iq低的LDO。
最大耗散功率:为了确保LDO节点温度不至于过高而损坏,LDO都必须计算最大耗散功率。LDO的实际耗散功耗要小于最大耗散功率,否则可能损坏LDO芯片。
输出电容以及ESR值:
- 输出电容是连接到LDO的输出端的电容。它的主要作用是在负载变化时提供额外的电荷以保持输出电压稳定。因此,输出电容越大,LDO对于负载变化的响应越好,输出电压的波动也越小。通常,1uF以上的输出电容是普遍要求的,但具体要求可能因供应商而异。
- ESR是电容器内部的电阻,主要由电解质和电极的电阻组成。在LDO选型中,ESR的值非常重要,因为它影响了电容器的性能。对于LDO来说,ESR越低越好,因为较低的ESR意味着更好的负载响应和更好的稳定性。然而,ESR也不能太低,因为过低的ESR可能会导致LDO不稳定。
如果器件对输出电容以及ESR有特殊要求,考虑公司现有器件是否满足要求(几乎每一家的LDO,和
都要求1uF以上,ESR越低越好,最好小于100mΩ,但也不能太小,低于几个mΩ也可能使LDO工作不稳定)。
本文详细介绍了低压差稳压器(LDO)的基本定义、功能、工作原理、主要参数(如输入输出压差、效率、调整率、PSRR等)、稳定性分析以及与DCDC的区别。此外,还讨论了在STM32应用中的注意事项和选取LDO时的关键因素。
2451

被折叠的 条评论
为什么被折叠?



