最近在做一个陀螺仪的项目用到I2C接口,STM32cubeMX自己生成的I2C驱动使用的是硬件I2C,HAL库函数直接调用即可。在读取24C02的时候没什么问题,可以直接用。但是在和mpu9250通讯的时候似乎有点问题,DMP自检总是通不过,后来改为模拟I2C后解决。也有可能是HAL库版本的问题,stm32cubeMX生成的代码中没有找到库版本的说明。
下面对模拟I2C的代码分析
I2C IO口宏定义
#define IIC_SCL PHout(4) //SCL
#define IIC_SDA PHout(5) //SDA
#define READ_SDA PHin(5) //输入SDA
#define SDA_IN() {GPIOH->MODER&=~(3<<(5*2));GPIOH->MODER|=0<<5*2;} //PH5输入模式
#define SDA_OUT() {GPIOH->MODER&=~(3<<(5*2));GPIOH->MODER|=1<<5*2;} //PH5输出模式

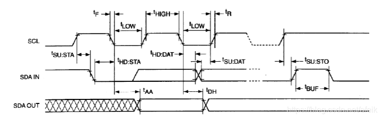
以I2C写为例,基本上就是将SCL、SDA引脚配置为IO输出模式,按时序要求有规律的控制SCL、和SDA引脚高低变化。I2C总线协议示意图如下:

发送一个Byte的完整过程如下:
u8 MPU_Write_Byte(u8 addr,u8 reg,u8 data)
{
IIC_Start(); //起始时序
IIC_Send_Byte((addr<<1)|0); //发送器件地址+写命令
if(IIC_Wait_Ack()) //等待应答
{
IIC_Stop();
return 1; //无应答退出
}
IIC_Send_Byte(reg); //写寄存器地址
IIC_Wait_Ack(); //等待应答
IIC_Send_Byte(data); //发送数据
if(IIC_Wait_Ack()) //等待ACK
{
IIC_Stop();
return 1; //无应答退出
}
IIC_Stop();
return 0;
}
各子函数实际上也是按要求的SCL、SDA,这两个IO口读写过程
void IIC_Start(void)
{
SDA_OUT(); //sda线输出
IIC_SDA=1;
IIC_SCL=1;
delay_us(4);
IIC_SDA=0;//START:when CLK is high,DATA change form high to low
delay_us(4);
IIC_SCL=0;//钳住I2C总线,准备发送或接收数据
}
/**********************************************************************/
void IIC_Stop(void)
{
SDA_OUT();//sda线输出
IIC_SCL=0;
IIC_SDA=0;//STOP:when CLK is high DATA change form low to high
delay_us(4);
IIC_SCL=1;
delay_us(4);
IIC_SDA=1;//发送I2C总线结束信号
}
/**********************************************************************/
u8 IIC_Wait_Ack(void)
{
u8 ucErrTime=0;
SDA_IN(); //SDA设置为输入
IIC_SDA=1;delay_us(1);
IIC_SCL=1;delay_us(1);
while(READ_SDA)
{
ucErrTime++;
if(ucErrTime>250)
{
IIC_Stop();
return 1;
}
}
IIC_SCL=0;//时钟输出0
return 0;
}
/**********************************************************************/
void IIC_Ack(void)
{
IIC_SCL=0;
SDA_OUT();
IIC_SDA=0;
delay_us(2);
IIC_SCL=1;
delay_us(2);
IIC_SCL=0;
}
/**********************************************************************/
void IIC_NAck(void)
{
IIC_SCL=0;
SDA_OUT();
IIC_SDA=1;
delay_us(2);
IIC_SCL=1;
delay_us(2);
IIC_SCL=0;
}
/**********************************************************************/
void IIC_Send_Byte(u8 txd)
{
u8 t;
SDA_OUT();
IIC_SCL=0;//拉低时钟开始数据传输
for(t=0;t<8;t++)
{
IIC_SDA=(txd&0x80)>>7;
txd<<=1;
delay_us(2); //对TEA5767这三个延时都是必须的
IIC_SCL=1;
delay_us(2);
IIC_SCL=0;
delay_us(2);
}
}
/**********************************************************************/
u8 IIC_Read_Byte(unsigned char ack)
{
unsigned char i,receive=0;
SDA_IN();//SDA设置为输入
for(i=0;i<8;i++ )
{
IIC_SCL=0;
delay_us(2);
IIC_SCL=1;
receive<<=1;
if(READ_SDA)receive++;
delay_us(1);
}
if (!ack)
IIC_NAck();//发送nACK
else
IIC_Ack(); //发送ACK
return receive;
}
需要注意的是模拟I2C需要调用微秒级延时函数delay_us
代码参考,正点原子

被折叠的 条评论
为什么被折叠?



