VSG预同步控制matlab仿真模型
主要模块:
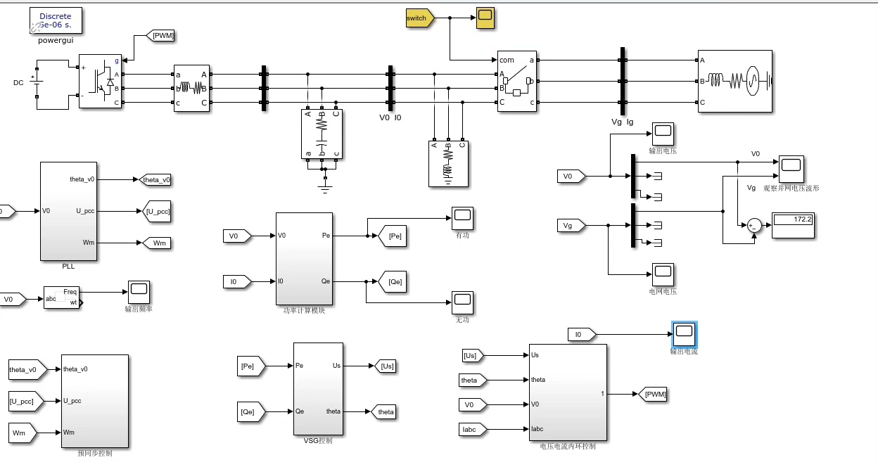
并网逆变器+VSG控制+预同步控制+电流电流双环控制
锁相环、三相准PR控制、PWM。
并附带参考文献,内容详实,适合电力电子入门仿真参考。
YID:7316718689215941
毕业该爬电线杆子la




VSG预同步控制是一种在电力电子领域中常用的控制策略,它主要应用于并网逆变器系统中。本文将围绕VSG预同步控制的matlab仿真模型展开讨论,并深入研究其主要模块,包括并网逆变器、VSG控制、预同步控制以及电流电流双环控制。同时,还将介绍锁相环、三相准PR控制和PWM技术在该模型中的应用。
首先,我们来介绍VSG预同步控制中的并网逆变器。并网逆变器起到将直流电能转化为交流电能并注入电网的作用,它是光伏发电系统中的核心组件之一。在并网逆变器中,主要包含了功率开关元件、滤波电路以及控制电路等。通过采用适当的控制策略,可以实现电网与并网逆变器之间的能量匹配与交互,使得系统运行稳定可靠。
其次,VSG控制是VSG预同步控制模型中不可或缺的一部分。VSG即虚拟同步发电机,它通过模拟同步发电机的运行状态来提供电网给并网逆变器参考信号。VSG控制主要包括了频率和相位的调节,通过实时监测电网的频率和相位差,并将其与预设值进行比较,以调整并网逆变器的输出频率和相位,实现与电网的同步。
在VSG预同步控制中,预同步控制模块的作用是在并网逆变器输出电压与电网电压相位差大于180度时,通过调整输出电压的相位,使其逐渐接近电网电压相位,并最终与电网实现同步。预同步控制模块的核心部分是相位锁定环,它通过不断调整输出电压的相位,使其稳定地趋近于电网电压相位。相位锁定环的设计与参数调节将直接影响预同步控制的稳定性和性能。
电流电流双环控制是VSG预同步控制模型中的另一个重要模块。它主要用于实现并网逆变器输出电流的精确控制。通过对输出电流进行实时监测,并与预设值进行比较,电流电流双环控制可以调节并网逆变器的输出功率,使其与电网实现匹配。通过优化控制策略和参数调节,可以实现对输出电流的精确控制,提高系统的运行效率和功率质量。
除了以上主要模块,锁相环、三相准PR控制和PWM技术在VSG预同步控制中也是不可忽视的部分。锁相环主要用于实时监测电网频率和相位差,提供给VSG控制参考信号。三相准PR控制则是一种常用的电流控制策略,通过对输出电流进行准PR控制,可以提高系统的响应速度和稳定性。而PWM技术则用于控制并网逆变器的开关管,通过调节开关管的开关频率和占空比,可以实现对输出电压和电流的精确控制。
综上所述,VSG预同步控制matlab仿真模型是一种在电力电子领域中常用的技术,它在并网逆变器系统中起到了重要的作用。通过对主要模块的详细介绍和研究,我们可以更好地理解VSG预同步控制的原理和实现方式。同时,本文提供的参考文献也能够为电力电子入门仿真参考提供有益的资料。希望本文的内容能够为读者提供有关VSG预同步控制的深入分析和理解,并为其在实际应用中提供一定的参考和指导。
【相关代码,程序地址】:http://fansik.cn/718689215941.html
552

被折叠的 条评论
为什么被折叠?



