-----------------------------------------------------------------------
- 设计任务与要求
1、设计任务
设计并实现一个数字频率计。
2、基本要求:
- 测频率范围:10Hz ~ 10K Hz。为保证测量精度分为三个频段:
10Hz ~ 100 Hz
100Hz ~ 1K Hz
1 K Hz ~ 10K Hz
当信号频率超过规定的频段上限时,设有超量程指示。三个频段之间用手动切换。
- 输入波形:低频函数信号发生器输出的方波,幅度为5V 。
- 测量误差:σ≤±1%。
- 显示和响应时间:
测量结果用三位半导体数码管显示,要求显示数码稳定清晰。三个频段的最大显示数分别为99.9 Hz,999. Hz,9.99 K Hz,为此需要控制小数点位置,并用两个发光二极管分别显示频率单位:Hz 或K Hz,详见表2.2。
|
实现量程的自动转换。
二、基本工作原理
频率测量的方法常用的有测频法和测周法两种。
- 测频法
测频法的基本思想是让计数器在闸门信号的控制下计数1秒时间,计数结果是1秒内被测信号的周期数,即被测信号的频率。若被测信号不是矩形脉冲,则应先变换成同频率的矩形脉冲。测频法的原理框图如图2-2-1所示。
图中,秒脉冲作为闸门信号,当其为高电平时,计数器计数;低电平时,计数器停止计数。显然,在同样的闸门信号作用下,被测信号的频率越高,测量误差越小。当被测频率一定时,闸门信号高电平的时间越长,测量误差越小。但是闸门信号周期越长,测量的响应时间也越长。
例如,闸门信号高电平时间为1秒,被测信号频率的真值为2Hz,如图2-2-2所示。由
![]() | |
图可知,无论被测信号的频率是多少,测量时可能产生的最大绝对误差均为±1Hz,即
f测-f真=±1Hz
所以,最大相对误差为
σmax= (f测-f真)/ f真=±1/ f真
![]() | |
由上式可知,在闸门信号相同时,测频法的相对误差与被测信号的频率成反比。因此测频法适合于测量频率较高的信号。
- 测周法
当被测信号频率较低时,为保证测量精度,常采用测周法。即先测出被测信号的周期,再换算成频率。测周法的实质是把被测信号作为闸门信号,在它的高电平的时间内,用一个标准频率的信号源作为计数器的时钟脉冲。若计数结果为N,标准信号频率为f1,则被测信号的周期为
T = T1·N
被测信号的频率为
f = 1/T1·N = f1/N
利用测周法所产生的最大绝对误差,显然也等于±1个标准信号周期。如果被测信号周期的真值为T真= T1·N,则T测= T1·(N±1)
σmax= (f测-f真)/ f真= T真/T测 – 1=±1/(N±1)
由上式可知,对于一定的被测信号,标准信号的频率越高,则N的值越大,因而相对误差越小。
- 低频段的测量
鉴于上述困难,对于低频信号,为了达到规定的精度,要采取一些比较特殊的方法。例如,可考虑将被测信号倍频后再用测频法测量。或将闸门信号展宽。由于倍频电路比较复杂,所以一般采用后一种方法,实际上闸门信号展宽与被测信号倍频在效果上是相同的。闸门信号展宽比较容易做到,例如采用分频电路就可以实现。若闸门信号高电平时间从1秒展宽到10秒,则相对误差可以按比例下降,但响应时间也增大相同的比例。
- 测频法的参考框图
![]() |
图2-2-3是测频法的参考框图。被测信号为矩形波时,整形电路可省略。对信号的低频段采用闸门信号展宽的方法,因此分别采用1秒和10秒两个闸门信号,频段控制可以采用三位(K2、K1、K0)或二位控制信号。在测量过程中,由于计数器的输出总是不断变化的,如果这时译码器实时地将计数值译码,显示器就会不断地跳动,无法读数;或者跳动太快,由于人地视觉残留,看起来显示器总是显示8。为了在测量过程中能稳定清晰地显示数码,译码器必须具有锁存功能。
三、单元电路设计参考
- 锁存/译码/驱动器
为了能稳定清晰地显示频率,只有在一次测量结束后再将结果通过锁存器传输给译码器,并且这个结果由锁存器锁存。下一次测量过程中,由于锁存器地锁存作用,计数器输出的变化不会影响显示的内容,显示器仍然显示原来锁存的内容。在下一次测量结束才更新锁存器、译码器和显示器的内容。因此,所选用的译码器必须兼有锁存功能,同时译码器还应具有足够地驱动能力,以便直接驱动数码管。
- BCD码计数器
计数器输出给译码器地信号应为BCD码,因此采用十进制集成计数器较为方便。为了满足测量误差的要求,在10Hz ≤ f <100 Hz 段,将闸门信号展宽为10秒。在显示时加上小数点和单位后,显示的最大值为99.9Hz。因此,在这一频段,需要三个十进制的计数器级联构成一个一千进制计数器。在100Hz ≤ f <1KHz 段,闸门信号为1秒,显示的最大值为999.Hz。也是三个十进制的计数器级联。在1 KHz ≤ f < 10KHz,闸门信号为1秒,最大计数值为9999 Hz,需要四个十进制的计数器级联,而显示只有三位,因此将最低一位的计数结果舍去,显示最大值为9.99 KHz。舍去的尾数不会超过最大相对误差。
- 闸门信号信号产生电路
闸门信号信号产生电路包括矩形波发生器和分频电路两部分。分频的级数取决于矩形波发生器的输出频率。由于闸门信号的精度直接影响整机的精度,因此要选择输出频率十分稳定的矩形波发生器。矩形波发生器的电路形式很多。可以用运放、TTL与非门、CMOS门电路、施密特反相器、集成定时器和石英晶体振荡器等器件实现,可以根据频率要求、成本等要求选择合适的方案。
分频电路可以采用十进制或十六进制的计数器级联而成。为了减少分频的级数矩形波发生器的输出频率不能太高也不能太低,否则,调试和校准闸门信号十分困难。振荡器中的R、C参数的选择也应恰当。R或C很大时,误差往往较大。
- 控制电路
控制电路是单元设计中最重要的任务。控制电路设计的质量关系到元器件数量的多少,线路是否可靠,甚至会关系到整个方案能否实现。控制电路主要包括三个部分:
- 三个不同频段时,小数点位置的改变,显示单位的变化,三级或四级BCD计数器的选择,闸门信号10秒或1秒的选择。
- 译码器锁存脉冲和计数器清零脉冲的产生及其与闸门信号时序的配合。
- 超量程指示。
- 三个频段控制
三个频段的控制可以采用三位控制码,也可以采用二位控制码。表2.2.2列出了三个频段控制的要求。表中采用的闸门信号为10秒和1秒两种。
| |||||||||||||||||||||||||||||||||||||
小数点位置的改变和显示单位的选择可以用组合逻辑电路来实现。

|
表2.2.3
| ||||||||||||||||||||||||||||||||||||||||||||||||||||||||
![]() |
在三个不同频段,十进制计数的位数和闸门信号时间的选择方法可以由图2-2-4表示。选择器1用来选择三位或四位BCD码计数器;选择器2用来选择闸门信号(10秒或1秒)。它们的真值表如表2.2.3所示。数据选择器可以用门电路实现也可以采用集成数据选择器。
- 锁存脉冲和清零脉冲的产生
由于在闸门信号的高电平期间计数器计数,低电平时计数器停止计数,因此锁存脉冲应在闸门信号的下降沿后产生。在锁存脉冲为低电平期间,锁存/译码/驱动器执行传输功能,即输入信号通过内部的传输门送到译码器的输入端。当锁存脉冲由0变成1时,输入信号被锁存,所以输入信号的变化不再影响译码器的译码结果。锁存结束后,可以将计数器清零,为第二次测量做好准备。对清零脉冲的时序,有几种不同的方案,如图2-2-5所示。方案1利用闸门信号的上升沿产生清零脉冲,这样,计数时间要减少一个清零脉冲的脉宽,是否会影响频率计的测量误差,应作仔细分析。
方案2是利用锁存脉冲的上升沿产生清零脉冲。这样可以保证闸门信号的高电平期间计数器计数。但是如果锁存器的锁存延迟时间超过计数器清零的延迟时间,就可能使锁存器种锁存的各位信号全部是零。
方案3是在方案2的基础上再加一级单稳态延时电路,锁存后延迟一段时间再对计数器清零。这样锁存和清零之间就有足够的时间,工作比较可靠。
![]() |
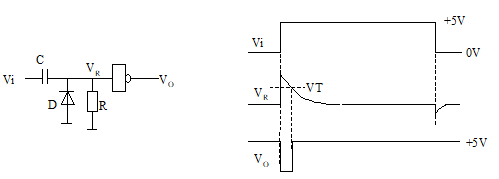
锁存脉冲和清零脉冲,可以用单稳态电路产生。单稳态电路可以用门电路构成,也可以用集成定时器或集成单稳态触发器。若对脉宽没有严格要求,也可以用较为简单的电路实现。图2-2-6为CMOS单稳延时电路及其时序图。如果CMOS与非门内部已有输入保护二极管,则图2-2-6中的二极管可以省略。
(3)超量程指示电路
图2-2-7是超量程指示电路的参考方案。该方案的饿设计思想是:当出现超量程时,BCD计数器的最高位输出端Q4就从1变为0,利用Q4的这个下跳边沿,使触发器F0的输出端Q0由0变成1。因此,当锁存脉冲到来时,触发器F1的输出端Q1变成1,使作为超量程指示用的发光二极管亮。
![]() |
如果由于输入信号的频率减小或切换了频段,下一次测量不再超量程时,则在下一次测量结束后,发光二极管应熄灭。为实现这个功能,用清零脉冲使Q0复位,但由于Q1仍维持1,因此下一次测量结束之前,发光二极管不会熄灭。
四、可供选择的元器件
|
可供选用的元器件如表所示。需要表中所列以外的元器件需要向实验指导教师提出申请。阻容元件可以自选。







1502

被折叠的 条评论
为什么被折叠?



