APFC控制

1.问题描述:

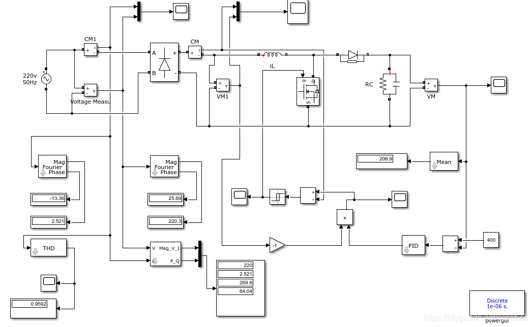
有源功率因数校正(Active Power Factor Correction ,简称APFC) 技术因能提高电力电子装置网侧功率因数,降低线路损耗,节约能源,减少电网谐波污染,提高电网供电质量等优点,在许多行业中得到广泛的应用。

2.部分程序:

 

3.仿真结论:

D-71

评论
添加红包

请填写红包祝福语或标题

红包个数最小为10个

红包金额最低5元

当前余额3.43前往充值 >
需支付:10.00
成就一亿技术人!
领取后你会自动成为博主和红包主的粉丝 规则
hope_wisdom
发出的红包

打赏作者

fpga和matlab

你的鼓励将是我创作的最大动力

¥1 ¥2 ¥4 ¥6 ¥10 ¥20
扫码支付:¥1
获取中
扫码支付

您的余额不足,请更换扫码支付或充值

打赏作者

实付
使用余额支付
点击重新获取
扫码支付
钱包余额 0

抵扣说明:

1.余额是钱包充值的虚拟货币,按照1:1的比例进行支付金额的抵扣。
2.余额无法直接购买下载,可以购买VIP、付费专栏及课程。

余额充值