1.软件版本
MATLAB2013b
2.部分核心程序
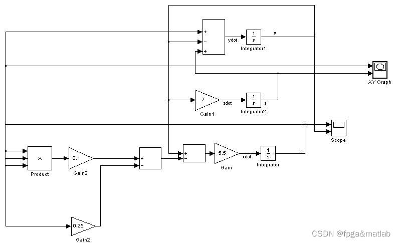
设计如下的基本系统框图如下所示:

图1 混沌电路仿真结构图
下面主要介绍一下每个模块的功能以及参数的配置:
·Product
在系统中,我们用到了一次乘法器,输入为3位,其主要的参数如下:

图2 Product参数设置界面
该乘法器的主要作用是将三路输入做相乘运算。
·Gain
其主要的参数设置如下:

图3 Gain参数设置界面
这里信号的增益设置为0.1,即将信号的幅度乘以0.1后作为信号的输出。这里我们用到了多个信号增益模块,主要有0.1增益,0.25增益,5.5增益和-7增益。
·integrator
积分器模块,1/s,主要左右为起到积分作用,用到了拉普拉斯变换,即在拉普拉斯域和1/s做相乘运算,从而达到积分作用。
其主要的参数设置如下:

图4 integrator参数设置界面
·scope
这个模块比较熟悉,主要用于波形的显示功能,这里就不多做介绍了。
·XY Graph
这个主要用于波形的显示,功能上有点类似于plot函数,这里就不多做介绍了。
3.仿真结果
点击XY Graph模块,可以得到如下的仿真结果。下面的图形就是我们寻找吸引子中的马蹄,用拓扑马蹄理论的知识来严格证明该吸引确实是一个混沌吸引子。

图4 二环马蹄仿真图
根据混沌运动中混沌吸引子的特征,混沌吸引子是整体稳定和局部不稳定相结合的产物,在相空间的表现是“伸长”和“折叠”。它具有复杂的拉伸,折叠和伸缩结构 , 使得按指数规律发散的系统保持在有限的空间内,即一切位于吸引子之外的运动都向吸引子靠拢,对应着稳定的方向;而一切到达吸引子内部的运动轨道都相互排斥,对着不稳定的方向。也就是说从整体上讲,系统是稳定的,即吸引子外的一切运动最后都要收敛到吸引子上;但从局部来说,吸引子内的运动又是不稳定的,即相邻运动轨道要相互排斥而按指数型分离。
从实验中,很容易地观察到倍周期和四周期现象。再有一点变化,就会导致一个单漩涡的混沌吸引子,较明显的是三周期窗口。观察到这些窗口表明,得到的是混沌的解,而不是噪声。在调节的最后,看到吸引子突然充满了原本 2 个混沌吸引子所占据的空间,形成了双漩涡混沌吸引子。由于示波器上的每一点对应着电路中的每一个状态,出现双混沌吸引子就意味着电路在这个状态时,相当于电路处于在最初的那个响应状态,最终会达到哪一个状态完全取决于初始条件。
此外观察SCOPE,我们可以但到整个混沌电路的时域图。

图3 混沌系统仿真图
通过上述的仿真结论,我们就该仿真结果做简单的分析。系统输出了方波,从而验证了系统的正确性。
3.部分核心程序
[1]杨芳艳. 混沌电路的理论分析[D]. 重庆邮电大学, 2006.A07-01

本文详细介绍了使用MATLAB2013b进行混沌电路的仿真实验。通过配置乘法器、增益、积分器等模块参数,实现混沌系统的基本结构。仿真结果显示了混沌吸引子的特征,包括倍周期和四周期现象,以及双漩涡混沌吸引子的形成,验证了系统的混沌行为。通过对SCOPE模块的观察,得到了混沌电路的时域波形图。
403

被折叠的 条评论
为什么被折叠?



