目录
一、案例背景
由于人口增加、城市化和工业化,能源需求与日俱增,可再生能源是我们传统能源的替代品,因为传统能源是有限的,而且会过期。 太阳能、风能和水能等清洁能源变得越来越受欢迎,主要是因为它们不产生任何排放,而且取之不尽用之不竭。 光伏(PV)能源效应可以被认为是一种重要的可持续资源,因为太阳能辐射能量丰富,而且具有可持续性,因此电网连接的光伏系统被广泛使用,尽管太阳能可以免费获得,但光伏电池的成本非常高。因此,对太阳能的初始投资将是非常高的。光伏系统的基本元素是太阳能电池,它将太阳光照度转换为直流电。 光伏系统的电网连接需要一个有效的转换器,将低直流电压转换为交流电。
需要满足公用电网和光伏系统两方面的技术要求,以确保光伏安装者的安全和公用电网的可靠性,从而有效利用所产生的电力。 必须开发一个接口系统来实现光伏系统和电网之间的互联。 为了确保该系统能如愿以偿地工作,并研究其在不同条件下的影响;必须对该系统进行建模和模拟。 本文是这一领域的一个小贡献,但进一步说,研究人员和项目必须实施并网光伏系统和智能电网而做。因此,主要目标是为三相光伏并网开发一个电力电子接口,能够在所有日照水平下从光伏阵列中提取最大功率,并实施逆变器,将直流输出电压转换为与公用电网和家用电器兼容的电压。
二、思路流程
- Matlab simulation模拟新能源(风能,太阳能,地热能等)
- 出图有关电压,电流,电阻,以及功率输出等的关系图,并且能用matlab code或者在模拟中进行计算材料成本,排放,效率,并且能够有互相的可比性,比如,输出功率统一设定为10MW然后观察每个设备的效率以及损耗,并且建造的成本,运行时的排放污染等。
- 需要有相对应的设计说明,以及使用了哪些方法进行论证,哪些是不可控因素,哪些是变量,具体模拟时参数的调整,如何控制变量和不可控因素。
- 关于life cycle assessment,这些实验的方法和数据是否有差错,是否有可修改的地方,这些数据和结果是否是我们理想的数据和结果,如何判定他是可靠的数据和结果。
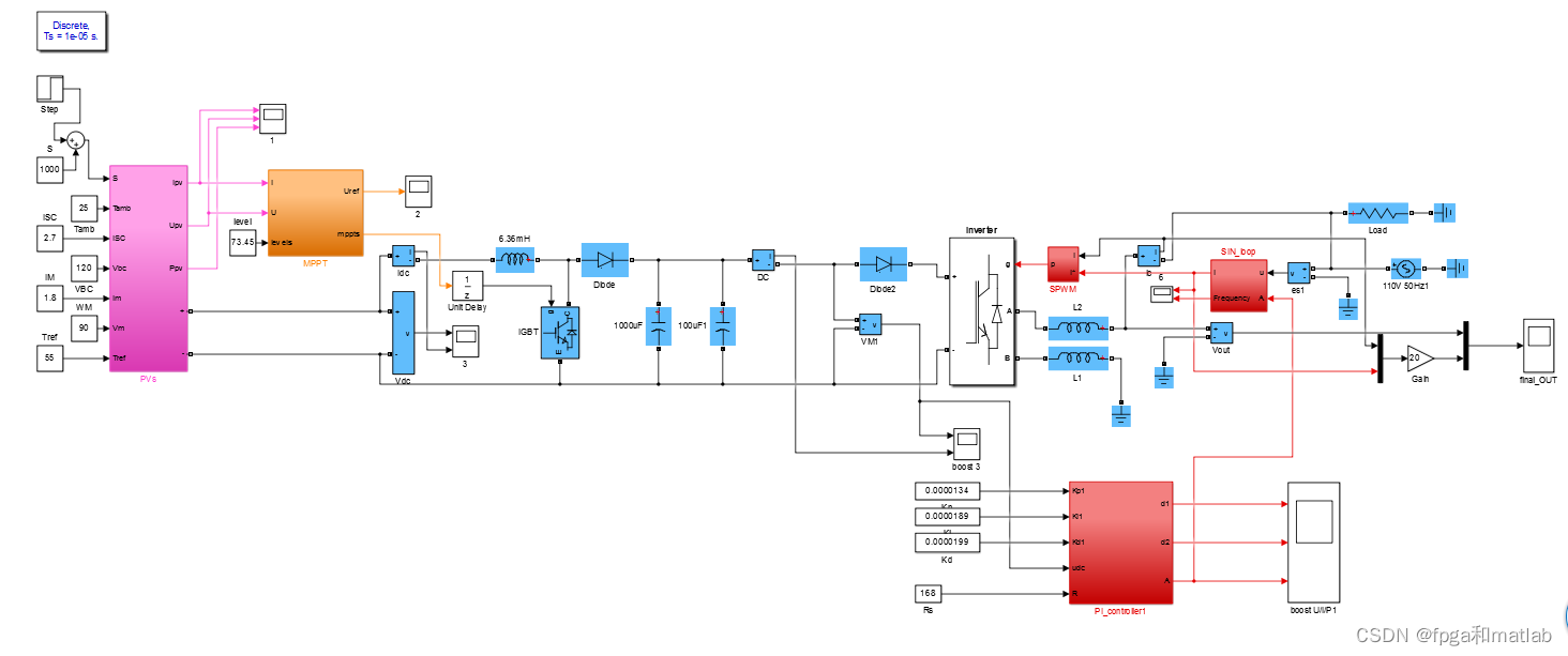
三、部分simulink模型

四、仿真结论分析
风电功率分别为:


由于单块的光伏发电板发电量都比较小,这里需要获得相同功率的光伏输出,那么则需要
6200/169 = 37个光伏发电板。
因此,下面分析发电成本和污染以及设备的损耗,都以这个倍数为基准进行对比。

关于风力发电,其寿命主要取决于风电机组主轴轴承的寿命,这是由于这个逐渐是风力发电中寿命最短的一个部件,根据前面的仿真可知,

而这里的功率和主轴轴承的转速成正比,
其关系满足如下关系式:

这里使用寿命函数和转速之间满足如下式子:

其中N为主轴轴承的循环次数。在较好的工况下,其循环次数为9.49*10^8(这个是实验数据,非仿真数据)随着工况变差, N取值逐渐降低
这里分析如下几种类型的工况
N1=9.49*10^8;
N2=7.71*10^8;
N3=6.23*10^8;
N4=4.23*10^8;
N5=2.81*10^8;
N6=1.11*10^8;

五、参考文献
[1]陈海东, 潘学萍, 黄桦,等. 分布式光伏与风电机组LVRT及电流限幅环节的等值建模[J]. 电力自动化设备, 2022.A26-05

91

被折叠的 条评论
为什么被折叠?



