-----------------------------------------------------------------------
目录
一、理论基础
在分布式能源的利用中,首先要做的第一步是通过分布式能源的本体系统,比如风力发电化、太阳能光伏电池板、燃料电池及微型燃气轮机等,将大自然界的一次能源,如风能、阳光、氨气及天然气等,转化为电能或者中间能形式存在的机械能。第二步则是通过相关的电为设备接口,输出满足相关并网标准要求的电能,并最终完成并网发电的过程。由于不同分布式电源间的动态恃性不尽相同,在其利用方式上也会存在很大的差异。
在分布式电源中,除了少数的能够直接并网外,大部分的分布式电源需要通过电力电子接口的变流器装置来并入电网或者独立运行。而这样的利用方式决定了分布式发电系统的动态响应特性直接与电力电子接口的变流装置及其控制系统相关。此外,这些电力电子并网接口起到的作用除了上面提到的二次转换之外,还具有电气隔离、抑制电压波动等。从数学模型上来说,分布式发电系统的动态响应特性是每个环节在各自时间尺度上动态特性的叠加,从而构成了一个由多环节之间相互賴合的较强的非线性动力学系统。
分布式电源的种类多种多样,且其控制策略及并网方式也不一样,因此在系统分析及仿真过程中对模型的描述就显得较为困难。对于各种不同的分布式电源,本文则重点针对课题所涉及的分布式光伏储能系统进行建模分析与控制策略研究。文中首先对光伏发电系统的原理进行说明,其次,建立光伏发电及储能系统的数学模型,最后,在此基础上针对典型王相光伏并网逆变器的拓扑结构,分析和研究其常见的逆变并网控制策略。
随着分布式能源在电力系统中所占的比重逐渐增加,电力系统的安全稳定运行将会受到越来越大的考验,因为新增的分布式能源在W电力电子逆变接曰接入电网时,其不会对电网的频率和电压有任何的支持作用,这点与传统的同步发电机不同。而针对分布式电源提出的虚拟同步发电机控制算法,对电网的稳定性有着较好的改善作用。通过在分布式电源的逆变器接口上采用虚拟同步发电机空策略,就能够使得分布式电源具有与实际同步发电机相似的外特性,从而能够为系统提供频率及电压支持,一定情况下,相应的会増加系统的惯性和阻尼分量,从而为电网系统的稳定性做出贡献。
在虚拟同步发电机控制算法中,最重要的两个量便是惯性和阻尼。从最原始的定义上,惯性是指物体保持运动状态不变的性质,比如一个物体保持静止状态或者匀速直线运动状态等,物体运动的惯性量值则是惯量。而阻尼则是指在任何的振动系统振动时,由于外界的作用或者系统本身固有的原因引起的振动幅度逐渐下降的一种特性和此特征的量化表征。在实际的同步发电机中,惯性和阻尼的大小对系统的稳定性起着非常重要的作用,因此,在所提出的虚拟同步发电机控制中,有必要分析包括惯性和阻尼系数在内的控制参数对系统的稳定性所起到的作用和影响,从而为虚拟同步发电机控制策略中相关控制参数的设计提供相应的参考和依据。
针对分布式逆变电源采用虚拟同步发电机控制策略后,一个比较重要的方面就是它能够对系统的频率稳定性提供一定的支持作用,如何从理论分析方面来说明它和频率稳定性之间的关系具有非常重要的意义。此外,针对分布式电源采用下垂控制时,它也能够对系统的频率和电压提供一定的支持作用,不同的是采用下垂控制时,分布式电源不具备惯性和阻尼两个重要的分量,将下垂控制和所提出的虚拟同步发电机控制做出比较对于深入理解这两种控制方法有着很好的作用。

VSG是将同步发电机的数学模型嵌入逆变器的控制算法中,将静止电力电子装置模拟为旋转电机的运行技术,并通过模拟同步发电机的一次调频、调压使其具有阻尼电压和频率快速波动、自动功率分配、同步电网运行的功能。
VSG拓扑结构包括直流电源、电力电子变流器、输出LC滤波器。通过在变流器控制系统中嵌入同步发电机方程,VSG能够实现直流电源与系统间按照同步发电机的特性进行功率交换。从系统角度来说,如果忽略电力电子器件开关动作产生的高频分量,VSG与同步发电机等效。在同步发电机中,机械转轴和绕组为系统的稳定运行提供必要的转动惯量和阻尼,而对于VSG而言,需要利用储能系统建立虚拟惯性和阻尼。
有关VSG的研究问题可以分为5个层面,即底层控制、数学模型构建、VSG控制算法、稳定性分析及VSG在电力系统中的应用。底层控制包含电压电流控制,用于实现对电压和电流的快速准确控制,常用的控制算法有基于dq坐标系的PI控制以及基于abc坐标系的PR控制等。同步发电机数学模型反映了其自身的包括惯性和阻尼在内的机械和电磁特性,是VSG技术的核心。控制算法能够保证VSG在规定范围内稳定运行,实现储能与VSG、VSG与电网及VSG之间的协调运行。在理解实现及控制方式的基础上,通过对VSG稳定性分析能够进一步理解VSG的运行特性,并反过来指导控制系统的设计,最终实现VSG在电力系统中的推广应用。
为了保证虚拟同步发电机的性能:
- VSG必须模拟同步发电机的转子惯量,以抑制频率的快速波动。
- VSG必须模拟同步发电机组的调速和励磁控制器,以实现频率和电压的稳态支撑。
- VSG算法包括下垂控制、虚拟惯性、感应电动势双闭环控制。
二、核心程序
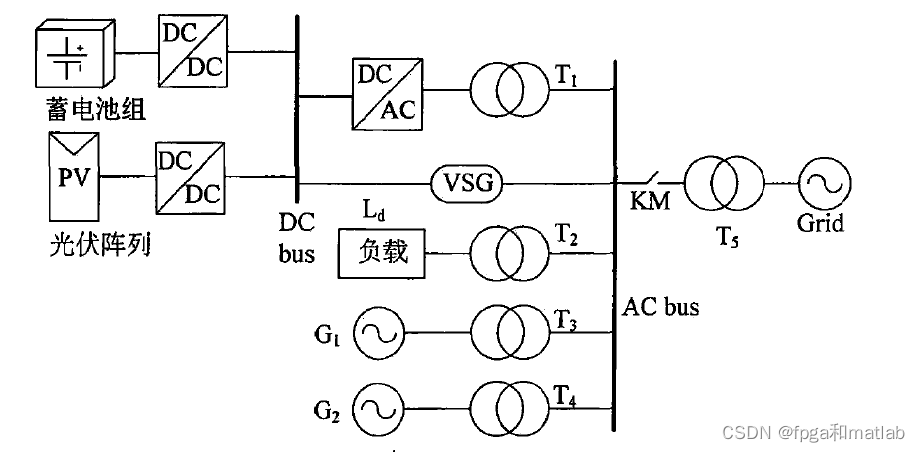
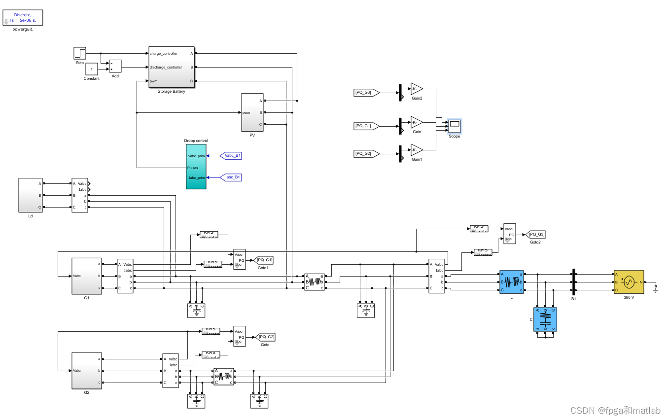
可以看到,整个系统包括蓄电池,光伏阵列,VSG,负载,以及两个电机,根据这些信息,我们进行建模。

三、测试结果



A26-07

2901

被折叠的 条评论
为什么被折叠?



