【Simulink教程案例38】使用simulink构建一个简易微电网系统
最新推荐文章于 2024-09-27 11:07:06 发布
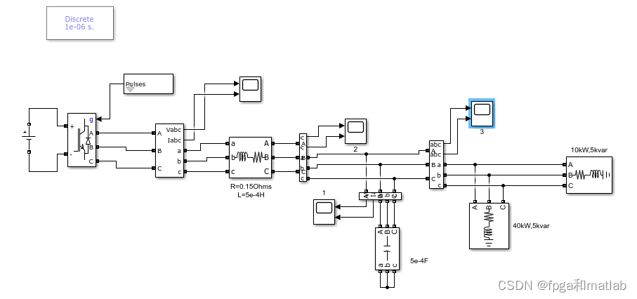
本教程介绍如何使用Simulink构建微电网系统,涵盖微电网理论基础,包括分布式能源、能量存储、电力电子和控制策略。详细讲解了Simulink中的微电源、全桥模块、脉冲控制器、电压电流测量模块、RLC分支的建模与仿真,提供完整模型下载链接。

订阅专栏 解锁全文
1166

被折叠的 条评论
为什么被折叠?



