目录
2.2 MPPT算法举例 - 电导增量法 (Perturb and Observe)
最大功率点跟踪(Maximum Power Point Tracking, MPPT)是光伏系统中的一种关键技术,用于实时调节光伏阵列的工作状态,使其在任何光照和温度条件下始终输出最大功率。基于最大功率点跟踪(MPPT)的光伏发电系统是一种优化技术,用于从光伏(PV)系统中提取最大功率。由于光伏单元(太阳能电池)的功率输出受多种因素影响,如太阳辐照度、温度、阴影等,因此MPPT技术对于确保在任何给定环境条件下都能从PV系统中获得最大功率至关重要。
1.光伏发电系统基础
光伏单元产生的电流(I)和电压(V)之间的关系是非线性的,并且可以通过电流-电压(I-V)特性曲线来描述。这条曲线在不同的辐照度和温度下会有所不同。功率(P)是电流和电压的乘积,即 (P = IV)。对于给定的环境条件,存在一个特定的电压(和电流),使得功率输出达到最大。这个点被称为最大功率点(MPP)。
1.1光伏电池I-V特性
光伏电池的I-V特性是指光伏电池在不同电压下的输出电流特性,它描述了光伏电池在外加电压下产生的电流与电压之间的关系。这种关系通常呈现出非线性特征,其曲线主要包括四个关键点:开路电压(Voc)、短路电流(Isc)、最大功率点(MPP)和电池的工作点。光伏电池的最大功率点(MPP)是指电流-电压特性曲线上功率最大的工作点:
![]()
其中P(V) 是光伏电池在电压V 下的输出功率,I(V) 是对应电压下的输出电流。
在光照条件下,光伏电池通过吸收光能将光能转化成电能,从而产生电流。当光照强度一定时,随着电压的增加,电流先增加后减小。这是因为光伏电池的电压和电流之间存在着固有的关系。当电压达到某一值时,电流达到最大,这个点就是最大功率点(MPP),它是光伏电池性能的重要指标之一。开路电压(Voc)是指在光伏电池两端未连接负载时的电压,此时电流为零。而短路电流(Isc)是指在光伏电池两端短接时的电流,此时电压为零。这两个参数也是描述光伏电池性能的重要指标。
总的来说,光伏电池的I-V特性是评估光伏电池性能的重要依据,对于光伏电池的实际应用具有重要意义。通过了解光伏电池的I-V特性,可以选择合适的工作点以获得最大的能量转换效率。
2. MPPT
2.1 MPP条件
光伏电池的最大功率点满足以下条件:

通过对P(V) 求导数并令其为零,可以找到MPP的位置。但实际操作中,由于环境变化及I-V特性的复杂性,直接求导并不方便,因此常采用其他算法如扰动观察法、电导增量法或粒子群优化算法等间接寻找MPP。
2.2 MPPT算法举例 - 电导增量法 (Perturb and Observe)
电导增量法是一种简单且常用的MPPT算法。其基本步骤如下:
-
测量当前状态:获取当前的电压Vcurrent 和电流Icurrent,计算当前功率Pcurrent。
-
扰动:根据预设规则改变输入电压(例如增大或减小一个固定步长),观测新的电压 Vnew 和电流Inew 及对应的功率Pnew。
-
判断:比较Pcurrent 和Pnew,如果Pnew>Pcurrent,则朝着相同的方向继续扰动;如果Pnew<Pcurrent,则反转扰动方向。
-
迭代:重复上述过程直到功率变化非常小,说明已接近MPP。
2.3 MPPT控制器设计
MPPT控制器通过上述算法动态调整光伏阵列与负载或电池之间的连接,以使光伏系统在不同环境条件下持续工作在最大功率点。其核心是包含一个DC-DC转换器(如降压、升压或升降压变换器),以及一套实现上述MPPT算法的控制电路和微处理器。
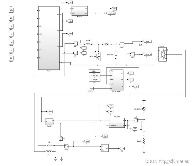
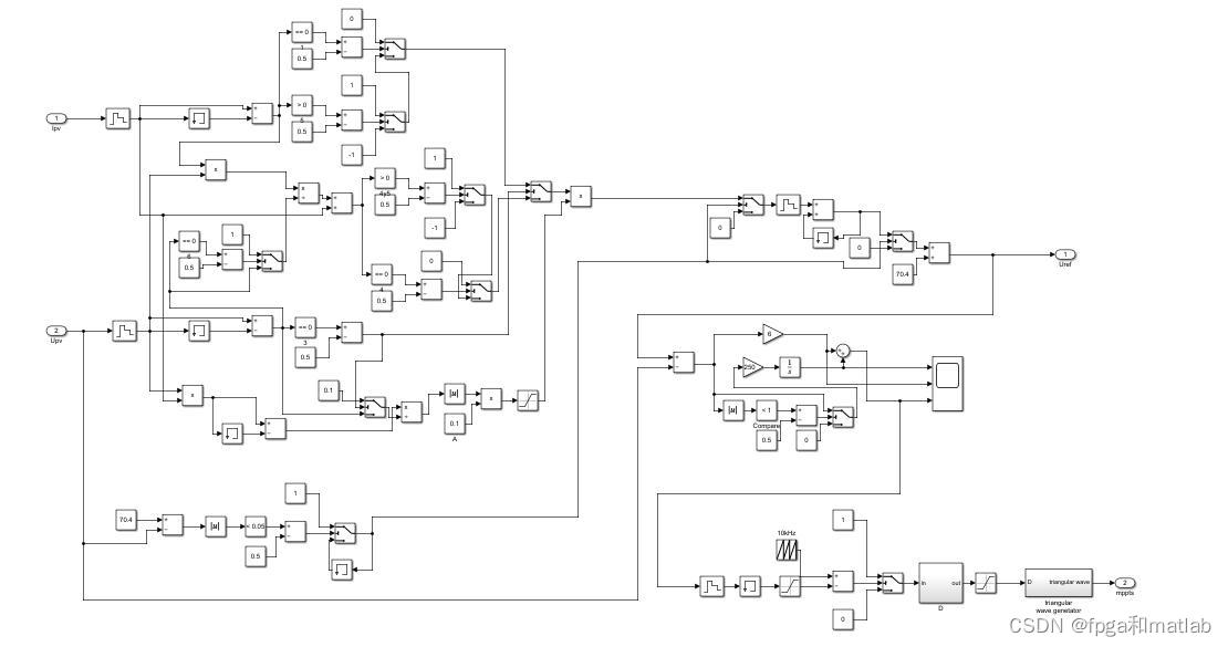
3. Simulink建模


up4048
4. 仿真测试结果


综上所述,MPPT技术是提高光伏发电效率的关键手段之一,它通过实时监控并优化太阳能电池板的工作状态,确保即使在光照强度和温度变化时也能最大化利用太阳能资源。

1604

被折叠的 条评论
为什么被折叠?



