目录
基于空间电压矢量脉宽调制(Space Vector Pulse Width Modulation, SVPWM)的三相无刷直流电机(通常指永磁同步电机,BLDC Brushless DC Motor, BLDC)控制技术,是一种先进的电机驱动策略,旨在高效地控制电机的转矩和速度,同时减小谐波电流和电磁噪声。SVPWM的核心思想是将逆变器输出的三相电压矢量分解为两个正交轴(d轴,与转子磁链方向一致)和交轴(q轴,与d轴垂直)的电压矢量,通过调节这两个轴的幅值和比例,精确控制电机的磁链和转矩。这种方法允许电机电流跟踪一个理想的圆形或近似正弦波形,以逼近直流电机的性能,同时利用交流电机的固有优势。
1.SVPWM基本原理
SVPWM的主要思想是以三相对称正弦波电压供电时三相对称电动机定子理想磁链圆为参考标准,以三相逆变器不同开关模式作适当的切换,从而形成PWM波,以所形成的实际磁链矢量来追踪其准确磁链圆。传统的SPWM方法从电源的角度出发,以生成一个可调频调压的正弦波电源,而SVPWM方法将逆变系统和异步电机看作一个整体来考虑,模型比较简单,也便于微处理器的实时控制。
SVPWM的核心思想是将逆变器输出的六种基本开关状态(对应三相桥臂的开闭组合)视为在复平面上的六个空间电压矢量,这六个矢量与三相坐标系下的ABC三相电压相对应,具体为:

其中,Vdc为直流母线电压。通过这些基本矢量的线性组合,可以生成任何位于第一象限的电压矢量,进而通过适当的时序控制,合成期望的旋转正弦波形。
2. SVPWM与PWM、SPWM的比较
PWM:脉冲宽度调制(PWM),晶体管(常用MOS、IGBT等全控型器件)工作在开关状态,晶体管被触发导通时,电源电压加到电动机上;晶体管关断时,直流电源与电动机断开;这样通过改变晶体管的导通时间(即调占空比ton)就可以调节电机电压,从而进行调速。
对比SVPWM的产生原理可知,SVPWM本身的产生原理与PWM没有任何关系,只是形似。
SPWM:正弦波脉宽调制,将正弦半波N等分,把每一等分的正弦曲线与横轴所包围的面积用一个与此面积相等的等高矩形脉冲来替代。三角波载波信号Ut与一组三相对称的正弦参考电压信号Ura、Urb、Urc比较后,产生的SPWM脉冲序列波Uda 、Udb、Udc作为逆变器功率开关器件的驱动控制信号。逆变器输出电压的基波正是调制时所要求的正弦波,调节正弦波参考信号的幅值和频率就可以调节SPWM逆变器输出电压的幅值和频率。
SVPWM与SPWM的原理和来源有很大不同,但是他们却是殊途同归的。SPWM由三角波与正弦波调制而成,而SVPWM却可以看作由三角波与有一定三次谐波含量的正弦基波调制而成,这点可以从数学上证明。
3.旋转参考坐标系
为了简化控制和计算,通常将三相系统变换到两相静止坐标系(α,β)或同步旋转坐标系(d,q)中,其中旋转坐标系与电机的磁链旋转速度同步。在此,我们以旋转坐标系为例,其中Vd和Vq分别对应于励磁和转矩分量。
给定Vd和Vq,期望的合成空间电压矢量Vref可以表示为:
![]()

根据电压矢量的几何关系,占空比可通过以下公式计算得到:

4.实现步骤
坐标变换:将三相电压指令转换到旋转坐标系下的d−q分量。
电压矢量合成:确定目标空间电压矢量Vref。
扇区判断:确定目标矢量所属的扇区,选择对应的基本矢量。
计算占空比:根据上述公式计算T1,T2,T0。
生成PWM信号:根据占空比控制逆变器桥臂的开关状态,生成PWM波形。
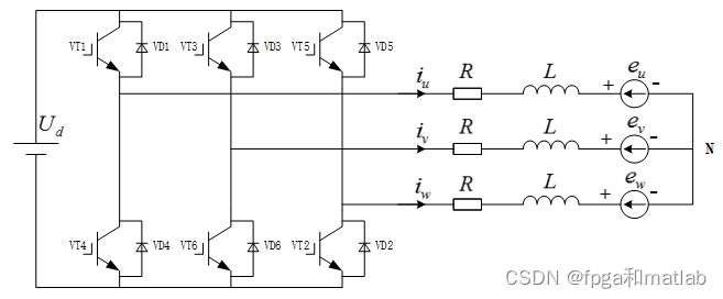
5.无刷直流电机的电压平衡方程
无刷直流电机控制系统是一种新型的调速系统,具有良好的运行、控制及经济性能,有着巨大的发展潜力。其中无刷直流电机是利用电子换相替代机械换相和电刷,既具有直流电动机良好的调速性能,又具有交流电机结构简单、运行可靠、维护方便等优点,在众多领域中得到了广泛的应用。无刷直流电动机是在有刷直流电动机的基础上发展起来的。现阶段,虽然各种交流电动机和直流电动机在传动应用中占主导地位,但无刷直流电动机正受到普遍的关注。无刷直流电动机在电磁结构上和有刷直流电动机基本一样,但它的电枢绕组放在定子上,转子采用的重量、简化了结构、提高了性能,使其可*性得以提高。无刷电动机的发展与永磁材料的发展是分不开的,磁性材料的发展过程基本上经历了以下几个发展阶段:铝镍钴,铁氧体磁性材料,钕铁硼(NdFeB)。钕铁硼有高磁能积,它的出现引起了磁性材料的一场革命。第三代钕铁硼永磁材料的应用,进一步减少了电机的用铜量,促使无刷电机向高效率、小型化、节能的方向发展。
无刷直流电机的电压平衡方程可表示为:

无刷直流电机的等效电路模型如下:

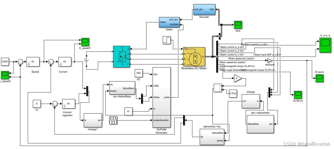
6.simulink模型

up4086
7.仿真结果




1047

被折叠的 条评论
为什么被折叠?



