目录
基于最大功率点跟踪(Maximum Power Point Tracking, MPPT)的光伏发电系统是一种确保光伏阵列能在不同光照和温度条件下始终工作在最大功率点(MPP)的技术。
1. 光伏发电系统简介
光伏发电系统由光伏阵列、DC-DC变换器、最大功率点跟踪控制器(MPPT Controller)、逆变器、储能装置和负载等组成。光伏阵列将太阳能转换为电能,DC-DC变换器调节电压以适应负载需求,MPPT控制器确保光伏阵列始终工作在最大功率点,逆变器将直流电转换为交流电供负载使用。
2. 光伏电池的特性
光伏电池的输出特性可以用电流-电压(I-V)和功率-电压(P-V)曲线来描述。典型的I-V曲线可以表示为:

这里:
I 是输出电流;
ℎIph 是光生电流;
Is 是二极管饱和电流;
V 是输出电压;
Rs 是串联电阻;
Rp 是并联电阻;
q 是电子电荷;
k 是玻尔兹曼常数;
T 是绝对温度;
n 是二极管的理想因子。
3. 最大功率点跟踪(MPPT)
MPPT技术旨在动态调整光伏阵列的输出,使其始终工作在最大功率点。最大功率点是P-V曲线上功率最大的点,可以表示为:

这里:
PMPP 是最大功率;
VMPP 是最大功率点处的电压;
IMPP 是最大功率点处的电流。
常见的MPPT算法包括扰动观察法、电导增量法、恒定电压跟踪法等。
3.1 扰动观察法
扰动观察法是一种简单的MPPT算法,通过不断地扰动光伏阵列的输出电压,并观察功率的变化来调整下一步的动作。工作原理:先扰动输出电压值,然后测其功率变化与扰动之前的功率值比较,如果功率值增加,则表示扰动方向正确,继续朝同一方向扰动,如果扰动后功率值小于扰动前的值,则往相反的方向扰动。具体步骤如下:

3.2 电导增量法
电导增量法是另一种常用的MPPT算法,它通过检测光伏阵列的电导变化率来追踪最大功率点。电导增量法的数学模型如下:

如果当前工作点不在最大功率点,则需要根据上述条件调整电压。
3.3 恒定电压跟踪法
恒定电压跟踪法基于光伏阵列在最大功率点时的电压与开路电压之间的固定比例关系。这种方法简单,但精度较低。其数学模型为:

基于最大功率点跟踪(MPPT)的光伏发电系统是一种有效提高光伏阵列能量转换效率的技术。通过合适的算法和硬件设计,MPPT系统可以显著提升太阳能的利用效率。随着技术的进步和成本的降低,MPPT系统将在未来的可再生能源领域发挥越来越重要的作用up4125。
>扰动观察法
优点:简单易实现。
缺点:在最大功率点附近容易振荡,响应速度较慢。
>电导增量法
优点:响应速度快,精确度高。
缺点:需要额外的硬件支持,实现较为复杂。
>恒定电压跟踪法
优点:实现简单,无需复杂的硬件支持。
缺点:精度较低,适应性差。
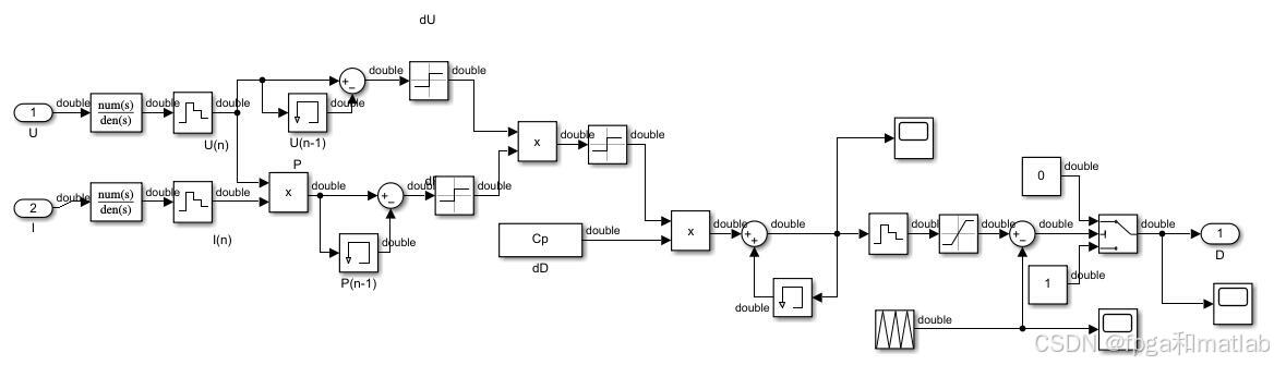
4.Simulink建模


5.测试结果



扰动观察法、电导增量法和恒定电压跟踪法是三种常见的MPPT算法。它们各有优缺点,可以根据具体的应用场景和要求选择最合适的算法。随着技术的发展,未来可能会出现更加高效、精准的MPPT算法。

331

被折叠的 条评论
为什么被折叠?



