【Multisim】编码器74LS148与译码器74LS138的逻辑功能及应用案例
逻辑功能及其验证
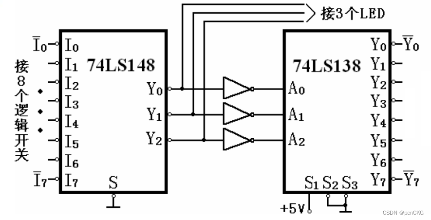
74LS148是一种优先编码器,其逻辑功能如下:

74LS138是一种译码器,其逻辑功能如下:

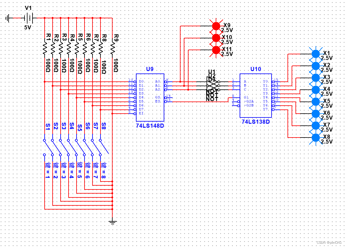
以下为验证编码器74LS148和译码器74LS138的逻辑功能的一种方法。验证功能的Multisim电路图如下:


验证结果如下:

应用案例:优先报警器
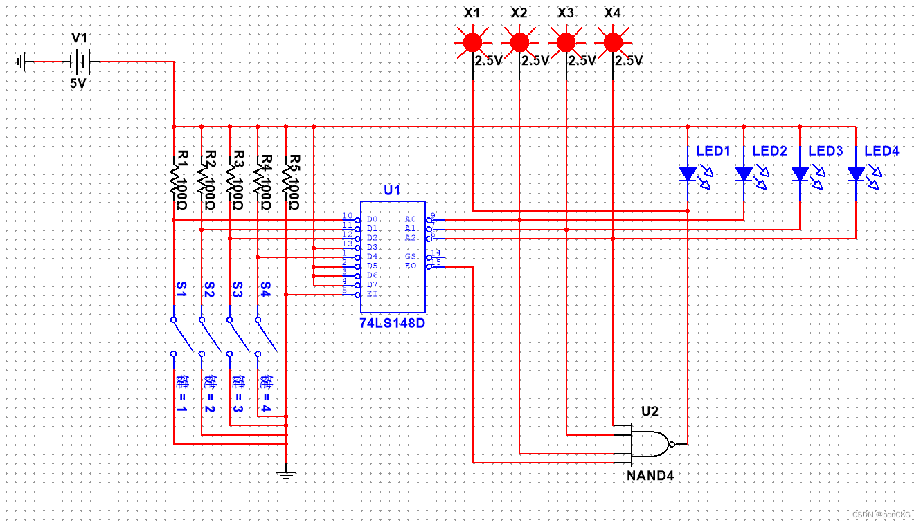
假如有四个病房,四个病人的病情情况不同,分别对应优先级:最高、高、中、低。优先级低的会被优先级高得中断,可以用LED灯的亮灭或者LED数码管情况来代表病人的求助与否。
注意:这其实是一个典型的“四路抢答器”。要求利用74LS148优先编码器芯片,其他元件能少则少。
该报警器的Multisim电路图如下:

参考链接:https://blog.csdn.net/RObot_123/article/details/102919388
本文介绍了74LS148编码器和74LS138译码器在Multisim中的逻辑功能验证,以及如何使用它们构建一个四路优先报警器的实例。通过编码器将病人优先级转化为数字信号,译码器再将其转换为LED灯状态显示求助信息。
1459

被折叠的 条评论
为什么被折叠?



