【Logisim】用与非门搭建RS和D型触发器
RS型触发器
输入输出说明
输入端:
R: 复位端 (Reset)
S: 置位端 (Set)
无时钟输入端
输出端:
Q: 状态输出端
非Q: 反向状态输出端
输入信号 R, S 的作用方式:低电平有效。
保证RS触发器正常工作必须满足的条件:R, S 不能同时为 0.
逻辑功能表
| R | S | Q(n+1) | 功能说明 |
|---|---|---|---|
| 0 | 0 | d | 不定 |
| 0 | 1 | 0 | 置0 |
| 1 | 0 | 1 | 置1 |
| 1 | 1 | Q | 不变 |
电路图
(左为电路图,右为接在 74LS00 芯片上的接线图)

实验过程照片

D型触发器
目的
解决输入约束问题。
工作原理
G1, G2 构成基本 RS 触发器。
当 CP = 0 时,G3, G4 被封锁,D 的变化不能传到 G1, G2, 触发器保持现状态;
当 CP = 1 时,G3, G4 开放,D 经 G3, G4 转换成一对互补信号送到 G1, G2.
若 D = 0, 则 RS = 01, Q = 0;
若 D = 1, 则 RS = 10, Q = 1.
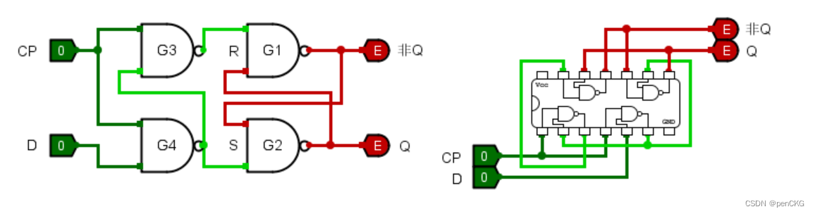
电路图
(左为电路图,右为接在 74LS00 芯片上的接线图)

实验过程照片

维持阻塞D型触发器
目的
解决“空翻”问题。
维持阻塞线路的作用
仅当 CP 的上升沿出现的一瞬间, D 端的数据才能置入触发器。
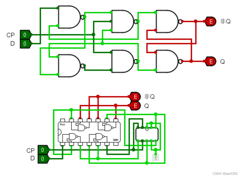
电路图
(上为电路图,下为接在 74LS00 芯片和 74LS20 芯片上的接线图)

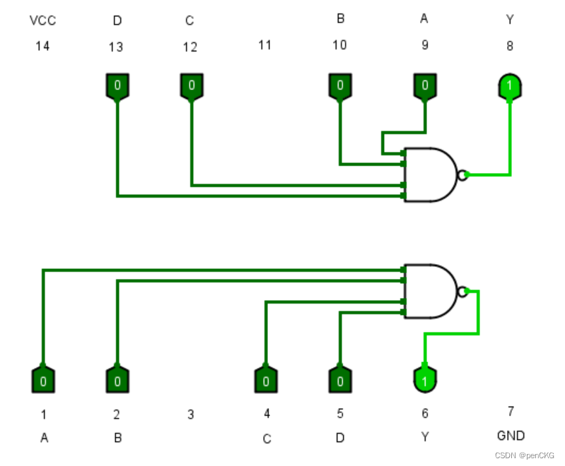
其中 74LS20 芯片的结构如下:

实验过程照片

本文介绍了如何使用Logisim软件通过与非门构建RS和D型触发器,详细解释了输入输出、工作原理、逻辑功能以及与74LS00和74LS20芯片的连接。还讨论了维持阻塞D型触发器的目的和解决空翻问题的机制。
2794

被折叠的 条评论
为什么被折叠?



