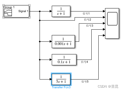
小编希望借助simulink中的transfer fcn传递函数对突变的信号进行平滑的处理,后来发现对于transfer fcn中分母上的一个参数直接相关,模型如下:
然后模型采用定步长运行,运行步长0.001s,运行总时长15s。

运行结果如下:

随着分母中s项前的系数越小,处理后的信号越接近原始信号(信号2)。可以看到结果中信号2和信号3(s项前系数为0.001,和仿真步长相同)最为相近。
【注意】:s项前的系数一般≥仿真步长,不建议小于仿真步长,如果小于仿真步长,则simulink仿真可能报错,并且精度无法进一步提高。
857

被折叠的 条评论
为什么被折叠?



