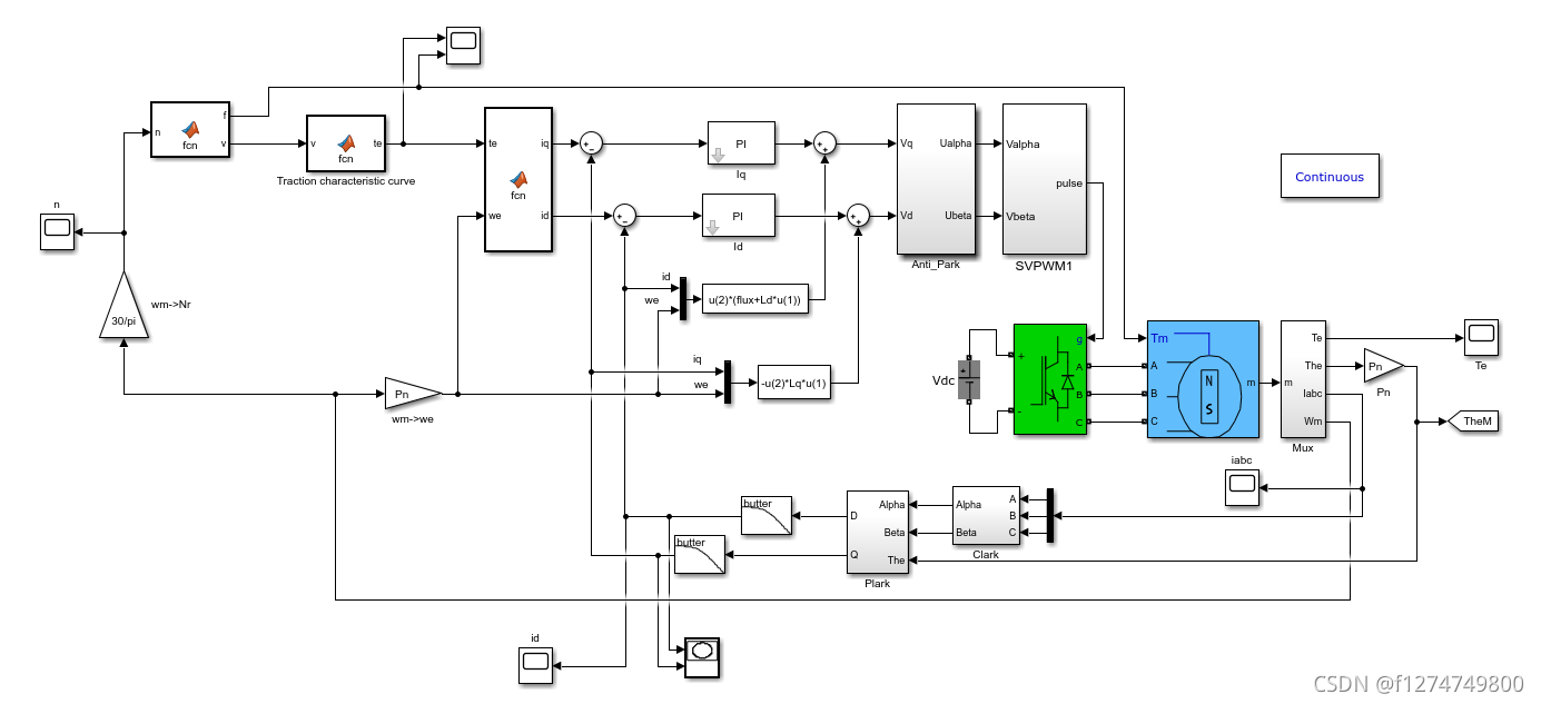
永磁同步电机力矩控制仿真,异步电机仿真,单轴的电流调节器适用于力矩控制,发电控制,独特的MTPA控制+弱磁控制,以及电流路径规划,实现全速范围内的力矩调节,适用于轨道交通领域以及电动汽车领域。
列车运行时一般按牵引特性曲线运行,在保证输出力矩的情况下得到最小电流就显得尤为重要,最大转矩电流比(MTPA)控制就是转矩和最小电流之间的关系,MTPA的数值计算方法可以根据力矩的大小,直接计算得出相应的交、直轴电流,进行矢量控制,为了简化计算还可以用查表法进行计算。
按电流极限圆运行的弱磁的规律,电机一直在极限状态运行,不适合列车牵引系统等按列车牵引特性曲线运行的正常工况,由于牵引变流器的输出电压受直流母线电压限制,随着转速的升高电压极限椭圆不断缩小,按MTPA曲线运行时不能维持牵引特性曲线力矩的输出要求,电机的弱磁控制按力矩-电压曲线的弱磁控制方式。可以在弱磁区域内满足力矩输出要求的同时需要的电流最小。
1.最大转矩电流比控制
永磁同步电机的电磁转矩是一个很重要的物理量,它是由两部分构成,包括永磁体转矩和磁阻转矩,由于内置式永磁同步电机(IPMSM)磁路不对称,使得转矩角δ>90°时才出现最大电磁转矩。最大转矩/电流曲线(MTPA)就是描述转矩与最小电流之间的关系。
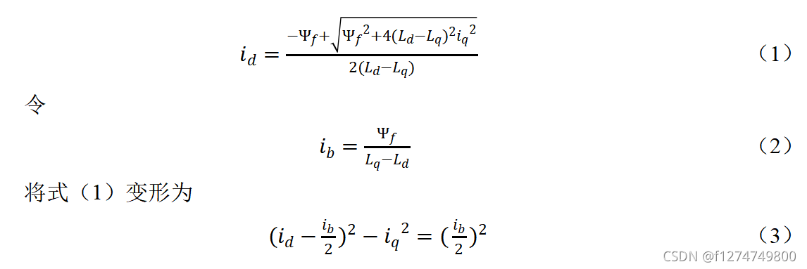
可以看出在 相平面上,最大转矩电流比曲线为一条过原点的双曲线。
为了简化计算,对电机模型进行标幺化计算,记转矩基值为 ,电流基值为,可以得到电磁转矩的方程为
列车是按牵引特性曲线控制的,力矩的大小是已知的,所以可以按照式(5)、(6)求出直轴的最小电流,和交轴最小电流,作为电流控制器的给定实现IPMSM的MPTA控制。
式(5)的解析式为

可以看出直轴电流的解析式十分复杂,可以将上式做成表格,进行实时控制时可以查表使用。
2.交直轴电流相平面限制关系
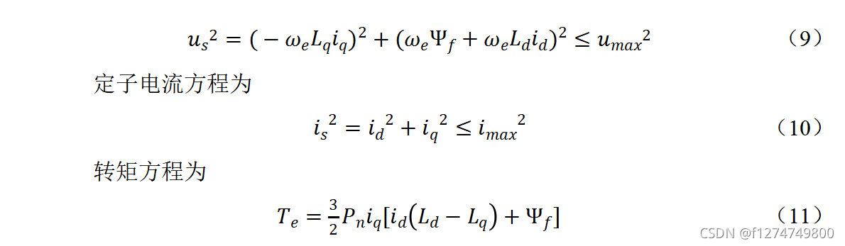
在永磁同步电机交直交牵引系统中,中间直流环节电压是一定的,逆变器输出的最大电压 受直流环节母线电压U dc的限制,同时电机的最大电流 也受额定电流的限制。电机在高速稳定运行时,由于电机的定子电阻压降很小相比与感抗压降可以忽略,所以电机定子电压方程可以近似为
在电流 id-iq 平面中,如下图所示,圆为电流限制圆(Current Limit Circle, CLC)、曲线 AmOAg为 MTPA 轨迹、曲线 FmGmIm、JmKmMm、JgKgMg和FgGgIg 为恒转矩曲线( Constant Torque Trajectory, CTT)和曲线AmO1Ag、CmO2Cg、EmO3Eg为电压限制椭圆(Voltage Limit Ellipse, VLE)。
通常讨论电流轨迹时,一般讨论的是 OAmB 轨迹。此电流轨迹包含两段,一段为 MTPA 轨迹 OAm, 另一段为最大电流限制下弱磁轨迹 AmB。下面讨论在弱磁区电机工况变动时,电流工作点的变化情况。假定转速为 w1 ( w1 = 2π frate ),电机电流工作点为 Hm,此电流工作点在 MTPA 曲线上。当转速升高到w2 时,点 Hm 在 VLE 曲线外,若仍要保持相应转矩输出,电机需进行弱磁控制,电流工作点由 Hm 沿ImFm 曲线移动到点 Gm,此点为当前工况最优弱磁工作点。
牵引/制动转矩特性曲线簇在轨道交通牵引系统的转矩给定中经常用到,但是传统的永磁同步电机弱磁控制只分析最大转矩曲线工况下的电流轨迹控制,忽略其余转矩特性曲线下电流轨迹的控制情况。
3.仿真对比
id=0控制与MTPA控制对比仿真
n=1000 r/min时

两种控制方式输出转矩大小相同,转速大小也相同。

输出单相电流MTPA电流小于id=0控制。同时MTPA控制存在id<0的情况。
n=2000 r/min时

id=0控制转矩调整慢跟随滞后,加载后达不到转速控制要求。

输出单相电流MTPA电流小于id=0控制。同时MTPA控制存在id<0的情况。
当转速达到2500r/min时这种偏差更明显。
MTPA加弱磁控制

给定牵引特性曲线与阻力变化如上图所示。
电机力矩的跟随特性如下图所示。

随着转速的升高,最大转矩电流比控制可以实现给定力矩的跟随。

由id电流的变化可以看出在0.5s附近实现了MTPA控制与弱磁控制的切换,电流无明显波动,验证控制方法的稳定性。由A相电流可以看出电机定子电流输出电流幅值。

根据id和Iq电流可以看出电流轨迹,分为达到最大转矩电流比阶段,转矩减小阶段以及弱磁阶段。
1045

被折叠的 条评论
为什么被折叠?



