基于准PR观测器的永磁同步电机无感FOC
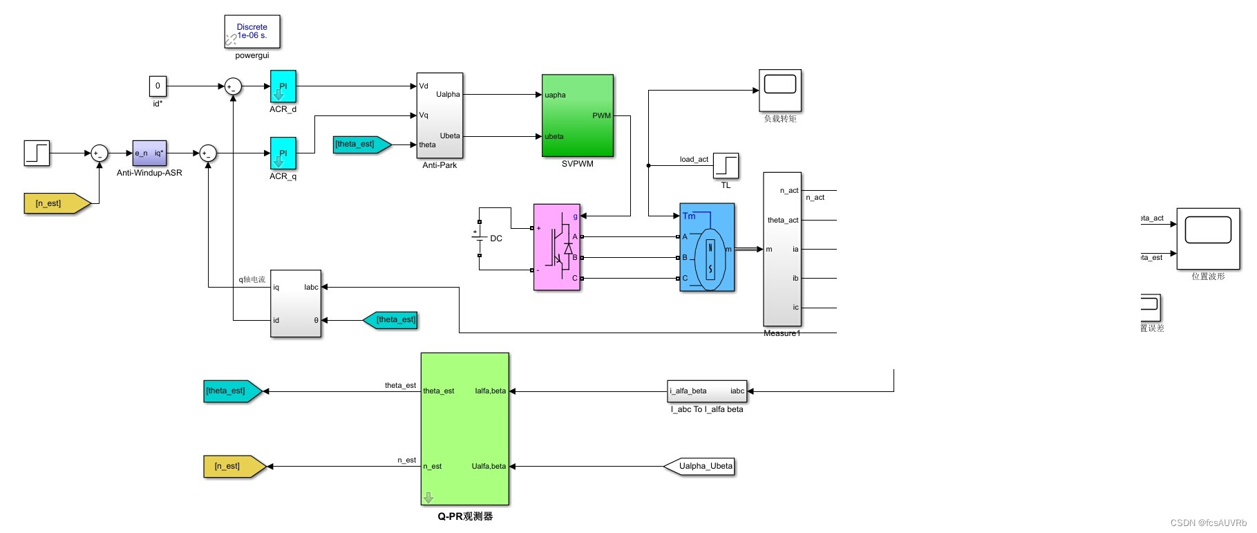
1.采用Q-PR(准比例谐振)观测器提取电机反电势,使用PLL从反电势中获得转子位置和速度信息。
2.提供算法对应的参考文献和仿真模型
仿真模型纯手工搭建,不是从网络上复制得到。
仿真模型仅供学习参考


基于准PR观测器的永磁同步电机无感FOC技术是一种高效、准确的电机控制技术,它通过采用Q-PR观测器提取电机反电势和使用PLL从反电势中获得转子位置和速度信息来控制电机。本文将详细介绍这种技术的实现原理、算法及仿真模型,以及对应的参考文献。
1.实现原理
永磁同步电机无感FOC技术是一种基于磁场定向控制的电机控制技术。在这种技术中,电机控制器需要获取电机的转子位置和速度信息,以便对电机进行控制。传统的永磁同步电机控制方法需要使用编码器等装置来获取转子位置和速度信息,但这种方法成本较高且易受到干扰。为了解决这一问题,永磁同步电机无感FOC技术采用了准PR观测器和PLL的组合。
准PR观测器是一种能够提取电机反电势的观测器,在永磁同步电机无感FOC技术中用于提取电机的反电势。该观测器利用了电机反电势与控制电流之间的关系,并将反电势转换为电流&#x

最低0.47元/天 解锁文章
1394

被折叠的 条评论
为什么被折叠?



