Honrun
码龄9年
关注
提问 私信
  • 博客:7,821
    社区:2
    视频:849
    8,672
    总访问量
  • 5
    原创
  • 2,040,153
    排名
  • 5
    粉丝
  • 0
    铁粉
IP属地以运营商信息为准,境内显示到省(区、市),境外显示到国家(地区)
IP 属地:广东省
  • 加入CSDN时间: 2016-04-08
博客简介:

henghankeng1960的博客

查看详细资料
个人成就
  • 获得6次点赞
  • 内容获得3次评论
  • 获得14次收藏
创作历程
  • 4篇
    2022年
  • 1篇
    2020年
成就勋章
兴趣领域 设置
  • 人工智能
    机器学习
创作活动更多

仓颉编程语言体验有奖征文

仓颉编程语言官网已上线,提供版本下载、在线运行、文档体验等功能。为鼓励更多开发者探索仓颉编程语言,现诚邀各位开发者通过官网在线体验/下载使用,参与仓颉体验有奖征文活动。

367人参与 去创作
  • 最近
  • 文章
  • 代码仓
  • 资源
  • 问答
  • 帖子
  • 视频
  • 课程
  • 关注/订阅/互动
  • 收藏
搜TA的内容
搜索 取消

microMem

小型动态内存分配
原创
发布博客 2022.05.29 ·
157 阅读 ·
0 点赞 ·
0 评论 ·
0 收藏

microQueue

用于嵌入式系统的队列microQueue开源库,适合用在异步数据的接收
原创
发布博客 2022.05.22 ·
215 阅读 ·
0 点赞 ·
0 评论 ·
0 收藏

GD32W515板载驱动

发布资源 2022.05.21 ·
7z

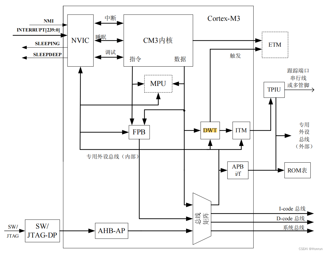
ARM CMx DWT硬件延时函数实现

ARM CMx DWT硬件延时函数实现
原创
发布博客 2022.05.21 ·
2763 阅读 ·
2 点赞 ·
0 评论 ·
8 收藏

魂斗罗1

发布视频 2022.05.16

GD32W515实现NES模拟器

GD32W515官主开发板,已基本驱动板上所有外设 实现NES模拟器,纯C代码完成,CPU部分由Mesen的开源C++代码更改为C代码,PPU部分完全自主实现。 当下能够实现60Hz的执行频率,能够运行当下大部分热门NES游戏。git厂库地址:https://gitee.com/honrun_he/gd32-w51x_-templates.git...
原创
发布博客 2022.05.15 ·
1337 阅读 ·
4 点赞 ·
1 评论 ·
1 收藏

MCU OTA升级流程

升级APP#mermaid-svg-pWb3PFyNKNjnXpgh .label{font-family:'trebuchet ms', verdana, arial;font-family:var(--mermaid-font-family);fill:#333;color:#333}#mermaid-svg-pWb3PFyNKNjnXpgh .label text{fill:#333}#mermaid-svg-pWb3PFyNKNjnXpgh .node rect,#mermaid-svg-pWb3
原创
发布博客 2020.12.16 ·
3352 阅读 ·
0 点赞 ·
2 评论 ·
5 收藏