
GD32F450开发板学习--I2C
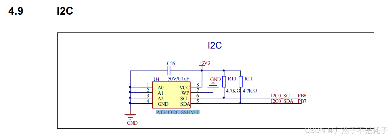
目前一字节读写无问题。下一步准备实现多字节读写。GD32单片机默认是从机模式, i2c_mode_addr_config形参是设置本机作为从机的地址。作为主机,向从机地址发送数据,此时设置从机地址是在发送函数,i2c_data_transmit期间遇到过写之后立马读,发送从机地址后无ACK的情况,有两个原因。这是因为eeprom有个Standby Mode,在收到停止信号后,马上进入低功耗模式。此时不会响应ACK。可以通过在写后延时5ms解决,验证无问题。
TA关注的专栏 15
TA关注的收藏夹 0
TA关注的社区 7
TA参与的活动 0

新星杯·14天创作挑战营·第13期
这是一个以写作博客为目的的创作活动,旨在鼓励大学生博主们挖掘自己的创作潜能,展现自己的写作才华。如果你是一位热爱写作的、想要展现自己创作才华的小伙伴,那么,快来参加吧!我们一起发掘写作的魅力,书写出属于我们的故事。我们诚挚邀请你们参加为期14天的创作挑战赛!注: 1、参赛者可以进入活动群进行交流、互相鼓励与支持(开卷),虚竹哥会分享创作心得和涨粉心得,答疑及活动群请见:https://bbs.csdn.net/topics/619781944 【进活动群,得奖概率会更大,因为有辅导】 2、文章质量分查询:https://www.csdn.net/qc


最近
文章
专栏
代码仓
资源
收藏
关注/订阅/互动
社区
帖子
问答
课程
视频
