参考网络讲解:https://www.bilibili.com/read/cv34962047/
最近需要设计缓上电电路,参考网络讲解原理和电路,用LTspice仿真验证。贴图给大家参考


重点是控制C1和R2值,R2影响C1充电时间。
C1=2.2uf,上电时间约10ms
C1=5uf,上电时间约20ms
C1=10uf,上电时间约32ms
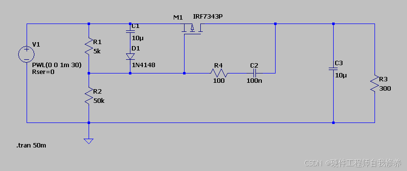
参考网络讲解:https://www.bilibili.com/read/cv34962047/
最近需要设计缓上电电路,参考网络讲解原理和电路,用LTspice仿真验证。贴图给大家参考


重点是控制C1和R2值,R2影响C1充电时间。
C1=2.2uf,上电时间约10ms
C1=5uf,上电时间约20ms
C1=10uf,上电时间约32ms
6551
1万+

被折叠的 条评论
为什么被折叠?