
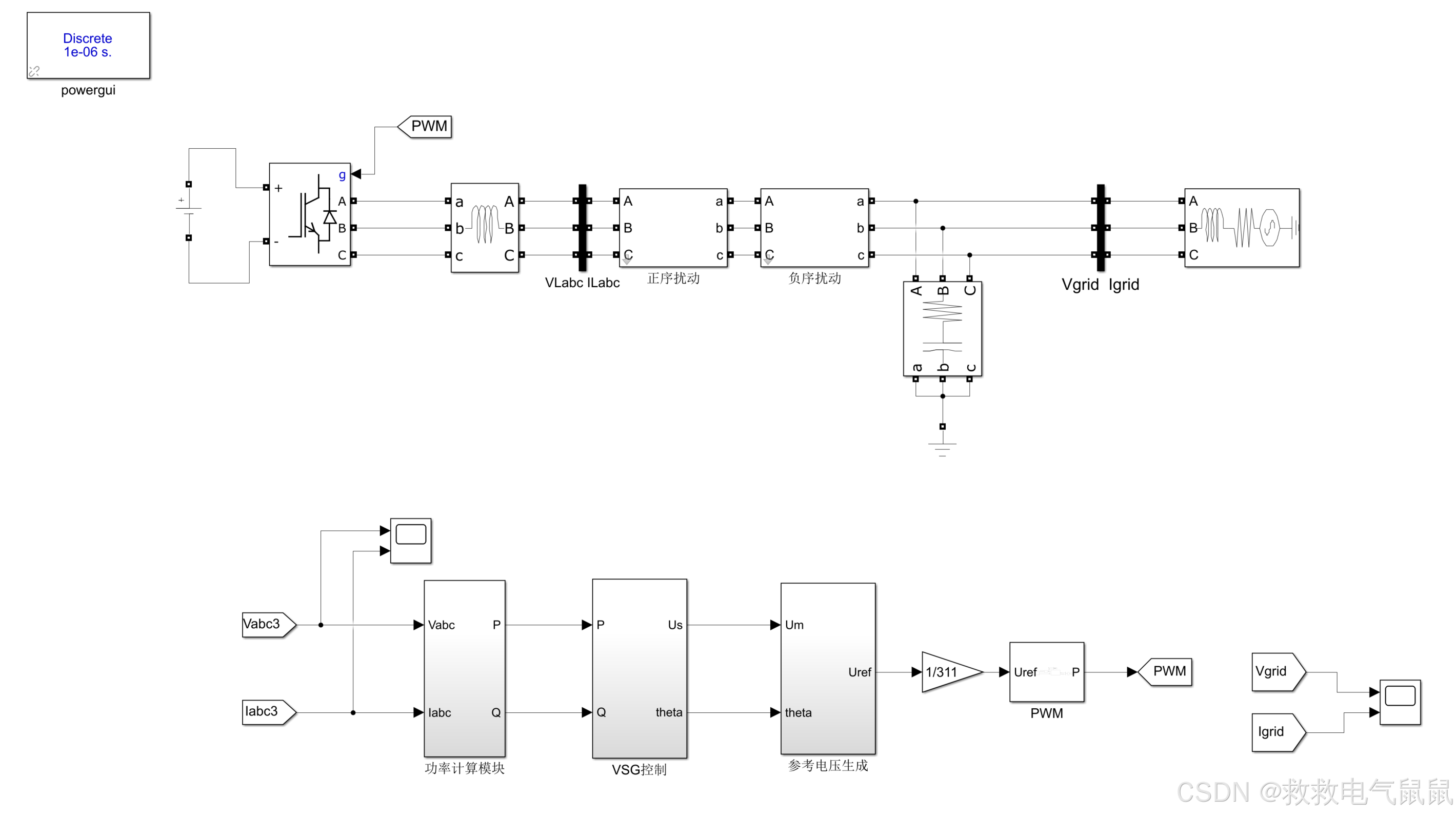
考虑频率耦合效应的VSG阻抗建模(包含电压电流双环)
3、考虑频率耦合效应,建立了包含2中所有环节的二维阻抗矩阵,之后利用单输入单输出阻抗建模技术,将二维阻抗矩阵降阶为SISO阻抗;5、程序一共包括simulink仿真一份、扫频程序一份、傅里叶分解程序一份、描点程序一份、理论阻抗及稳定性分析程序一份;2、控制电路包括功率计算环节,VSG有功环、无功环环节,参考电压生成环节、电压电流双环控制环节、SPWM调制环节;4、在PCC点分别注入正序扰动和负序扰动,分别对正序阻抗和负序阻抗的理论值进行验证;图3 正序阻抗扫频验证图。图4 负序阻抗扫频验证图。














