XDMA是XILINX提供的一个封装比较全面的IP,基本不用用户太了解PCIE底层协议,驱动侧就更不用说了,直接提供了读写的API函数。
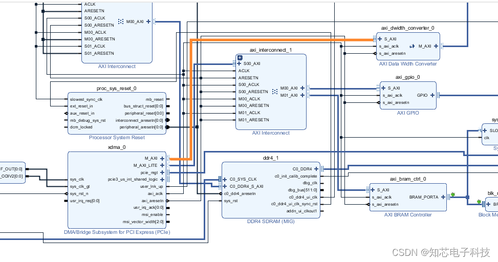
XDMA网上的教程也很多了,主要的运用大部分都是和DDR绑定在一起,例如下图:

XDMA由于发起读写需要由RC端主动发起,所以大部分设计只能通过将DDR和XDMA绑定在一起,但是这种方案带来一个问题,由于DDR本身是不支持同时读写的,所以需要实时更新数据时,在写DDR时,可能无法对DDR进行访问,一种方式是可以多加一组DDR,这样可以通过pingpang的方式进行读写切换,这样的方案主要是对硬件要求就高了,增加DDR3对IO资源也是一种挑战。另外当实际工程使用时,可能存储的数据是各种数据。同时写进DDR3最后再分开可能也会带来一定的难度;
-
这里介绍一种相对简单的方式,就是将XDMA接口M_AXI转换为FIFO接口,将DDR3的控制前移,不要和XDMA直接绑定在一起,这样用户可以直接接管DDR3,时钟就更加灵活了,只需要通过检测最后一级FIFO的数据量,只要不够一定的阀值,就从DDR3里读取数据即可,当然读取DDR3需要在DDR3写不在进行时进行,因为一定要保证写优先,丢失实际需要存储的数据是无法接收的;
-

-

-
封装完的接口如上图所示
-
该方案上可以做到AD数据的流水流盘,效率也有近80%,制约系统的瓶颈主要在于PC的流盘速度,该方案的设计思路,主要借鉴RIFFA PCIE的设计思路,如有大容量存储、落盘的业务可以联系!
-
PS:也可以设计传统PCIE DMA引擎方案,同时有读写SSD纯FPGA方案,欢迎联系!


952

被折叠的 条评论
为什么被折叠?



