
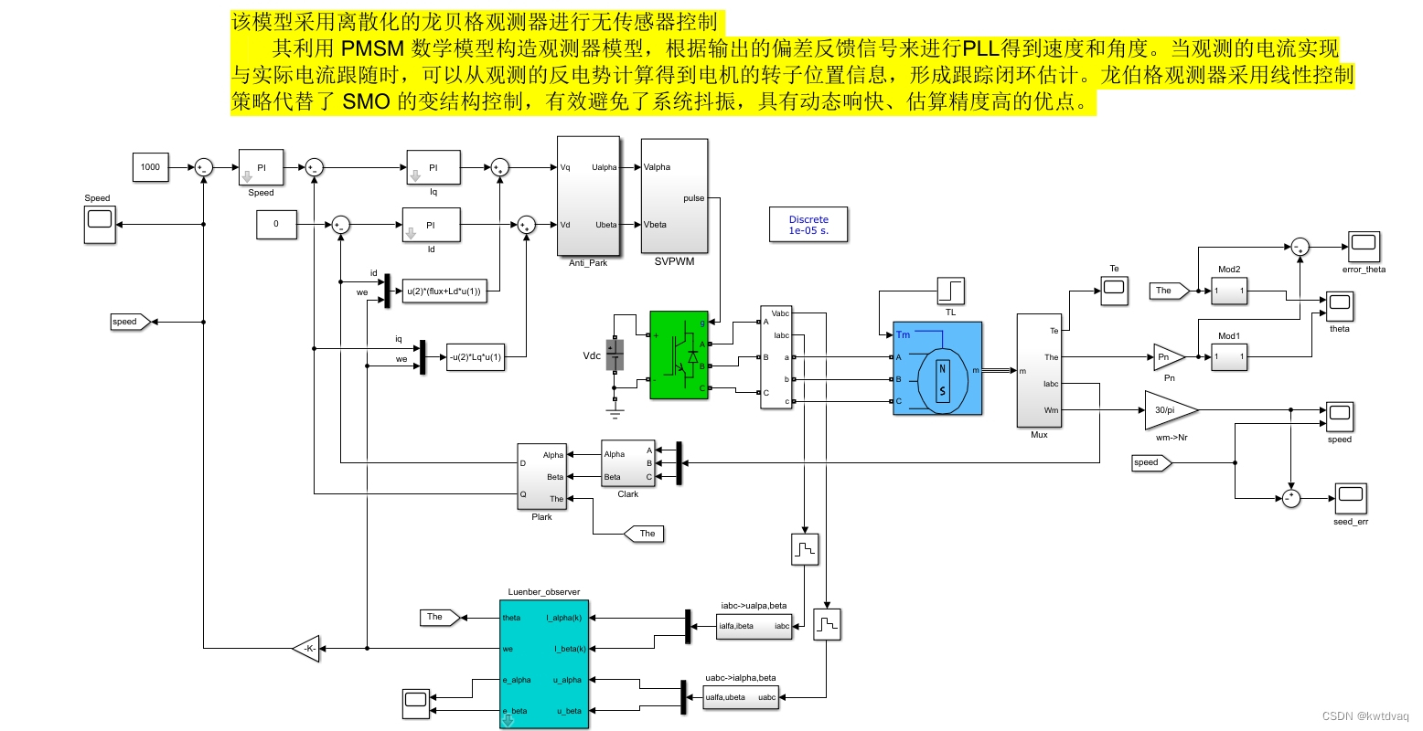
采用离散化的龙贝格观测器进行无传感器控制,龙伯格观测器采用线性控制策略代替了 SMO 的变结构控制
与传统的滑模观测器相比,龙贝格观测器采用线性控制策略代替了 SMO 的变结构控制,有效避免了系统抖振,具有动态响快、估算精度高的优点。当观测的电流实现与实际电流跟随时,龙贝格观测器可以从观测的反电势计算得到电机的转子位置信息,形成跟踪闭环估计。离散化的龙贝格观测器是一种常用的无传感器控制方法。该方法通过离散化电机的状态空间模型,构造出一个龙贝格观测器模型,利用观测器对电机的状态进行估计和反馈控制,从而实现电机的稳定运行。总之,离散化的龙贝格观测器是一种优秀的无传感器控制方法,具有高效、稳定的优点。








