实验二 组合逻辑电路实验
一、实验目的
1、通过实验,能熟练掌握信号发生器、示波器、字信号发生器和逻辑分析仪等常见仪器的使用,并能使用上述器件构建电路仿真所需的输入信号、查看仿真的结果输出;
2、通过实验,加深对译码器、数据选择器等常见集成组合逻辑电路的理解,掌握有上述集成器件的电路的分析和设计方法,并能在multisim中完成相关的仿真验证;
二、实验原理
1、“8-3”编码器、“3-8”译码器,8选一数据选择器、七段数码显示译码器的功能表见教材相关章节;
2、数据选择器和译码器实现逻辑电路见教材对应章节;
3、利用组合逻辑电路分析步骤及原理分析给定逻辑电路功能,并在multisim中实现该电路的功能仿真和验证;
4、根据组合逻辑电路设计步骤和原理设计给定功能的组合逻辑电路,并完成其功能仿真及验证。
三、实验设备和器材
电脑、multisim电路仿真软件(版本不限)
- 实验内容和步骤
- 4.1 编码器
在multisim器件库选择一实现83编码功能的器件,完成下面实验内容;
1.使用相关器件和仪器,完成83编码器的功能仿真和验证,并记录实验相关内容(预习时自行完成);
2.使用选定的83编码器,实现一三人表决电路,并完成该电路的功能仿真与验证,记录相关实验内容;
4.2 译码器
1.在multisim中选择一38译码器,完成下面实验内容:
1)使用相关器件和仪器,完成38译码器的功能仿真和验证,并记录实验相关内容(预习时自行完成);
2)使用选定的38译码器,实现一三人表决电路,并完成该电路的功能仿真与验证,记录相关实验内容;
2. 在multisim中选择一七段数码译码器,完成下面实验内容:
1)使用相关器件和仪器,完成七段数码译码器的功能仿真和验证,并记录实验相关内容(预习时自行完成);
2)设计一电路完成一位数码显示电路,能显示以8421BCD码形式给出的任意一个十进制数,要求使用选定的数码译码器完成,并完成该电路的功能仿真与验证,记录相关实验内容;
4.3 数据选择器
在multisim器件库选择八选一数据选择器,完成下面实验内容;
1.使用相关器件和仪器,完成八选一数据选择器的功能仿真和验证,并记录实验相关内容(预习时自行完成);
2.使用选定的八选一数据选择器,实现一三人表决电路,并完成该电路的功能仿真与验证,记录相关实验内容;
五、实验记录和实验结果
5.1 编码器
-
- 给出使用编码器实现三人表决器过程及设计的电路(预习时完成)

-
- 在所设计电路基础上,增加适当器件和仪器,实现对所设计电路的功能仿真和验证,要求简要说明仿真和验证思路,记录验证电路和输入信号,仿真结果及结论


74ls148d低电平有效,7输出为000所以用非门取反再用与门和或门即可完成三人表决电路
当输入为3,5,6,7时输出1符合实验预期标准
5.2 译码器
1.38译码器;
- 给出所选定的译码器的型号、引脚图,给出其功能表,并对功能做简要描述(请预习时完成)
译码器型号:74LS138D

| 输入 | 输出 | |||||||||
| A | B | C | Y7 | Y6 | Y5 | Y4 | Y3 | Y2 | Y1 | Y0 |
| 0 | 0 | 0 | 0 | 0 | 0 | 0 | 0 | 0 | 0 | 1 |
| 0 | 0 | 1 | 0 | 0 | 0 | 0 | 0 | 0 | 1 | 0 |
| 0 | 1 | 0 | 0 | 0 | 0 | 0 | 0 | 1 | 0 | 0 |
| 0 | 1 | 1 | 0 | 0 | 0 | 0 | 1 | 0 | 0 | 0 |
| 1 | 0 | 0 | 0 | 0 | 0 | 1 | 0 | 0 | 0 | 0 |
| 1 | 0 | 1 | 0 | 0 | 1 | 0 | 0 | 0 | 0 | 0 |
| 1 | 1 | 0 | 0 | 1 | 0 | 0 | 0 | 0 | 0 | 0 |
| 1 | 1 | 1 | 1 | 0 | 0 | 0 | 0 | 0 | 0 | 0 |
通过A B C 三个输入端,得到8个状态量
得出的逻辑函数表达式:

2)给出使用译码器器实现三人表决器过程及设计的电路(预习时完成)


3)在所设计电路基础上,增加适当器件和仪器,实现对所设计电路的功能仿真和验证,要求简要说明仿真和验证思路,记录验证电路和输入信号,仿真结果及结论

通过A B C 三个输入端,得到8个状态量
得出的逻辑函数表达式:
| 输入 | 输出 | |||||||||
| A | B | C | Y7 | Y6 | Y5 | Y4 | Y3 | Y2 | Y1 | Y0 |
| 0 | 0 | 0 | 0 | 0 | 0 | 0 | 0 | 0 | 0 | 1 |
| 0 | 0 | 1 | 0 | 0 | 0 | 0 | 0 | 0 | 1 | 0 |
| 0 | 1 | 0 | 0 | 0 | 0 | 0 | 0 | 1 | 0 | 0 |
| 0 | 1 | 1 | 0 | 0 | 0 | 0 | 1 | 0 | 0 | 0 |
| 1 | 0 | 0 | 0 | 0 | 0 | 1 | 0 | 0 | 0 | 0 |
| 1 | 0 | 1 | 0 | 0 | 1 | 0 | 0 | 0 | 0 | 0 |
| 1 | 1 | 0 | 0 | 1 | 0 | 0 | 0 | 0 | 0 | 0 |
| 1 | 1 | 1 | 1 | 0 | 0 | 0 | 0 | 0 | 0 | 0 |
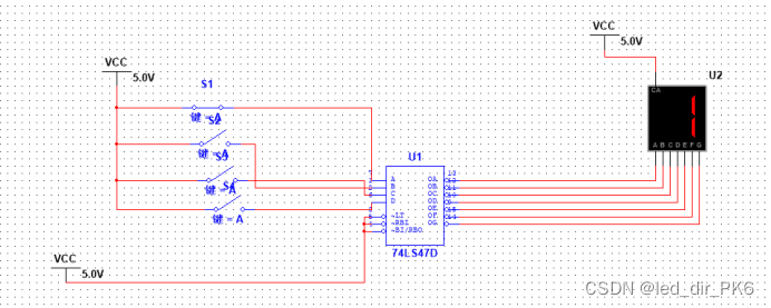
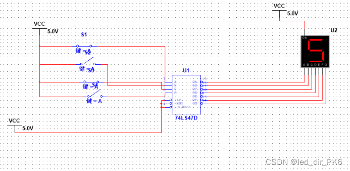
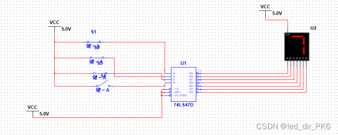
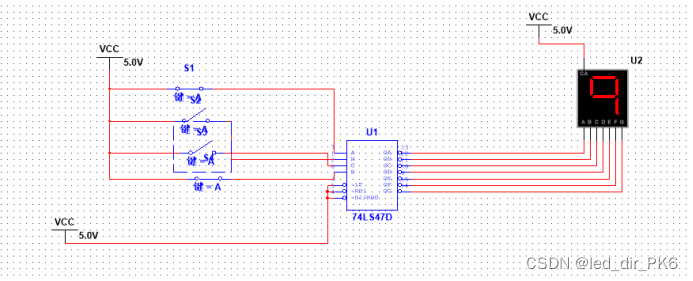
- 七段显示译码器;
1)给出所选定的七段显示译码器的型号、引脚图,给出其功能表,并对功能做简要描述(请预习时完成)

SEVEN_SEG_COM_A 七段数码管

2)给出七段数码显示器的功能仿真和验证电路,并记录其过程及相关数据。


3)给出利用选定的七段数码显示器设计的1位十进制数码显示电路,给出功能仿真验证电路、相关输入信号,仿真结果及结论


输入信号为0111时对应4,2,1输出7符合要求,输入信号为1001时对应8,1输出为9符合要求。
5.3数据选择器
- 给出所选定的数据选择器的型号、引脚图,给出其功能表,并对功能做简要描述(请预习时完成)



- 给出使用数据选择器实现三人表决器过程及设计的电路(预习时完成)

- 在所设计电路基础上,增加适当器件和仪器,实现对所设计电路的功能仿真和验证,要求简要说明仿真和验证思路,记录验证电路和输入信号,仿真结果及结论

当输入110时选择通道D6,D6输入高电平,输出高电平符合要求,输入011,111,101都输出为高电平,符合三人表决电路。
六、实验预习要求
- 实验前认真阅读本实验指导;
- 熟悉multisim中相关操作及相关器件。
- 完成四和五中要求预习时完成的内容。
七、思考题。
1、完成对组合逻辑电路设计、功能仿真及验证的步骤有哪些?
选用适合的芯片,使用字发生器输入信号,使用逻辑分析仪记录输出信号。
该实验旨在通过Multisim软件掌握信号发生器、示波器等工具的使用,以及理解并设计8-3编码器、3-8译码器、数据选择器的电路。实验内容包括编码器的8-3编码和三人表决电路,3-8译码器的逻辑功能验证及表决电路设计,七段数码显示译码器的功能仿真与数字显示电路设计,以及数据选择器的八选一功能验证和表决电路实现。通过这些步骤,学生将学习到组合逻辑电路的分析、设计和仿真验证方法。

9992

被折叠的 条评论
为什么被折叠?



