1. 系统的功能及方案设计
根据系统设计要求,人体健康指标采集系统的系统结构框图如图2.1所示。系统以单片机作为主控核心,协调控制各个模块进行工作。在传感器检测模块中包括MAX30102心率血氧检测模块、体温检测模块、液晶显示模块。系统以无创的形式实现对体温、心率血氧的参数检测,检测数据通过液晶进行显示同时在无线通信模块的作用下实现数据的无线传输。

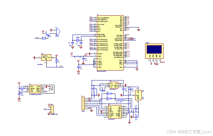
2.电路图

3.实物演示
联系我
根据系统设计要求,人体健康指标采集系统的系统结构框图如图2.1所示。系统以单片机作为主控核心,协调控制各个模块进行工作。在传感器检测模块中包括MAX30102心率血氧检测模块、体温检测模块、液晶显示模块。系统以无创的形式实现对体温、心率血氧的参数检测,检测数据通过液晶进行显示同时在无线通信模块的作用下实现数据的无线传输。

2.电路图

3.实物演示
联系我

被折叠的 条评论
为什么被折叠?