术飞者也
码龄6年
关注
提问 私信
  • 博客:3,307
    3,307
    总访问量
  • 5
    原创
  • 300,040
    排名
  • 38
    粉丝
  • 0
    铁粉
  • 学习成就

个人简介:嵌入嵌入式了

IP属地以运营商信息为准,境内显示到省(区、市),境外显示到国家(地区)
IP 属地:安徽省
  • 加入CSDN时间: 2019-05-06
博客简介:

m0_45020581的博客

查看详细资料
  • 原力等级
    成就
    当前等级
    1
    当前总分
    43
    当月
    0
个人成就
  • 获得52次点赞
  • 内容获得4次评论
  • 获得72次收藏
创作历程
  • 2篇
    2024年
  • 3篇
    2023年
TA的专栏
  • 内核
    1篇
  • 通讯协议
    1篇
兴趣领域 设置
  • 嵌入式
    stm32proteusmcu物联网
创作活动更多

HarmonyOS开发者社区有奖征文来啦!

用文字记录下您与HarmonyOS的故事。参与活动,还有机会赢奖,快来加入我们吧!

0人参与 去创作
  • 最近
  • 文章
  • 代码仓
  • 资源
  • 问答
  • 帖子
  • 视频
  • 课程
  • 关注/订阅/互动
  • 收藏
搜TA的内容
搜索 取消

浅聊一下STM32的时钟控制

STM32的时钟系统是STM32微控制器的核心组成部分,它负责为系统提供时钟源,以便微控制器可以正常工作。
原创
发布博客 2024.02.21 ·
584 阅读 ·
15 点赞 ·
0 评论 ·
21 收藏

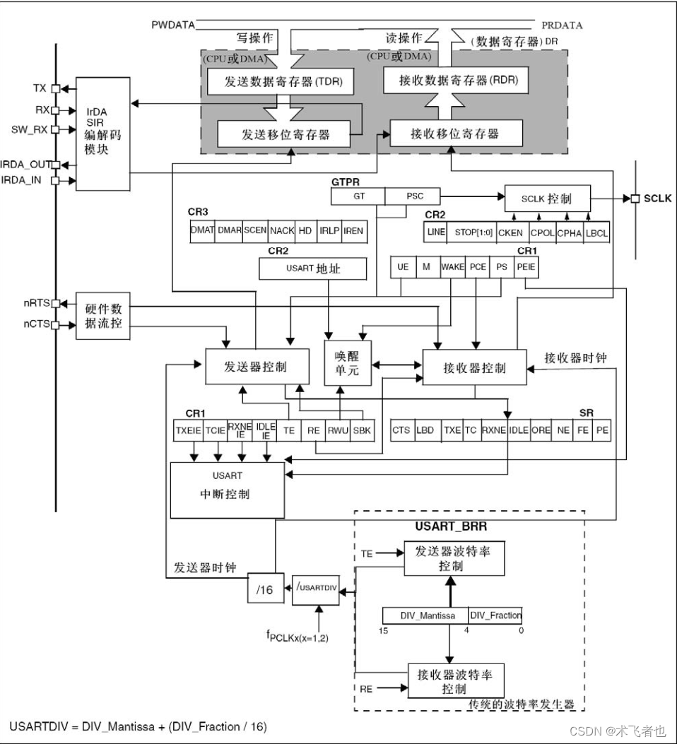
Usart--(通用同步/异步收发器)

USART(通用同步/异步收发器)
原创
发布博客 2024.02.01 ·
1244 阅读 ·
29 点赞 ·
1 评论 ·
32 收藏

PWM的介绍与使用--学习笔记

PWM见习
原创
发布博客 2023.07.31 ·
313 阅读 ·
2 点赞 ·
1 评论 ·
2 收藏

IIC在STM32中的使用

个人学习
原创
发布博客 2023.07.12 ·
881 阅读 ·
5 点赞 ·
1 评论 ·
16 收藏

创建单片机的项目文件--库函数版本

学习嵌入式开发的过程中,学会建设自己的项目文件是必需的。库函数极大程度的方便了我们的代码编写。
原创
发布博客 2023.07.12 ·
285 阅读 ·
1 点赞 ·
1 评论 ·
1 收藏