@巷子里的猫
码龄4年
关注
提问 私信
  • 博客:7,315
    视频:935
    8,250
    总访问量
  • 3
    原创
  • 1,196,612
    排名
  • 16
    粉丝
  • 0
    铁粉
IP属地以运营商信息为准,境内显示到省(区、市),境外显示到国家(地区)
IP 属地:湖北省
  • 加入CSDN时间: 2020-09-02
博客简介:

m0_50533548的博客

查看详细资料
个人成就
  • 获得4次点赞
  • 内容获得11次评论
  • 获得55次收藏
创作历程
  • 1篇
    2023年
  • 2篇
    2022年
成就勋章
TA的专栏
  • Xilinx FPGA PCIe XDMA性能测试
    3篇
兴趣领域 设置
  • 硬件开发
    硬件工程fpga开发硬件架构
创作活动更多

2024 博客之星年度评选报名已开启

博主的专属年度盛宴,一年仅有一次!MAC mini、大疆无人机、华为手表等精美奖品等你来拿!

去参加
  • 最近
  • 文章
  • 代码仓
  • 资源
  • 问答
  • 帖子
  • 视频
  • 课程
  • 关注/订阅/互动
  • 收藏
搜TA的内容
搜索 取消

Xilinx FPGA PCIe XDMA性能测试报告(三)

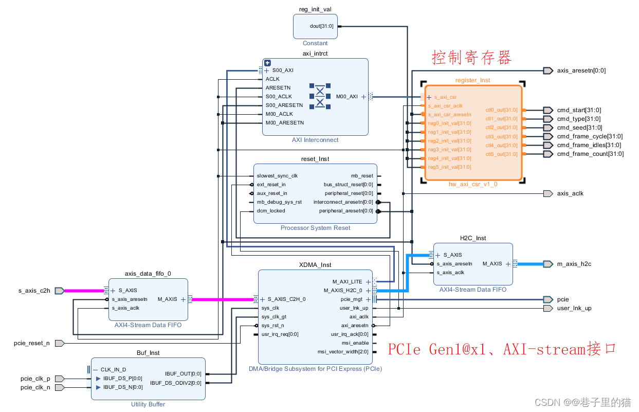
1 测试内容本报告对Xilinx FPGA的PCIe XDMA的AXI4-Stream接口的性能进行了测试,同时,给出了具体的测试框图、测试平台、测试步骤、测试记录等内容。2 测试框图
原创
发布博客 2023.09.03 ·
1002 阅读 ·
0 点赞 ·
1 评论 ·
10 收藏

PCIe XDMA AXI-Stream接口功能测试演示视频

发布视频 2023.09.03

Xilinx FPGA PCIe XDMA性能测试演示视频(AXI4-Stream接口)

发布资源 2022.03.13 ·
mp4

Xilinx FPGA PCIe XDMA性能测试报告(二)

1 测试内容本报告对Xilinx FPGA的PCIe XDMA结合DDR4-SDRAM缓存的性能进行了测试,同时,给出了具体的测试框图、测试平台、测试步骤、测试记录等内容。2 测试框图3 测试平台硬件平台:Dell R330(Intel Xeon E3-1220 v5 + 16GB)、Xilinx PCIe Gen3@8x + DDR4 64bit@2400MHz的光纤采集板软件平台:Windows10 x64系统、Windriver及Visual Studio 20154 测试步骤同上节,此
原创
发布博客 2022.03.05 ·
3242 阅读 ·
3 点赞 ·
4 评论 ·
8 收藏

Xilinx FPGA PCIe XDMA性能测试报告(一)

1 测试内容本报告对Xilinx FPGA的PCIe XDMA的性能进行了测试,同时,给出了具体的测试框图、测试平台、测试步骤、测试记录等内容。2 测试框图3 测试平台硬件平台:Dell R330(Intel Xeon E3-1220 v5 + 16GB)、Xilinx PCIe Gen3@8x光纤采集板软件平台:Windows10 x64系统、Windriver及Visual Studio 20154 测试步骤使用Windriver生成PCIe设备的驱动并通过硬件管理器内对该设备驱动进行更
原创
发布博客 2022.03.05 ·
3071 阅读 ·
1 点赞 ·
6 评论 ·
20 收藏

Xilinx FPGA PCIe XDMA性能测试演示视频

发布资源 2022.03.04 ·
mp4