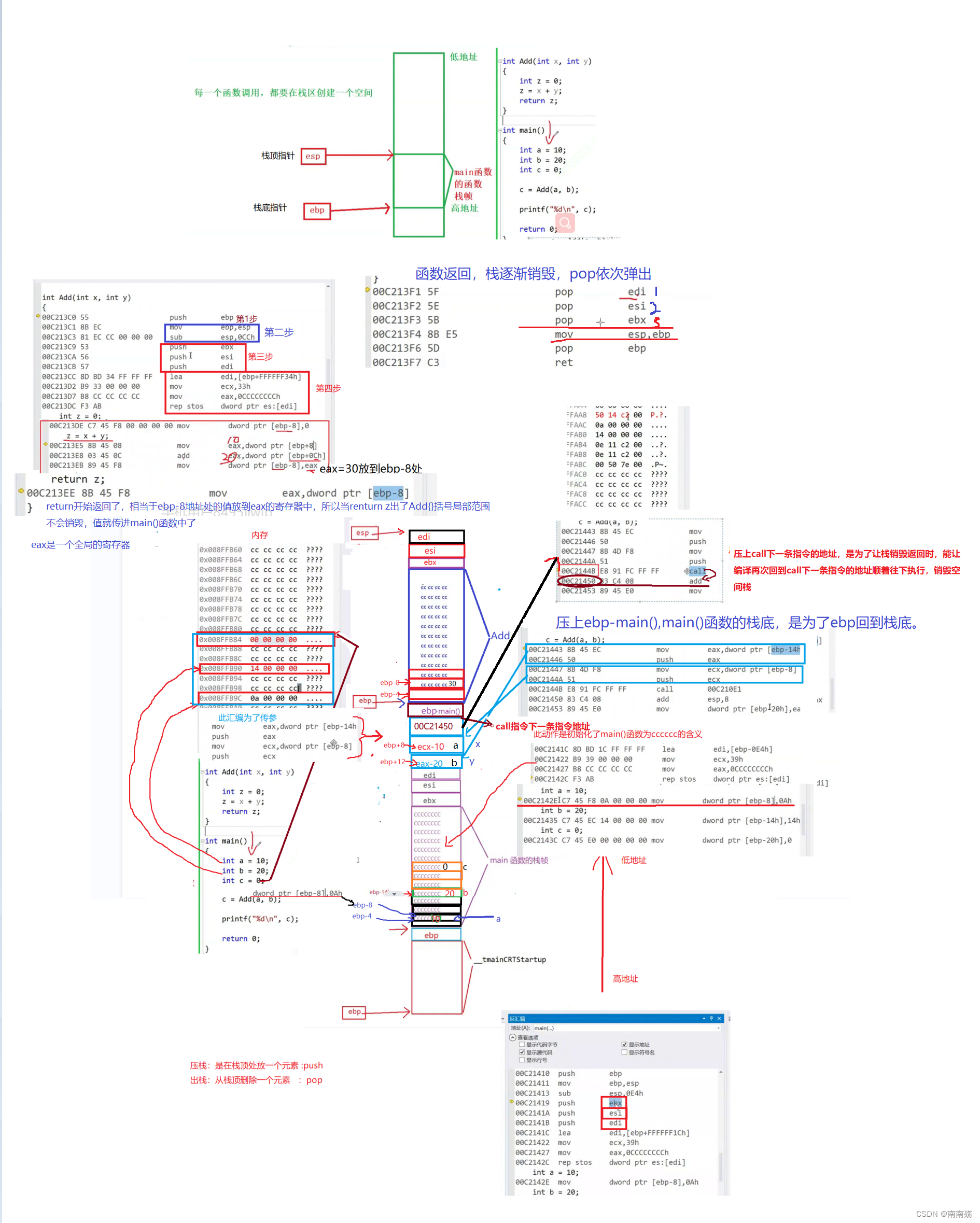
函数的传参是一分临时拷贝,通过栈的压栈,再把计算的的结果放进全局变量eax的寄存中,通过寄存器再放进main()中,所以return返回的值出了函数的局域范围,依然有效,是因为把值放进了eax的静态寄存器了
函数在传递参数时会进行临时拷贝,这些值通过栈进行压栈操作,计算后的结果存储在eax寄存器中。由于eax寄存器的作用,返回值即使在函数执行完毕后仍然有效,因为它保存在一个静态寄存器内,允许超出函数局部范围的访问。
函数的传参是一分临时拷贝,通过栈的压栈,再把计算的的结果放进全局变量eax的寄存中,通过寄存器再放进main()中,所以return返回的值出了函数的局域范围,依然有效,是因为把值放进了eax的静态寄存器了
1083
1万+
3130

被折叠的 条评论
为什么被折叠?
