目录
前言
MSP430具有超低功耗的特点,由于前段时间在准备电子设计大赛时学习了这款单片机,当时花了很多时间才把时钟篇看懂一点,特意在这里记录一下学习总结。我用的是MSP430F5529单片机,这款单片机可以直接用USB线连接电脑,在CCS上直接下载和调试程序,用起来还是很方便的。和STM32一样,MSP430的时钟是整个系统正常工作必不可少的一条件,我们学习他的重要性不言而喻。MSP430是16位的单片机,一个很大的优势就在于超低功耗,因此灵活且正确地配置是时钟是非常重要的,话不多说,接下来就以MSP430F5529为例来介绍一下MSP430的时钟系统UCS。参考的资料有数据手册和User's Guide以及一些大佬的博客。
(23条消息) MSP430F5529时钟25MHZ设置方式,觉得很有帮助(转载)_不说二话的自家人的博客-CSDN博客_msp430f5529时钟配置
(23条消息) MSP430F5529系统升压与时钟配置,初学者必看!_不说二话的自家人的博客-CSDN博客_msp430f5529时钟配置
一、MSP430时钟系统
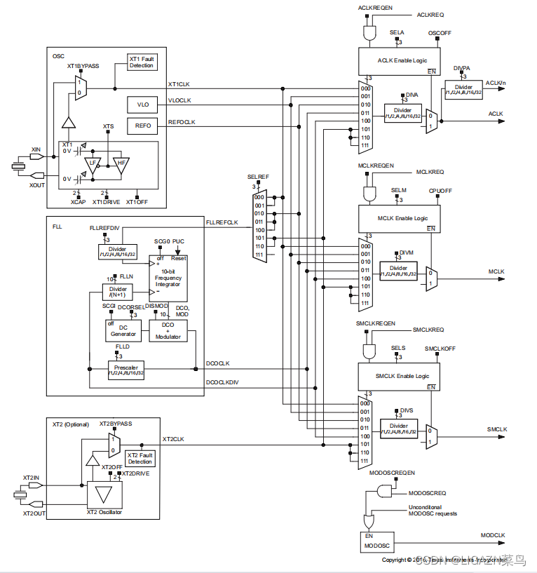
MSP430有五个时钟源,他们分别是XT1CLK,VLOCLK,REFOCLK,DCOCLK,XT2CLK。VLOCLK是内部低频低功耗时钟源(Internat LP/LF Oscillator)生成,XT1CLK由外部低频时钟源1(LFXT1 Osoillator)配合XIN与XOUT上外接的晶振电路或时钟信号生成,REFOCLK由内部修剪的低频振荡器产生,DCOCLK由内部数字控制振荡器(DCO)产生, XT12CLK由外部高速时钟源2(XT2 Osoillator)配合XT2IN与XT2OUT上外接的晶振电路或时钟信号生成。其中XTICLK和XT2CLK由外部晶振电路产生,时钟频率较为稳定和精确。其余的为内部的振荡器产生。下图为MSP430的时钟框图

这五个时钟源并不是直接提供给外设,而是先驱动三个时钟信号,ACLK(Auxiliary clock)辅助时钟,MCLK(Master clock)主时钟,SMCLK(Subsystem master clock)子系统主时钟。ACLK可以设置为XT1CLK, REFOCLK, VLOCLK, DCOCLK, DCOCLKDIV, XT2CLK,这其中之一经过1, 2, 4, 8, 16, or 32分频得到。ACLK可以在各个外设配置时被选择使用。和ACLK类似,MCLK为CPU和单片机系统提供时钟信号。SMCLK也可以被各个外设使用。

了解了MSP430的时钟系统之后就可以去配置MSP430的时钟。前面提到了ACLK,MCLK,SMCLK的时钟信号来源可以是XT1CLK, REFOCLK, VLOCLK, DCOCLK, DCOCLKDIV, XT2CLK的其中一个,并且需要经过分频器才能成为三大时钟信号,我们配置时钟无非就是配置时钟来源和分频系数。
二、MSP430的时钟配置
1.在配置时钟频率前要配置响应的电压

代码如下
void upVcc(void)//核心电压上升3级
{
PMMCTL0_H = 0xA5; //开启PMM电源管理,即开锁
SVSMLCTL |= SVSMLRRL_1 + SVMLE; //配置SVML电压
PMMCTL0 = PMMPW +PMMCOREV_3; //配置内核电压,选择3级
while((PMMIFG & SVSMLDLYIFG)==0); //等待配置完成
PMMIFG &=~ (SVMLVLRIFG + SVMLIFG + SVSMLDLYIFG);
if((PMMIFG & SVMLIFG)==1)
while((PMMIFG & SVMLVLRIFG)==0);
SVSMLCTL &=~ SVMLE; //关闭SVML
PMMCTL0_H = 0x00; //锁存配置,即关锁
}
2.配置时钟频率
配置SMCLK和MCLK为4M,ACLK为32.768khz
void UCS_Init(void)//配置主时钟MCLK和SMCLK为4M
{
// P1DIR |= BIT0; // ACLK set out to pins
// P1SEL |= BIT0;
P2DIR |= BIT2; // SMCLK set out to pins
P2SEL |= BIT2;
// P7DIR |= BIT7; // MCLK set out to pins
// P7SEL |= BIT7;
P5SEL |= BIT2+BIT3; // Port select XT2
UCSCTL6 &= ~XT2OFF; // Enable XT2
UCSCTL3 |= SELREF_2; // FLLref = REFO
// Since LFXT1 is not used,
// sourcing FLL with LFXT1 can cause
// XT1OFFG flag to set
UCSCTL4 |= SELA_2; // ACLK=REFO,SMCLK=DCO,MCLK=DCO
// Loop until XT1,XT2 & DCO stabilizes - in this case loop until XT2 settles
do
{
UCSCTL7 &= ~(XT2OFFG + XT1LFOFFG + DCOFFG);
// Clear XT2,XT1,DCO fault flags
SFRIFG1 &= ~OFIFG; // Clear fault flags
}while (SFRIFG1&OFIFG); // Test oscillator fault flag
UCSCTL6 &= ~XT2DRIVE0; // Decrease XT2 Drive according to
// expected frequency
UCSCTL4 |= SELS_5 + SELM_5; // SMCLK=MCLK=XT2
}
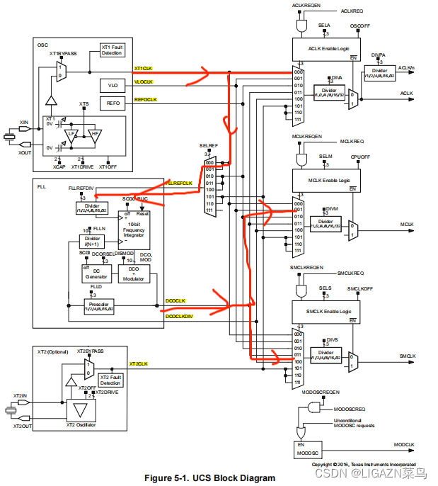
配置25M时钟频率
void timerup(void)//配置时钟25MHZ
{
UCSCTL3 = SELREF_2;
UCSCTL4 |= SELA_2;
__bis_SR_register(SCG0);
UCSCTL0 = 0x0000;
UCSCTL1 = DCORSEL_7;//50Mhz范围
UCSCTL2 = FLLD_0 + 762; //(762+1)*32768==25MHZ
__bic_SR_register(SCG0);
__delay_cycles(782000);延时
while(SFRIFG1 & OFIFG)//等待设置完成
{
UCSCTL7 &=~ (XT2OFFG + XT1LFOFFG + DCOFFG);
SFRIFG1 &=~ OFIFG;
}
//UCSCTL4 = UCSCTL4&(~(SELS_7|SELM_7))|SELS_3|SELM_3;
}
配置25M的时钟频率的最后的逻辑走向应该是这样的,如下图

总结
MSP430的时钟配置很复杂,目前的理解就是这些,后续有更深的理解会添加上去,也请各位大佬不吝赐教。
本文详细介绍MSP430F5529的时钟系统,包括不同时钟源选择、电压配置和频率设置步骤。重点讲解如何配置ACLK、MCLK和SMCLK,以及25MHz时钟的实现方法,适合电子设计初学者和超低功耗应用开发者。

2189

被折叠的 条评论
为什么被折叠?



