
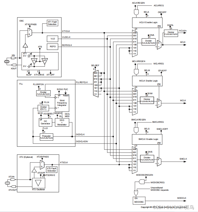
MSP430学习总结——UART串口
易错点在于波特率设置时的低频模式和过采样模式,其他的可以类比STM32来学习
MSP430学习总结
STM32学习总结
电子设计大赛 TA关注的专栏 2
TA关注的收藏夹 0
TA关注的社区 9
TA参与的活动 0

『技术文档』写作方法征文挑战赛
在技术的浩瀚海洋中,一份优秀的技术文档宛如精准的航海图。它是知识传承的载体,是团队协作的桥梁,更是产品成功的幕后英雄。然而,打造这样一份出色的技术文档并非易事。你是否在为如何清晰阐释复杂技术而苦恼?是否纠结于文档结构与内容的完美融合?无论你是技术大神还是初涉此领域的新手,都欢迎分享你的宝贵经验、独到见解与创新方法,为技术传播之路点亮明灯!


最近
文章
专栏
代码仓
资源
收藏
关注/订阅/互动
社区
帖子
问答
课程
视频
