trust me 6
码龄3年
关注
提问 私信
  • 博客:69,268
    社区:3
    69,271
    总访问量
  • 24
    原创
  • 41,901
    排名
  • 1,109
    粉丝
  • 193
    铁粉
  • 学习成就

个人简介:主要分享c语言知识与嵌入式相关应用,希望和各位朋友多多交流

IP属地以运营商信息为准,境内显示到省(区、市),境外显示到国家(地区)
IP 属地:江苏省
  • 加入CSDN时间: 2021-07-26
博客简介:

m0_60503814的博客

查看详细资料
  • 原力等级
    成就
    当前等级
    3
    当前总分
    409
    当月
    71
个人成就
  • 获得351次点赞
  • 内容获得20次评论
  • 获得720次收藏
  • 代码片获得967次分享
创作历程
  • 19篇
    2024年
  • 5篇
    2023年
成就勋章
TA的专栏
  • 嵌入式相关外设
    10篇
  • C语言基础知识
    9篇
兴趣领域 设置
  • 编程语言
    开发语言
  • 嵌入式
    单片机stm32
创作活动更多

HarmonyOS开发者社区有奖征文来啦!

用文字记录下您与HarmonyOS的故事。参与活动,还有机会赢奖,快来加入我们吧!

0人参与 去创作
  • 最近
  • 文章
  • 代码仓
  • 资源
  • 问答
  • 帖子
  • 视频
  • 课程
  • 关注/订阅/互动
  • 收藏
搜TA的内容
搜索 取消

STM32--SPI原理及应用

本文主要展示了SPI原理、应用及代码实现
原创
发布博客 2024.10.22 ·
1029 阅读 ·
23 点赞 ·
0 评论 ·
19 收藏

STM32——USART原理及应用

USART基本原理与应用
原创
发布博客 2024.10.13 ·
1106 阅读 ·
17 点赞 ·
0 评论 ·
15 收藏

stm32启动文件

stm32启动文件
原创
发布博客 2024.05.27 ·
739 阅读 ·
6 点赞 ·
0 评论 ·
13 收藏

AHB与APB总线介绍

介绍AHB与APB,芯片中的总线作用
原创
发布博客 2024.05.27 ·
2793 阅读 ·
26 点赞 ·
0 评论 ·
46 收藏

指针数组与数组指针有何区别?

详解指针数组与数组指针有何区别
原创
发布博客 2024.05.08 ·
338 阅读 ·
3 点赞 ·
0 评论 ·
1 收藏

C语言——strtol()函数

用于将字符串转换为长整型数。
原创
发布博客 2024.03.07 ·
2732 阅读 ·
6 点赞 ·
0 评论 ·
14 收藏

C语言——向上取整、向下取整

C语言向上取整,向下取整
原创
发布博客 2024.02.27 ·
5025 阅读 ·
2 点赞 ·
0 评论 ·
9 收藏

C语言——union联合体

union联合体(共用体)的原理及应用 ;union与struct结合使用
原创
发布博客 2024.02.23 ·
456 阅读 ·
6 点赞 ·
0 评论 ·
3 收藏

C语言——struct结构体

定义 struct 的一般语法如下struct 结构体名称 {类型 成员1;类型 成员2;// 更多成员定义举个栗子~int id;在该示例中,我们定义了一个名为 Student 的结构体,它包含了学生的学号、名字和成绩,分别是整型、字符数组和浮点数类型。对齐方式是计算机系统中用来确定数据存储地址的规则,它确保数据在内存中以特定的边界开始存储。简而言之,对齐方式是指数据对象存储时所采用的地址对齐策略。比如每个数据的起始地址都是4的倍数,这就是4字节对齐,依次类推。对齐方式是为了。
原创
发布博客 2024.02.23 ·
4330 阅读 ·
29 点赞 ·
0 评论 ·
82 收藏

STM32——IIC(I2C)附代码

介绍IIC(I2C)的原理及应用,代码部分包括:软件模拟IIC与IIC硬件外设。利用IIC实现stm32与MPU6050姿态传感器的通信的代码。
原创
发布博客 2024.02.21 ·
6914 阅读 ·
43 点赞 ·
2 评论 ·
80 收藏

嵌入式软件开发分层

硬件层是嵌入式系统的最底层,负责与具体的硬件设备进行交互。它提供固定的。
原创
发布博客 2024.02.20 ·
1861 阅读 ·
13 点赞 ·
1 评论 ·
29 收藏

C语言——extern

extern原理及应用
原创
发布博客 2024.02.19 ·
464 阅读 ·
7 点赞 ·
1 评论 ·
3 收藏

STM32——PWM原理及应用(附代码)

PWM的原理及应用讲解,附代码
原创
发布博客 2024.02.19 ·
21040 阅读 ·
76 点赞 ·
3 评论 ·
190 收藏

c语言大小字母转化

在c语言中,toupper()函数:将小写字母转大写字母;tolower()函数:将大写字母转小写字母。这两个函数需要先引入头文件。
原创
发布博客 2024.02.18 ·
248 阅读 ·
2 点赞 ·
0 评论 ·
4 收藏

C语言——static

static关键字介绍
原创
发布博客 2024.02.18 ·
747 阅读 ·
22 点赞 ·
0 评论 ·
15 收藏

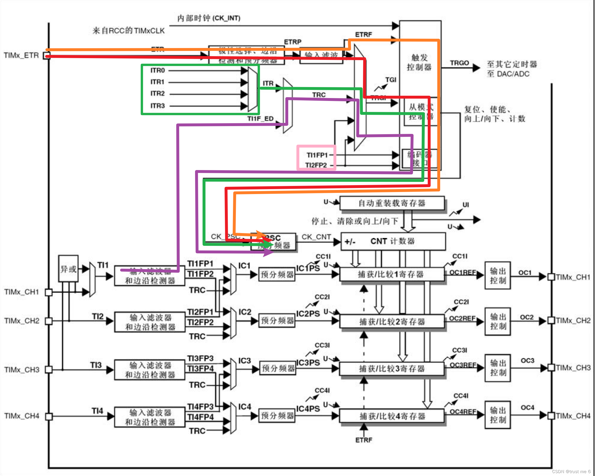
STM32——TIM定时器(附代码)

本文讲述了定时器的原理与应用,代码实现等。
原创
发布博客 2024.02.18 ·
2275 阅读 ·
18 点赞 ·
0 评论 ·
36 收藏

STM32——看门狗(独立看门狗,窗口看门狗,附代码)

看门狗(独立看门狗、窗口看门狗)的原理及代码实现。
原创
发布博客 2024.02.06 ·
4364 阅读 ·
16 点赞 ·
2 评论 ·
62 收藏

STM32——DMA原理(附代码)

DMA原理介绍、框图详解、结构体详解及代码实现
原创
发布博客 2024.02.06 ·
1964 阅读 ·
16 点赞 ·
1 评论 ·
34 收藏

STM32——ADC模块 (附代码)

ADC可以将引脚上连续变化的模拟电压转换为内存中存储的数字变量,建立模拟电路到数字电路的桥梁。2.ADC是如何转换的?ADC是通过进行AD转换的,那么什么是逐次逼近呢?如上图示,比较器左侧是输入的未知电压,右侧是DAC输出的已知电压(知道电压值并且知道电压对应的数字信号值),外部输入的未知编码的电压与DAC输出的已知编码的电压,它俩同时输入到电压比较器,进行大小判断,如果DAC输出的电压大,就调小DAC的数据,如果小,就增大DAC数据,为了提高比较速度,ADC选择二分法比较。
原创
发布博客 2024.02.04 ·
1972 阅读 ·
10 点赞 ·
1 评论 ·
33 收藏

FreeRTOS入门

FreeRTOS简单介绍
原创
发布博客 2023.12.08 ·
106 阅读 ·
0 点赞 ·
0 评论 ·
0 收藏
加载更多