一、毫安时和毫瓦时
二、开关电路
三、继电器
四、半导体
五、二极管
六、三极管
七、三极管应用案例
一、毫安时和毫瓦时
毫安时(mAh)和毫瓦时(mWh)是两个不同的物理量,它们分别表示电量和能量的度量单位。下面的图片是我们在拼多多上搜索18650得到的结果,问哪个电池更好?

毫安时(mAh,milliampere-hour)和毫瓦时(mWh,milliwatt-hour)都是用于描述电能的单位,但它们分别表示电流和功率在时间上的积分。
毫安时(mAh):
-
定义: 毫安时是电流的单位,表示电流在一小时内的积分。1毫安时等于电流为1毫安(1mA)持续流动一小时。
-
应用: 毫安时常用于描述电池的容量,特别是移动设备、电子设备中的可充电电池。例如,一个电池容量为1000毫安时(mAh)的意思是它可以提供1毫安的电流,持续流动1000小时。
毫瓦时(mWh):
-
定义: 毫瓦时是功率的单位,表示功率在一小时内的积分。1毫瓦时等于功率为1毫瓦(1mW)持续作用一小时。
-
应用: 毫瓦时通常用于描述设备或系统的能量消耗。例如,一个设备在运行过程中的总能耗为100毫瓦时,表示它在一小时内消耗的总能量为100毫瓦。
关系:
这两个单位之间的关系可以通过以下公式表示:
Energy (mWh) = Current (mAh) × Voltage (V) × 0.001 \text{Energy (mWh)} = \text{Current (mAh)} \times \text{Voltage (V)} \times 0.001 Energy (mWh)=Current (mAh)×Voltage (V)×0.001
其中,电压(V)是电池或电源的电压。这个公式基于电流、电压和时间之间的关系。
总的来说,毫安时和毫瓦时都是用于描述电能的单位,但它们关注的方面略有不同,一个关注电流一个关注功率。在电池容量和设备能耗方面,它们经常一起使用以提供更全面的信息。
毫安时和毫瓦时转换
要进行毫安时(mAh)和毫瓦时(mWh)之间的转换,需要考虑电流、电压和时间之间的关系。基本的关系可以通过以下公式表示:
能量 (mWh) = 电流 (mAh) × 电压 (V) × 时间 (h) \text{能量 (mWh)} = \text{电流 (mAh)} \times \text{电压 (V)} \times \text{时间 (h)} 能量 (mWh)=电流 (mAh)×电压 (V)×时间 (h)
如果你知道其中两个量,你可以使用这个公式来计算第三个量。例如,如果你知道电流和电压,可以使用以下公式计算能量:
能量 (mWh) = 电流 (mAh) × 电压 (V) \text{能量 (mWh)} = \text{电流 (mAh)} \times \text{电压 (V)} 能量 (mWh)=电流 (mAh)×电压 (V)
如果你知道能量和电流,可以使用以下公式计算时间:
时间 (h) = 能量 (mWh) 电流 (mAh) × 电压 (V) \text{时间 (h)} = \frac{\text{能量 (mWh)}}{\text{电流 (mAh)} \times \text{电压 (V)}} 时间 (h)=电流 (mAh)×电压 (V)能量 (mWh)
请确保在使用这些公式时使用相同的单位。例如,如果电流是以毫安时(mAh)表示,电压是以伏特(V)表示,那么计算结果将以毫瓦时(mWh)为单位。
计算电池容量
为了计算电流(毫安时,mAh),可以使用以下公式:
电流 (mAh) = 能量 (mWh) 电压 (V) \text{电流 (mAh)} = \frac{\text{能量 (mWh)}}{\text{电压 (V)}} 电流 (mAh)=电压 (V)能量 (mWh)
给定数据为 12580 mWh 12580\text{mWh} 12580mWh 的能量和 3.7 V 3.7\text{V} 3.7V 的电压,将其代入公式:
电流 (mAh) = 12580 mWh 3.7 V \text{电流 (mAh)} = \frac{12580 \, \text{mWh}}{3.7 \, \text{V}} 电流 (mAh)=3.7V12580mWh
电流 (mAh) ≈ 3400 mAh \text{电流 (mAh)} \approx 3400 \, \text{mAh} 电流 (mAh)≈3400mAh
因此,12580毫瓦时的能量在3.7伏特的电压下相当于约3400毫安时的电流。
多少节5号电池等于1度电?
5号电池容量800mAh
5号电池的电压是1.5V, 1.5V乘以0.8得到的是1.2wh, 说明5号电池以1.2瓦的功率工作可以工作1小时, 1度电又叫一千瓦时。 1000除以1.2等于833,也就是833节5号电池相当于1度电。

计算电车充电所需的能量
特斯拉含有7000节18650电池,每个18650电池12.5瓦时,充满特斯拉汽车需要12.5*7000的能量,约等于87.5度电, 一度电5毛钱。不到50元的电费,跑500公里,所以非常非常划算。
首先,我们计算充满特斯拉汽车所需的总能量:
总能量 (kWh) = 单个18650电池能量 (kWh) × 18650电池数量 \text{总能量 (kWh)} = \text{单个18650电池能量 (kWh)} \times \text{18650电池数量} 总能量 (kWh)=单个18650电池能量 (kWh)×18650电池数量
给定单个18650电池能量为 ( 12.5 kWh 12.5 \, \text{kWh} 12.5kWh),18650电池数量为 (7000),我们有:
总能量 = 12.5 kWh × 7000 \text{总能量} = 12.5 \, \text{kWh} \times 7000 总能量=12.5kWh×7000
总能量 = 87.5 kWh \text{总能量} = 87.5 \, \text{kWh} 总能量=87.5kWh
接着,我们将总能量转换为电费:
电费 = 总能量 (kWh) × 电价 (元/kWh) \text{电费} = \text{总能量 (kWh)} \times \text{电价 (元/kWh)} 电费=总能量 (kWh)×电价 (元/kWh)
给定电价为 ( 0.5 元/kWh 0.5 \, \text{元/kWh} 0.5元/kWh):
电费 = 87.5 kWh × 0.5 元/kWh \text{电费} = 87.5 \, \text{kWh} \times 0.5 \, \text{元/kWh} 电费=87.5kWh×0.5元/kWh
电费 = 43.75 元 \text{电费} = 43.75 \, \text{元} 电费=43.75元
请注意,这只是电池充电的费用,不包括其他成本,例如电池损耗、充电效率等。此外,实际电费可能会因为不同地区的电价不同而有所不同。
二、开关电路
用电去控制电是计算机工作的核心原理
开关电路是一种基本的电路,它可以控制电流或电压的流动或输出。简单的讲就是用电来控制负载电流或电压的输出。
开关电路在现代电子技术中有着广泛的应用,是电子电路设计和实现中必不可少的一部分。
用电去控制电,也是计算机工作的核心原理。
三、继电器
用电信号去控制电
继电器(Relay)是一种电气开关,它在电路中通过控制一个电信号来操作另一个电路的开关,实现了电信号与电气信号之间的转换。下面是有关继电器的一些关键特点和工作原理:
-
构造和工作原理: 继电器通常由一个电磁线圈、一个磁铁、触点和外壳组成。当电流通过线圈时,产生的磁场使得磁铁受到吸引,改变触点的状态。这样,通过控制线圈的电流,可以打开或关闭继电器的触点。
-
类型: 有许多类型的继电器,包括电磁继电器、固态继电器、时间继电器等。每种类型的继电器都有其特定的应用场景和工作原理。
-
用途: 继电器广泛应用于各种领域,包括自动化、电力系统、通信、电子设备等。在电力系统中,继电器用于保护电路和设备,实现断路、闭合和自动切换。在自动化系统中,继电器用于控制电机、灯光、加热器等。
-
优点: 继电器具有稳定性高、可靠性好、寿命长等优点。由于其机械触点的特性,继电器在一些特殊环境下可能更适用,例如高温、潮湿环境。
-
缺点: 由于继电器中存在机械部分,开关速度相对较慢,且在频繁开关时容易产生电弧,导致触点磨损,影响寿命。
总体而言,继电器是一种重要的电气元件,它在电路中扮演着重要的控制角色。随着技术的发展,固态继电器等新型继电器也逐渐应用,以弥补传统继电器的一些缺点。
继电器、真空管和晶体管都是用于实现电信号的开关控制的电子元件,继电器最容易理解,我们先讨论继电器
继电器是一种电气元器件,它通过接受一个电信号来控制另一个电路中的电压或电流。继电器通常由一个磁铁和一个电磁线圈组成。当通过线圈流过一定电流时,磁铁会产生磁场,使触点间距变小,进而接通电路。继电器由于具有绝对稳定、高效率、长寿命、安全可靠等优点,因而在自动化、电力、通信、电子等领域中广泛应用。
继电器用到了电和磁的特性
通电的螺线圈会产生磁场

继电器的工作原理涉及了电和磁的相互作用。
以下是继电器使用电和磁的基本原理:
-
电磁线圈产生磁场: 继电器中的主要组件之一是电磁线圈,当这个线圈通电时,它会产生一个磁场。这是基于安培环路定律,通电的导线周围会形成一个磁场。
-
磁场影响磁铁: 通电的电磁线圈产生的磁场会影响继电器中的磁铁。在典型的电磁继电器中,磁铁通常与继电器的机械结构相连接。
-
磁铁运动引起触点动作: 当电磁线圈通电,磁铁受到吸引,会改变继电器内的机械结构,通常是移动触点的位置。这种运动可能使得触点闭合或打开,改变电路的状态。
-
触点的状态控制电流流动: 触点的闭合或打开改变了电路的连接状态。如果触点闭合,电流得以流通,电路是闭合的;如果触点打开,电流被中断,电路是断开的。
通过这种方式,继电器实现了对一个电路的控制,通过控制电磁线圈的通断,可以间接控制与之关联的其他电路。这种基于电磁原理的控制方式使得继电器在电气系统中有着广泛的应用。值得注意的是,由于机械触点的存在,继电器在频繁开关时可能会产生电弧,因此在一些应用中可能会选择使用固态继电器等替代方案。
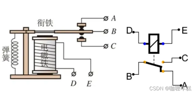
继电器示意图

简单的看上边的图就是,D和E之间通电,电磁铁产生吸力,吸引铣铁B和C接触, D和E之间断电,在弹簧的作用下,电磁铁失去吸力,A和B接触。
我们通过控制D和E之间的电,就能控制B和C,B和A之间的电信号。



常开位和常闭位
在继电器中,常开位(Normally Open, NO)和常闭位(Normally Closed, NC)是与触点状态相关的概念。它们描述了在继电器未受激励(未通电)时触点的初始状态。
-
常开位(Normally Open, NO): 在继电器未受激励时,触点是打开的,不导通电流。当电磁线圈通电激励时,产生的磁场使得触点闭合,从而允许电流流过。
-
常闭位(Normally Closed, NC): 在继电器未受激励时,触点是闭合的,允许电流流过。当电磁线圈通电激励时,产生的磁场使得触点打开,中断电流。
这两种状态提供了在继电器控制下的电路中的两种基本操作。选择使用常开位或常闭位取决于具体的应用需求。例如,在某些应用中,需要在继电器未激励时电路处于断开状态,此时常闭继电器就是合适的选择。在其他情况下,可能需要在继电器未激励时电路处于闭合状态,此时常开继电器就更合适。
需要注意的是,这里的描述基于传统的电磁继电器,固态继电器等新型继电器可能不具备机械触点,其状态切换可能通过半导体元件实现,但常开位和常闭位的概念仍然适用。



搭载继电器CPU的电脑
四、半导体
半导体是一种介于导体(如金属)和绝缘体(如木材)之间的材料,其电导性介于两者之间。半导体的电导性可以通过控制外加电压或其他外部条件而发生变化。
硅(Silicon)是一种广泛用于制造半导体器件的材料,因此被称为硅半导体。
以下是硅半导体的一些关键特性和应用:
-
半导体特性: 硅是一种四价元素,它在晶体结构中形成共价键。硅半导体的电导性取决于掺杂(添加其他元素)和温度。通过掺杂可以形成 n 型半导体(加入杂质元素,增加自由电子)和 p 型半导体(加入杂质元素,增加空穴),这两者结合形成 p-n 结,是许多半导体器件的基础。
-
半导体器件: 硅半导体广泛应用于各种电子器件的制造,包括晶体管、二极管、集成电路等。晶体管是一种重要的半导体器件,它可以用作放大信号、开关电路等。集成电路则将多个半导体器件集成在一个芯片上,实现复杂的功能。
-
光电子学: 硅半导体在光电子学领域也有重要应用,例如在太阳能电池中,硅被用作光电转换材料,将光能转化为电能。
-
半导体制造工艺: 制造半导体器件涉及复杂的工艺流程,包括光刻、沉积、腐蚀等步骤。这些工艺用于在硅晶片上创建微小的电路和器件。
总体而言,硅半导体在现代电子技术和信息技术中发挥着关键作用,它是制造各种电子器件和集成电路的基础材料之一。

纯硅是一种绝缘体,因为其晶体结构中的原子几乎都形成了共价键,电子难以在这些键中自由移动。然而,通过掺杂可以改变硅的导电性质,形成 P 型和 N 型半导体。P型半导体和N型半导体是半导体领域中的基本概念,它们涉及到半导体材料的掺杂和导电性质的调控。
-
纯硅(Intrinsic Silicon): 纯硅是指未受到任何杂质掺杂的硅材料。在纯硅中,硅原子通过共价键连接形成晶格结构,而没有额外的杂质原子。在这种状态下,硅表现出较差的导电性,接近于绝缘体。它的电子几乎都与共价键形成的原子结合,不容易自由运动,因此电导性很差。
-
P型半导体(P-type Semiconductor): 当硅中掺杂了少量的三价元素(通常是硼,B)时,形成了P型半导体。硼原子少了一个电子,因此它有一个“空穴”(缺失的电子)。这个“空穴”相当于一个带正电的载流子,因此P型半导体带正电。
-
N型半导体(N-type Semiconductor): 当硅中掺杂了少量的五价元素(通常是磷,P)时,形成了N型半导体。磷原子多了一个电子,这个多余的电子可以自由运动,因此N型半导体带负电。
这样的掺杂改变了硅晶体中的电子结构,引入了额外的载流子,从而改变了硅的导电性质。P型半导体中的主要载流子是“空穴”(正电荷),而N型半导体中的主要载流子是自由电子(负电荷)。
P型和N型半导体的结合形成了P-N 结,这是许多半导体器件(例如二极管和晶体管)的基础。通过在硅中巧妙掺杂,可以实现对电流的控制,为半导体器件的设计和制造提供了基础。这种材料设计的灵活性使得半导体器件在电子技术中有着广泛的应用。
p的英文是positive,带正电
n的英文是negative,带负电
五、二极管
二极管是一种电子元件,它由两种不同类型的半导体材料制成。这些材料被安排在一起,形成了一个名为 P-N 结的结构。这种结构使得电流只能沿一个方向通过二极管,而另一个方向则无法通过。
因为二极管只允许电流在一个方向上通过,所以它在电子学中有很多用途。例如,我们可以使用二极管制作电池充电器、电源适配器和许多其他电子设备。

二极管是一种基本的半导体器件,它的 P-N 结结构确保了在正向偏置时电流可以流通,而在反向偏置时电流被阻止。这种性质使得二极管在电子学中有着广泛的应用。以下是一些关于二极管的重要概念:
-
P-N 结: 二极管由一块 P型半导体和一块 N型半导体组成,它们被称为 P-N 结。在 P-N 结上,P型和N型的材料通过扩散结合在一起,形成了一个电势垒。这个电势垒是阻碍电流流动的关键。
-
正向偏置: 当二极管的 P端连接到正电压,N端连接到负电压时,电势垒减小,电流可以通过。这种状态称为正向偏置,二极管处于导通状态。
-
反向偏置: 当二极管的 P端连接到负电压,N端连接到正电压时,电势垒增加,电流被阻止。这种状态称为反向偏置,二极管处于截止状态。
-
用途: 二极管在电子电路中有许多应用。一些常见的用途包括:
- 整流器: 将交流电转换为直流电。
- 电源保护: 用于防止电流逆向流入电源。
- 发光二极管(LED): 在正向偏置时发光,用于指示和照明。
- 逻辑门: 作为数字电路中的基本逻辑元件。
总体而言,二极管是电子学中非常重要的元件,其特性和应用对于理解和设计电子电路至关重要。
二极管还有其他一些重要的应用,包括在逻辑门、放大电路和振荡器中的使用。此外,特殊类型的二极管,如发光二极管(LED)和光电二极管(光电二极管),在光学和通信领域也有着广泛的应用。
正向导通和反向截止
正向导通和反向截止是二极管的两个基本工作状态:
-
正向导通(Forward Bias): 当二极管的 P 端连接到正电压,N 端连接到负电压时,这种状态被称为正向偏置。在正向偏置下,电势垒减小,允许电流流过。此时,二极管处于导通状态,电流沿着 P 端到 N 端的方向流动。
-
反向截止(Reverse Bias): 当二极管的 P 端连接到负电压,N 端连接到正电压时,这种状态被称为反向偏置。在反向偏置下,电势垒增大,阻碍电流流过。此时,二极管处于截止状态,电流被阻止。
这两个状态是二极管工作的基本原理。在正向偏置下,电流可以流通,而在反向偏置下,电流被阻止。这种性质使得二极管能够在电路中实现整流、保护、信号检测等功能。
六、三极管
三极管也是一种用电去控制电的电子元器件
三极管有三个区域,所以它被称为三极管。这三个区域分别被称为发射极、基极和集电极。
当在三极管的基极输入电流信号时,这个信号可以控制三极管的集电极和发射极之间的电流流动。这样的话,我们就可以通过改变输入信号的电流来控制输出电流的大小。
三极管常常被用来放大电信号,例如在无线电和音频放大器中。它们也可以用来控制电路中的电流,例如在电子开关和电源电路中。

三极管(又称晶体管)
三极管(又称晶体管)是一种半导体器件,具有三个主要区域,分别是发射极(Emitter)、基极(Base)和集电极(Collector)。这三个区域的控制和调节使得三极管在电子电路中有着广泛的应用,如信号放大、开关控制等。
下面是关于三极管的基本工作原理和应用:
-
基本结构: 三极管通常有两种类型,NPN型和PNP型。在NPN型三极管中,发射极是 N 型半导体,而在PNP型三极管中,发射极是 P 型半导体。基极夹在发射极和集电极之间,通过在基极输入电流信号,可以控制发射极和集电极之间的电流流动。
-
工作原理: 当在基极输入一个电流信号时,这个信号控制了基极和发射极之间的电流。这种控制作用导致了集电极和发射极之间的电流的变化,实现了信号的放大。
-
放大器应用: 三极管常被用作放大器,特别是在放大小信号的应用中,例如在无线电和音频放大器中。通过适当的电路设计,三极管可以放大输入信号的幅度,使其输出变得更大。
-
开关应用: 三极管也可以用作开关,通过在基极输入电流信号,可以控制集电极和发射极之间的电流通断,实现电路的开关功能。
-
数字电路: 在数字电路中,三极管也可以被用作逻辑门和存储元件的基本构建块。
总的来说,三极管是一种非常重要的半导体器件,它在电子学和电路设计中扮演着重要的角色,具有信号放大、开关控制等多种应用。
发射极(Emitter)、基极(Base)、集电极(Collector)
三极管是一种受控的双极(双极指有正负两种类型的载流子)半导体器件,它包括三个层次:发射极(Emitter)、基极(Base)、集电极(Collector)。这三个区域在三极管的工作中扮演着不同的角色:
-
发射极(Emitter): 这是三极管的第一个区域,它是主要的电子或正电荷(取决于是 NPN 还是 PNP 三极管)注入区域。发射极放射出大量的载流子。
-
基极(Base): 这是控制三极管的区域。输入到基极的小电流会影响发射极和集电极之间的大电流。基极电流的小变化可以引起发射极和集电极之间的电流的大变化。
-
集电极(Collector): 这是三极管的第三个区域,它负责收集从发射极注入的电流,并将其引导到电路中。集电极电流是由基极电流控制的。
三极管的工作原理可以简单概括为:当在基极输入电流信号时,这个信号会影响发射极和集电极之间的电流流动,从而控制整个器件的放大作用。三极管可以用于放大电信号,因此在各种电子设备中广泛应用,如放大器、振荡器、开关等。
两个常见的三极管类型是 NPN 和 PNP,它们的符号和工作方向相反,但原理相似。
三极管工作原理
两种不同类型的三极管
npn型三极管和pnp型三极管

三极管是一种双极型晶体管,包括NPN型和PNP型两种,下面将分别说明它们的工作原理。
NPN型三极管:
-
结构:
- 发射极(Emitter): N型半导体材料。
- 基极(Base): P型半导体材料。
- 集电极(Collector): N型半导体材料。
-
工作原理:
- 当在基极加上正电压时,将形成电子空穴对,电子由发射极注入基极。
- 这些电子会穿越基极-发射极结,进入集电极,形成电流。
- 控制基极电流可以有效地控制集电极电流,因此三极管可以作为放大器或开关使用。
-
应用:
- NPN型三极管在电子放大器、数字逻辑电路和开关电路等方面广泛应用。
PNP型三极管:
-
结构:
- 发射极(Emitter): P型半导体材料。
- 基极(Base): N型半导体材料。
- 集电极(Collector): P型半导体材料。
-
工作原理:
- 当在基极加上负电压时,形成电子空穴对,电子由基极注入发射极。
- 这些电子会穿越基极-发射极结,进入集电极,形成电流。
- 控制基极电流可以有效地控制集电极电流,因此PNP型三极管也可以作为放大器或开关使用。
-
应用:
- PNP型三极管同样在电子放大器、数字逻辑电路和开关电路等方面得到广泛应用。
总体而言,三极管的工作原理是基于电流在半导体材料中的注入和控制,利用不同类型的半导体材料形成PN结,从而实现电流的放大或开关控制。
特殊的三极管-MOS管

场效应晶体管
场效应晶体管(Field-Effect Transistor,FET)是一种电子器件,用于控制电流流动。它包括源极(Source)、漏极(Drain)、栅极(Gate)三个主要区域。FET主要分为两种类型:N沟道场效应晶体管(N-channel FET)和P沟道场效应晶体管(P-channel FET)。
N沟道场效应晶体管(N-channel FET):
-
结构:
- 源极(Source): N型半导体材料,通常是硅。
- 漏极(Drain): 同样是N型半导体材料。
- 栅极(Gate): 由绝缘材料(通常是氧化物)和多晶硅组成。
-
工作原理:
- 当在栅极施加正电压时,形成电场,吸引N型载流子(电子)流向漏极。
- 栅极电压的变化可以调节源极到漏极的电流,实现电流的控制。
-
应用:
- N沟道MOSFET广泛应用于数字电子、集成电路和放大器等领域。
P沟道场效应晶体管(P-channel FET):
-
结构:
- 源极(Source): P型半导体材料。
- 漏极(Drain): 同样是P型半导体材料。
- 栅极(Gate): 由绝缘材料和多晶硅组成。
-
工作原理:
- 当在栅极施加负电压时,形成电场,吸引P型载流子(空穴)流向漏极。
- 栅极电压的变化可以调节源极到漏极的电流,实现电流的控制。
-
应用:
- P沟道MOSFET在一些特定的电路设计中有用途,例如一些功率放大器。
场效应晶体管由于其高输入阻抗、低功耗和快速的响应速度等特性,在集成电路中得到了广泛的应用。
场效应晶体管和三极管的区别
场效应晶体管(Field-Effect Transistor,FET)
传统的三极管(双极型晶体管,如NPN或PNP晶体管)
这两者的不同:
-
场效应晶体管(FET):
- 结构: FET包括源极(Source)、漏极(Drain)、栅极(Gate)。
- 工作原理: FET的电流由栅极-源极电压控制。在MOSFET(金属氧化物半导体场效应晶体管)中,栅极周围有绝缘的氧化物,电流主要通过栅极施加的电场调控。
- 类型: N沟道场效应晶体管(N-channel FET)和P沟道场效应晶体管(P-channel FET)。
-
三极管:
- 结构: 三极管有三个区域,包括发射极(Emitter)、基极(Base)、集电极(Collector)。
- 工作原理: 三极管的电流主要由基极-发射极电流控制。在NPN型三极管中,电子流从发射极到集电极。在PNP型三极管中,电流方向相反。
- 类型: NPN三极管和PNP三极管。
对于场效应晶体管,您提到的源极、漏极、栅极是它的基本结构。在N沟道MOSFET中,源极和漏极都是N型硅,而栅极是通过SiO2绝缘的多晶硅。在P沟道MOSFET中,类型相反,源极和漏极是P型硅,栅极仍然是通过绝缘的多晶硅。P型硅衬底是为了提供基本的半导体材料,它通常在整个芯片的底部。
这种结构的FET具有很好的电子特性,因此在现代集成电路中广泛应用。如果您需要更详细的信息,请告诉我。
七、三极管应用案例
非接触式电笔

非接触式测电笔硬件电路组成

放大特性
放大电流
J1就是一小块金属片
相当于电容的一极
J1金属片靠近火线的时候
因为火线是交流电,按照50HZ的频率在变化,电流的变化会引起磁场的变化,最终在J1会感应出微弱的电压和电流
J1的电流经过Q1放大
Q1放大后的电流又经过Q2放大
Q2放大后的电流又经过Q3放大
最终产生约20ma的电流,能够点亮LED灯

放大特性通常指的是放大器的性能特征,主要包括放大器的增益、频率响应、输入输出特性等。不同类型的放大器在这些方面表现出不同的特性。
放大器的主要特性:
-
增益(Gain):
- 定义: 放大器的输出电压与输入电压之间的比值。
- 单位: 常用分贝(dB)表示。
- 重要性: 增益决定了放大器放大信号的程度。
-
频率响应(Frequency Response):
- 定义: 放大器对不同频率的输入信号的响应。
- 重要性: 确保放大器在整个频谱范围内都能正常工作。
-
输入输出特性:
- 输入特性: 描述了放大器对不同输入电平的响应。
- 输出特性: 描述了放大器输出电压随负载变化或其他因素的变化。
-
失真(Distortion):
- 定义: 放大器输出信号与输入信号之间的失真程度。
- 类型: 谐波失真、交调失真等。
- 重要性: 低失真是放大器设计的关键目标之一。
-
输入阻抗和输出阻抗:
- 输入阻抗: 描述了放大器对输入信号的电阻。
- 输出阻抗: 描述了放大器对负载的电阻。
-
稳定性(Stability):
- 定义: 放大器在不同工作条件下的稳定性。
- 重要性: 保持稳定性对于放大器的可靠性和性能至关重要。
-
噪声(Noise):
- 定义: 放大器引入的任何不希望的电信号。
- 重要性: 低噪声是在信号处理应用中关键的。
这些特性是在设计和选择放大器时需要考虑的重要因素。具体的放大器类型(如放大器管、运放、集成电路放大器等)以及应用环境会影响这些特性的具体要求。
三极管和MOS管的区别
三极管是电流控制更耗电,MOS管是电压控制所以MOS管更耐压
三极管(双极型晶体管)和MOS管(金属-氧化物-半导体场效应晶体管)是两种不同类型的晶体管,它们在工作原理、结构和应用方面存在一些显著的区别。
三极管(双极型晶体管):
-
结构:
- 包括三个区域:发射极、基极和集电极。
- 基于P-N结的电流注入和放大原理。
-
工作原理:
- 通过注入少量载流子(电子或空穴)控制较大电流的流动。
- 有NPN型和PNP型两种。
-
控制:
- 控制电流通过基极-发射极结的电流。
-
电流方向:
- 电流在发射极和集电极之间流动。
-
用途:
- 放大器、开关、振荡器等。
MOS管(金属-氧化物-半导体场效应晶体管):
-
结构:
- 由金属栅、氧化物绝缘层和半导体衬底组成。
- N沟道型和P沟道型两种。
-
工作原理:
- 通过在栅极上施加电压控制氧化物层下形成的沟道的导电性。
- 根据栅极电压的不同,控制沟道中电子或空穴的流动。
-
控制:
- 控制电流通过栅极和半导体之间形成的通道。
-
电流方向:
- 电流在栅极和半导体之间的通道中流动。
-
用途:
- 集成电路(IC)的制造、数字逻辑电路、微处理器等。
区别总结:
-
结构:
- 三极管有三个区域,而MOS管有金属栅、氧化物绝缘层和半导体衬底。
-
工作原理:
- 三极管基于电流注入和放大原理,MOS管基于栅极电压控制通道导电性的原理。
-
控制方式:
- 三极管通过基极电流控制,MOS管通过栅极电压控制。
-
电流方向:
- 三极管电流在发射极和集电极之间流动,MOS管电流在栅极和半导体之间的通道中流动。
-
用途:
- 三极管用于放大器、开关等,而MOS管广泛用于集成电路、数字逻辑电路等。

3662

被折叠的 条评论
为什么被折叠?



