大米~¥
码龄3年
关注
提问 私信
  • 博客:38,617
    38,617
    总访问量
  • 24
    原创
  • 172,730
    排名
  • 53
    粉丝
  • 0
    铁粉
  • 学习成就
IP属地以运营商信息为准,境内显示到省(区、市),境外显示到国家(地区)
IP 属地:广东省
  • 加入CSDN时间: 2022-03-17
博客简介:

m0_68251200的博客

查看详细资料
  • 原力等级
    成就
    当前等级
    3
    当前总分
    325
    当月
    2
个人成就
  • 获得152次点赞
  • 内容获得40次评论
  • 获得290次收藏
  • 代码片获得651次分享
创作历程
  • 7篇
    2024年
  • 15篇
    2023年
  • 2篇
    2022年
成就勋章
创作活动更多

HarmonyOS开发者社区有奖征文来啦!

用文字记录下您与HarmonyOS的故事。参与活动,还有机会赢奖,快来加入我们吧!

0人参与 去创作
  • 最近
  • 文章
  • 代码仓
  • 资源
  • 问答
  • 帖子
  • 视频
  • 课程
  • 关注/订阅/互动
  • 收藏
搜TA的内容
搜索 取消

嘉立创专业版板框(也就是电路板的”板“)

原创
发布博客 2024.06.29 ·
165 阅读 ·
3 点赞 ·
0 评论 ·
0 收藏

python中local variable referenced before assignment

你不知道python怎么定义全局变量。
原创
发布博客 2024.04.22 ·
689 阅读 ·
2 点赞 ·
0 评论 ·
0 收藏

思岚激光雷达C1在linux(jtson nano的Ubuntu)下使用ultra_simple

3.按照步骤3编译完后(为什么要编译,因为他给的历程【比如ultra_simple】是使用c++编写的,要编译后才会有exe文件),在这个路径下打开终端。4.运行这个代码(他目前的文档的命令有误,用不了),我的是思岚C1的,波特率460800。2.在桌面的终端下载好所需要的编译工具,比如make之类的(具体看文档手册)1.首先你要下载他的sdk文件到你的linux桌面。
原创
发布博客 2024.03.19 ·
449 阅读 ·
4 点赞 ·
2 评论 ·
1 收藏

Jetson nano安装jtop

【代码】Jetson nano安装jtop。
原创
发布博客 2024.03.17 ·
559 阅读 ·
11 点赞 ·
0 评论 ·
11 收藏

An HTTP error occurred when trying to retrieve this URL. HTTP errors are often intermittent, and a s

我是在Jetson nano使用的conda,也就是在Ubuntu下,conda环境创建不了的报错,解决如下链接:(套娃应用,偷偷懒)要在你对应目录下按下。
原创
发布博客 2024.03.16 ·
385 阅读 ·
7 点赞 ·
1 评论 ·
8 收藏

关于思岚激光雷达C1使用SDK报错Error, cannot bind to the specified serial port com14.

Error, cannot bind to the specified serial port com14.
原创
发布博客 2024.03.12 ·
564 阅读 ·
9 点赞 ·
2 评论 ·
8 收藏

STC单片机烧录方法

stc单片机属于51的,需要下载stc的专用烧录软件,配合keil可以下载烧录进去单片机中,以下取stc8g010k单片机为例说明你需要的软件工具有:stc下载上位机,keil软件记得keil要UV4的硬件工具有:USB转串口模块(一定要确保能用,后续如果烧录不了一定要考虑是不它的问题),stc8g010k单片机我们只需要找到4个 接口:VCC,GND,Tx,Rx按照正常的连接即可----------------------------------------------------------------
原创
发布博客 2024.01.21 ·
1178 阅读 ·
12 点赞 ·
1 评论 ·
12 收藏

ADC采样(无DMA)

ADC快速配置
原创
发布博客 2023.12.11 ·
437 阅读 ·
8 点赞 ·
1 评论 ·
9 收藏

串口USART

串口快速配置
原创
发布博客 2023.12.11 ·
396 阅读 ·
10 点赞 ·
1 评论 ·
11 收藏

顽固exe文件的删除,点名表扬Unlocker

如果是顽固软件,他会弹窗说你现在无法删除,要等待重启电脑后才会帮你删除,所以只需要重启即可。如果是顽固软件,他会弹窗说你现在无法删除,要等待重启电脑后才会帮你删除,所以只需要重启即可。
原创
发布博客 2023.11.13 ·
262 阅读 ·
0 点赞 ·
0 评论 ·
0 收藏

Windows系统卸载Autodesk,完全卸载Autodesk

如何在 Windows 上完全卸载 Autodesk 产品
原创
发布博客 2023.11.07 ·
196 阅读 ·
0 点赞 ·
0 评论 ·
0 收藏

../Drivers/CMSIS/Device/ST/STM32F1xx/Include/stm32f103xb.h(97): error: #101: “DMA1_Channel5_IRQn“ h

STM32使用keil时报错:具体是在自己的文件里调用HAL库的文件时(比如什么''tim.h''之类的)出现了大量报错比如30个报错之类的
原创
发布博客 2023.10.28 ·
2118 阅读 ·
13 点赞 ·
6 评论 ·
8 收藏

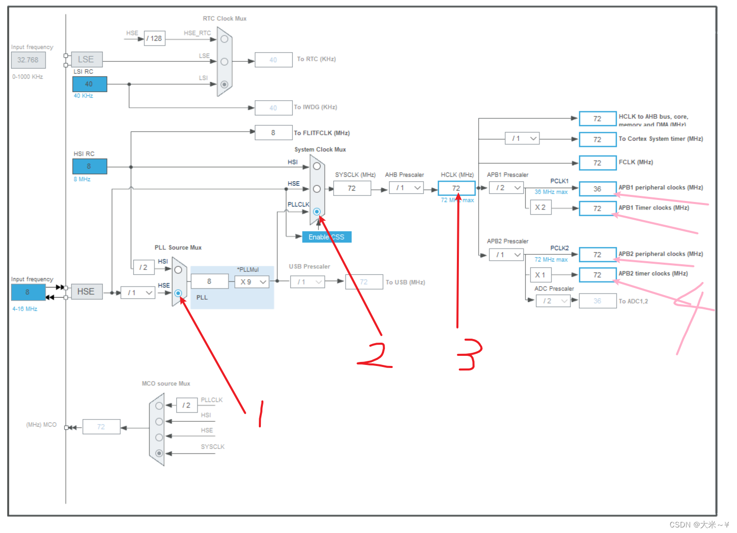
stm32-CubeMX配置最高时钟晶振频率步骤

stm32-CubeMX配置最高时钟晶振频率步骤
原创
发布博客 2023.10.19 ·
893 阅读 ·
0 点赞 ·
1 评论 ·
2 收藏

stm32+hal库+串口+cubemx——串口函数介绍,简单的串口收发函数

简单的串口函数使用,直接上手
原创
发布博客 2023.07.27 ·
1940 阅读 ·
10 点赞 ·
3 评论 ·
20 收藏

stm32Hal库串口数据不对

各种波特率设置均无误,硬件连接也无误,可以接受到数据,但是数据不对。cubemx晶振设置不对,也就是和主控板的晶振对应不上。比如我的板子是8MHz的,配置就必须为8MHz。:对应 “输入频率”修改为和板子一样的频率。
原创
发布博客 2023.07.23 ·
423 阅读 ·
0 点赞 ·
1 评论 ·
0 收藏

keil换芯片类型时,固件库包的设置

选择需要的固件库包,然后分别点击Add,添加进去,比如我是从 STM32F103C876 换到 STM32F750V8T6。,下载完成根据其设定好的安装路径下载到keil下载文件里(按他来就行,一直NEXT)之后千万记得点击“确定”和“OK”点击以下(按照以下顺序点击)
原创
发布博客 2023.07.20 ·
832 阅读 ·
1 点赞 ·
1 评论 ·
6 收藏

stm32HAL库输出pwm控制舵机(数字舵机),舵机脉冲宽度和资料的角度对应不上的问题

代码部分通过PB11上的按键,按下一次改变一次舵机角度(舵机角度自己定义),以下分为两部分:一是GPIO配置二是TIM配置GPIO配置1+2.直接到图形界面:单击PB11,设置为引脚输入模式(因为要检测电平)3.双击配置4.设置为引脚输入5.让引脚初始状态为高电平(等下按键一端接PB11,一端接GND,一旦按下,PB11的高电平变成低电平,即检测到按键按下)6.PB11的名字标签为 key1.首先配置RCC2.配置为外部时钟输入,外部晶振SYS配置如上。
原创
发布博客 2023.07.15 ·
3562 阅读 ·
12 点赞 ·
3 评论 ·
82 收藏

严重性 代码 说明 项目 文件 行 禁止显示状态错误 LNK2019 无法解析的外部符号 “public: __cdecl Worker::Worker(void)“ (??0Worker@@QEA

出现这种情况可能是使用继承和多态时,父类的头文件声明时,多声明了构造函数和析构函数,只要。把父类头文件声明中的构造函数和析构函数删除即可。
原创
发布博客 2023.04.14 ·
5193 阅读 ·
5 点赞 ·
0 评论 ·
1 收藏

想要调用某一头文件,该头文件要和主函数在同一个目录下

第二:调用时,因为该头文件是自己写的,不是像什么 stdio.h或者 iostream.h之类的官方库,调用时要这么写。首先,什么叫“一个目录”:如下,放在一个列表的叫“同一目录“main.cpp要调用tools.h。
原创
发布博客 2023.03.18 ·
348 阅读 ·
0 点赞 ·
0 评论 ·
0 收藏

User\main.c(89): warning: #223-D: function “pid_y_Count“ declared implicitly

出现这种User\main.c(89): warning: #223-D: function "***********" declared implicitly,大概率是没有在头文件声明“***********”函数(这里是“pid_y_Count”函数)上面这个是pid.h,缺少声明"pid_y_Count",此时如编译,会出现warning。这里补上声明即可“0 Warning”对于头文件里加上函数声明。则需要修改成以下的形式。声明时大小写不一致导致。头文件中缺少函数说明。上面这个是pid.c。
原创
发布博客 2023.03.09 ·
296 阅读 ·
0 点赞 ·
0 评论 ·
0 收藏
加载更多