文章目录
一、实验目的
掌握组合逻辑电路的分析与设计掌握真值表、逻辑函数表达式、卡诺图化简基本概念和方法。
二、实验原理
使用中、 小规模集成电路来设计组合电路是最常见的逻辑电路。 设计组合电路的一般步骤如下图所示。

根据设计任务的要求建立输入、输出变量,并列出真值表。然后用逻辑代数或卡诺图化简法求出简化的逻辑表达式。并按实际选用逻辑门的类型修改逻辑表达式。根据简化后的逻辑表达式,画出逻辑图,用标准器件构成逻辑电路。最后用实验来验证设计的正确性。
三、实验内容:
1.组合逻辑电路–四路表决器
用“ 与非” 门设计一个表决电路: 当四个输入端A、B、C、D中有三个或四个为“ 1” 时, 输出端才为“ 1”。
设计步骤: 根据题意列出真值表如表所示, 再填入卡诺图表中。
1)真值表如下
| A | B | C | D | Z |
|---|---|---|---|---|
| 0 | 0 | 0 | 0 | 0 |
| 0 | 0 | 0 | 1 | 0 |
| 0 | 0 | 1 | 0 | 0 |
| 0 | 1 | 0 | 0 | 0 |
| 1 | 0 | 0 | 0 | 0 |
| 1 | 1 | 0 | 0 | 0 |
| 1 | 0 | 1 | 0 | 0 |
| 1 | 0 | 0 | 1 | 0 |
| 0 | 1 | 1 | 0 | 0 |
| 0 | 1 | 0 | 1 | 0 |
| 0 | 0 | 1 | 1 | 0 |
| 1 | 1 | 1 | 0 | 1 |
| 1 | 1 | 0 | 1 | 1 |
| 1 | 0 | 1 | 1 | 1 |
| 0 | 1 | 1 | 1 | 1 |
| 1 | 1 | 1 | 1 | 1 |
2)卡诺图如下
| AB\CD | 00 | 01 | 11 | 10 |
|---|---|---|---|---|
| 00 | ||||
| 01 | 1 | |||
| 11 | 1 | 1 | 1 | |
| 10 | 1 |
由卡诺图得出逻辑表达式, 并演化成“ 与非” 的形式:

根据逻辑表达式画出用“ 与非门” 构成的逻辑电路如图所示:

现在Logsim中仿真验证电路的逻辑性:

然后再在实验板上用硬件实现并验证:在实验装置适当位置选定三个14P 插座, 按照集成块定位标记插好集成块 74LS20。按图接线,输入端 A、 B、 C、 D 接至逻辑开关输出插口, 输出端 Z 接逻辑电平显示输入插口,按真值表要求,逐次改变输入变量,测量相应的输出值,验证逻辑功能与真值表进行比较, 验证所设计的逻辑电路是否符合要求。

2. LED显示电路
7段数码显示管(LED)是由7个单独LED二极管组合而成(忽略小数点),经常用来显示0-9 这些数字。 它可以用 4个输入项A-B-C-D和7个输出项a~g的逻辑关系真值表来表达。

1)CD4511内部逻辑电路

2)封装电路,验证其正确性

3)LED灯显示四路表决器投票通过数

验证:当投三票通过票时,LED灯显示数字为3

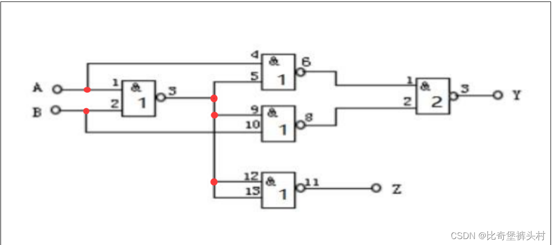
3. 组合逻辑电路化简
有一个组合逻辑电路,如下图所示。请根据电路中写出 Y和Z的逻辑表达式,并进行化简。重新验证之前的答案在理论上是否正确,并重新设计一个新的简化电路

化简过程如下:

简化电路如下:

4. 组合逻辑电路–1位全加器
使用Logsim的提供的“分析组合逻辑电路”的智能功能,重新完成 4路表决器实验
步骤如下:






四、总结
了解一般电路的设计方法,熟练掌握利用卡诺图化简方法,设计出基本的四路表决器;了解CD4511芯片的内部逻辑,与LED灯结合来显示数字,在四路选择器的基础上利用CD4511芯片来实现将投票通过数显示在LED灯屏幕上;利用基本定理对逻辑代数进行化简;熟悉logisim中自带的组合逻辑电路来直接生成电路。
9763

被折叠的 条评论
为什么被折叠?



