七电平级联H桥移幅调制和移相调制两种调制方式的仿真加报告。
完美的实现七电平的输出。
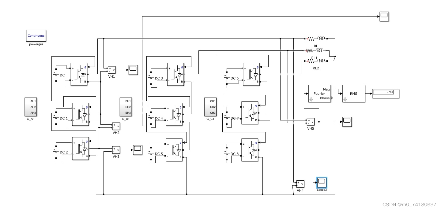
串联H桥多电平逆变器是中压大功率传动系统中应用最为广泛的逆变器拓扑结构之一。
它是由多个单相H桥逆变器组成的,把每个功率单元的交流输出串联连接,来实现中压输出,而无需连接变压器,并减小输出电压的谐波。
它们串联之后,能输出的电压幅值就大幅度提高,并且电平数也随着H桥的增加而增加。

ID:3888672673713349
尘世很美



七电平级联H桥移幅调制和移相调制两种调制方式的仿真加报告。
完美的实现七电平的输出。
串联H桥多电平逆变器是中压大功率传动系统中应用最为广泛的逆变器拓扑结构之一。
它是由多个单相H桥逆变器组成的,把每个功率单元的交流输出串联连接,来实现中压输出,而无需连接变压器,并减小输出电压的谐波。
它们串联之后,能输出的电压幅值就大幅度提高,并且电平数也随着H桥的增加而增加。

ID:3888672673713349
尘世很美




被折叠的 条评论
为什么被折叠?