1 简介
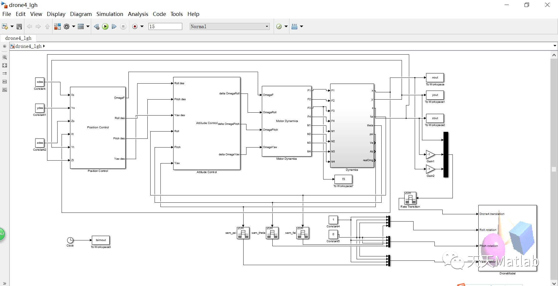
旋翼类无人机相对于固定翼无人机具有能够垂直起降,空中悬停等优点,而四旋翼无人机作为其中一个典型的代表,不仅结构简单还具有良好的带载能力,也易于操控,在军事领域,民用领域,都有着广泛的应用,常见的包括航天拍摄,灾害救援,物资运输等.飞行控制系统是四旋翼飞行器的关键,其中,如何控制飞行器的姿态,是整个飞行控制的核心问题.要保证四旋翼无人机在各种飞行环境下都具有良好的飞行状态,飞行控制算法极为重要.本文借助Matlab/Simulink仿真平台上,使用了PID控制系统对四旋翼无人机进行了仿真.
2 部分代码
%%%%%%%%%%%%%%% desired position %%%%%%%%%%%%%%%%%%%%%%xdes = 10;ydes = 18;zdes = -20;%%%%%%%%%%%%%%%structural parameters %%%%%%%%%%%%%%%%%%%m = 0.5;g = 9.8;Ixx =0.114;Iyy = 0.114;Izz = 0.158;yaw = 3/57.3;L = 0.2;%%%%%%%%%%%%%%%%%% save PID for x %%%%%%%%%%%%%%%%%%%%kpx = 0.8;kix = 1e-4;kdx = 1.3;%%%%%%%%%%%%%%%%%% save PID for y %%%%%%%%%%%%%%%%%%%%kpy = 0.8;kiy = 3e-4;kdy = 1.3;%%%%%%%%%%%%%%%%%% save PID for z %%%%%%%%%%%%%%%%%%%%kpz = 1.2;kiz = 1e-6;kdz = 2;%%%%%%%%%%%%%%%%%% save PD for phi %%%%%%%%%%%%%%%%%%%kpphi = 2000;kdphi = 4000;%%%%%%%%%%%%%%%%%% save PD for theta %%%%%%%%%%%%%%%%%kptheta = 2000;kdtheta = 4000;%%%%%%%%%%%%%%%%%% save PD for psi %%%%%%%%%%%%%%%%%%%kppsi = 800;kdpsi = 4000;%%%%%%%%%%%%%%%%%%% save tsim %%%%%%%%%%%%%%%%%%%%%%%%%%tsim = 20;
3 仿真结果


4 参考文献
[1]魏家辉, 姜春波, 陈浩,等. 基于Matlab的四旋翼无人机控制仿真[J]. 数码世界, 2018.
博主简介:擅长智能优化算法、神经网络预测、信号处理、元胞自动机、图像处理、路径规划、无人机等多种领域的Matlab仿真,相关matlab代码问题可私信交流。
部分理论引用网络文献,若有侵权联系博主删除。
本文介绍了一种利用Matlab/Simulink平台实现的四旋翼无人机姿态控制方法,通过PID控制器来确保飞行器在复杂环境中的稳定飞行,着重探讨了如何设计和优化PID参数以提升控制精度。研究内容包括飞行器结构参数、姿态控制关键问题以及实际仿真结果。
314

被折叠的 条评论
为什么被折叠?



