@Duang~
码龄4年
关注
提问 私信
  • 博客:51,737
    问答:329
    52,066
    总访问量
  • 10
    原创
  • 289,775
    排名
  • 925
    粉丝
  • 14
    铁粉
  • 学习成就

个人简介:站在巨人的肩膀上,沐浴新鲜阳光

IP属地以运营商信息为准,境内显示到省(区、市),境外显示到国家(地区)
IP 属地:山东省
  • 加入CSDN时间: 2020-06-02
博客简介:

@Duang~!的博客

查看详细资料
  • 原力等级
    成就
    当前等级
    3
    当前总分
    284
    当月
    0
个人成就
  • 获得231次点赞
  • 内容获得86次评论
  • 获得449次收藏
  • 代码片获得452次分享
创作历程
  • 1篇
    2024年
  • 4篇
    2023年
  • 4篇
    2022年
  • 1篇
    2021年
成就勋章
TA的专栏
  • 机器学习
    2篇
  • 控制
    5篇
  • 嵌入式
    1篇
  • 机械
    1篇
  • 机器人
    1篇
兴趣领域 设置
  • Python
    python
  • 编程语言
    pythonc语言kotlin
  • 人工智能
    opencv计算机视觉机器学习深度学习神经网络sklearntensorflowkeras
  • 嵌入式
    单片机嵌入式硬件
  • 硬件开发
    硬件工程硬件架构
创作活动更多

AI大模型如何赋能电商行业,引领变革?

如何使用AI技术实现购物推荐、会员分类、商品定价等方面的创新应用?如何运用AI技术提高电商平台的销售效率和用户体验呢?欢迎分享您的看法

175人参与 去创作
  • 最近
  • 文章
  • 代码仓
  • 资源
  • 问答
  • 帖子
  • 视频
  • 课程
  • 关注/订阅/互动
  • 收藏
搜TA的内容
搜索 取消

机器学习简要概述

机器学习内容概要
原创
发布博客 2024.02.03 ·
909 阅读 ·
20 点赞 ·
1 评论 ·
14 收藏

轿厢门控proteus仿真

发布资源 2024.02.03 ·
zip

温度测量实验proteus

发布资源 2024.02.03 ·
zip

PWM调制控制直流电机proteus

发布资源 2024.02.03 ·
zip

隔离放大电路multisim

发布资源 2024.02.03 ·
zip

电压、频率转换电路实验multisim

发布资源 2024.02.03 ·
zip

电压比较电路multisim

发布资源 2024.02.02 ·
zip

积分与微分电路实验multisim

发布资源 2024.02.02 ·
zip

比例求和运算电路实验multisim

发布资源 2024.02.02 ·
zip

RC有源滤波器 Multisim

发布资源 2024.02.02 ·
zip

PS2控制电机正反转及调速-单片机C51

发布资源 2024.02.02 ·
zip

matlab GUI实现的贪吃蛇小游戏

发布资源 2024.02.02 ·
zip

matlab 圆弧插补

答:

已知 起点、终点和半径,可以确定两个圆,
又规定了 圆心是靠近原点还是远离原点,可以确定唯一的圆。

回答问题 2023.11.26

神经网络实现手写数字识别mnist数据集

发布资源 2023.11.02 ·
zip

天棚-加速驱动阻尼混合控制(Mised SH-ADD)||策略解读

天棚-加速驱动阻尼(Mised SH-ADD)混合控制策略解读
原创
发布博客 2023.10.06 ·
1079 阅读 ·
1 点赞 ·
1 评论 ·
5 收藏

ADD加速驱动阻尼控制策略由来||惯容器动力学模型建立

相比天棚控制,加速度驱动阻尼(Acceleration Driven Damper, ADD)控制将与理想天棚之间安装 的阻尼器替换成了“理想惯容器”,利用惯容器来实现车身振动的抑制,同时在判断策略中将簧上速度替换成了簧上加速度。理想建模和实际建模分别如下:分别列出两个模型的动力学方程如下:理想天棚惯容控制到实际阻尼控制的转换,是指虚拟的天棚惯容系数 b 到实际可控阻尼系数 c 的转换。真实控制中,就是对可控阻尼系数 c 的连续可调。
原创
发布博客 2023.10.04 ·
794 阅读 ·
2 点赞 ·
1 评论 ·
7 收藏

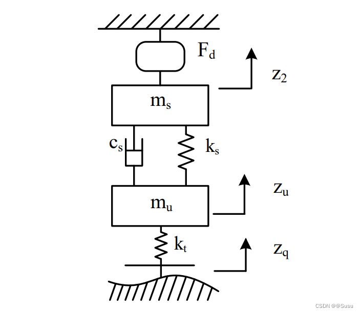
双自由度振动系统/车辆悬架的受力分析及建模——以1/4车辆悬架为例

一文读懂--双自由度振动系统/车辆悬架的受力分析及建模。
原创
发布博客 2023.10.03 ·
3723 阅读 ·
22 点赞 ·
2 评论 ·
37 收藏

独热编码-小白理解

独热编码快速解读,面向小白。三个例子带你吃透独热编码(One-Hot Encoding)
原创
发布博客 2023.09.25 ·
202 阅读 ·
1 点赞 ·
1 评论 ·
2 收藏

python3.11 dlib轮子文件//dlib-19.24.1-cp311-cp311-win-amd64.whl

发布资源 2023.08.03 ·
zip

python火柴人打架代码

发布资源 2023.03.16 ·
py
加载更多